文章目录
- 1. D/A转换器
- 1.1 权电阻网络D/A转换器
- 1.2 倒T型电阻网络D/A转换器
- 2. D/A转换器的转换精度和转换速度:
- 3. A/D转换器
- 3.1 取样
- 3.2 量化和编码
- 3.3 A/D转换器的电路结构和工作原理
- 3.3.1 并联比较型A/D转换器
- 4. 解题技巧归纳:
1. D/A转换器
1.1 权电阻网络D/A转换器
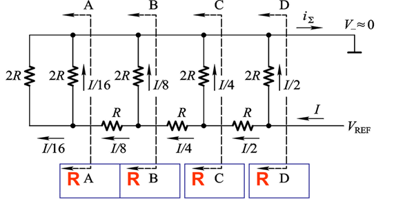
这里我们说明一下:当d = 1时,模拟开关就会接在
V
R
E
F
V_{REF}
VREF处,当d = 0时,模拟开关就会接地
那么,我们就可以得到上图中
i
∑
i_{sum}
i∑的表达式:
i
∑
=
d
0
V
R
E
F
2
3
R
+
d
1
V
R
E
F
2
2
R
+
d
2
V
R
E
F
2
2
R
+
d
3
V
R
E
F
R
i_{sum} = d_0frac{V_{REF}}{2^3R} + d_1frac{V_{REF}}{2^2R} + d_2frac{V_{REF}}{2^2R} + d_3frac{V_{REF}}{R}
i∑=d023RVREF+d122RVREF+d222RVREF+d3RVREF
由模电里面运放的知识我们可以得到:
v
0
R
F
=
−
i
∑
=
−
(
d
0
V
R
E
F
2
3
R
+
d
1
V
R
E
F
2
2
R
+
d
2
V
R
E
F
2
2
R
+
d
3
V
R
E
F
R
)
frac{v_0}{R_F} = -i_{sum} = -(d_0frac{V_{REF}}{2^3R} + d_1frac{V_{REF}}{2^2R} + d_2frac{V_{REF}}{2^2R} + d_3frac{V_{REF}}{R})
RFv0=−i∑=−(d023RVREF+d122RVREF+d222RVREF+d3RVREF)
而
R
F
=
R
2
R_F = frac{R}{2}
RF=2R,所以上式子又可以化简为:
v
0
=
−
V
R
E
F
2
4
(
d
3
2
3
+
d
2
2
2
+
d
1
2
1
+
d
0
2
0
)
v_0 = -frac{V_{REF}}{2^4}(d_32^3+d_22^2+d_12^1+d_02^0)
v0=−24VREF(d323+d222+d121+d020)
综上,我们可以得到n位权电阻型D/A转换器的输出电压表达式:
v
0
=
−
V
R
E
F
2
n
D
n
【
重
要
!
】
v_0 = -frac{V_{REF}}{2^n}D_nspace 【重要!】
v0=−2nVREFDn 【重要!】
且
v
0
v_0
v0的最大变化范围是:0~
2
n
−
1
2
n
V
R
E
F
frac{2^n-1}{2^n}V_{REF}
2n2n−1VREF
【缺点】:随着输入信号的位数变多,它的精度就会变得很低
1.2 倒T型电阻网络D/A转换器

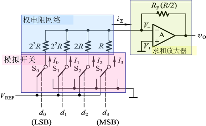
首先,我们还是说明一下:当d = 1时,模拟开关接运放的
V
−
V_-
V−,当d = 0时,模拟开关接在运放的
V
+
V_+
V+(即相当于接地),要计算这个电路的
i
∑
i_{sum}
i∑可不是一件轻松的事情,好在我们的运放有“虚短”的特点,即此时
V
−
=
V
+
=
0
V_- = V_+ = 0
V−=V+=0,因此,计算各个支路电流的等效电路如下:

因此,
i
∑
=
d
3
I
2
+
d
2
I
4
+
d
1
I
8
+
d
0
I
16
i_{sum} = d_3frac{I}{2} + d_2frac{I}{4} + d_1frac{I}{8} + d_0frac{I}{16}
i∑=d32I+d24I+d18I+d016I
则有:
i
∑
=
d
3
I
2
+
d
2
I
4
+
d
1
I
8
+
d
0
I
16
=
−
v
0
R
i_{sum} = d_3frac{I}{2} + d_2frac{I}{4} + d_1frac{I}{8} + d_0frac{I}{16} = -frac{v_0}{R}
i∑=d32I+d24I+d18I+d016I=−Rv0
最终,我们化简得到的输出电压的表达式还是下面这个: v 0 = − V R E F 2 n D n v_0 = -frac{V_{REF}}{2^n}D_n v0=−2nVREFDn
2. D/A转换器的转换精度和转换速度:
【1】一个n位的D/A转换器的分辨率是:
1
2
n
−
1
frac{1}{2^n-1}
2n−11
【2】如果已知一个n位D/A转换器的满刻度输出电压U,那么,它的分辨率为:
U
2
n
−
1
frac{U}{2^n -1}
2n−1U
3. A/D转换器
A/D转换一般包括:取样、保持、量化和编码四个步骤
3.1 取样
3.2 量化和编码
量化方式分为两种:1. 只舍不入量化方式 2. 四舍五入量化方式,它们的举例如下图所示:
要求将0~1V的电压的模拟信号转换成3位二进制代码:

下面我就来详细解释一下这两种量化方式和误差分析:
对于图(a)的量化方式,最小量化单位是
1
8
V
frac{1}{8}V
81V,我们把输入的模拟信号中电压范围在0~
1
8
V
frac{1}{8}V
81V的电压都当作0△=0V对待,电压范围在
1
8
V
frac{1}{8}V
81V ~
2
8
V
frac{2}{8}V
82V的都当作1△ =
1
8
V
frac{1}{8}V
81V对待、、、
那么,我们想啊,假设我们输入的模拟信号在某一时刻为0V时,输出的数字信号是0,而如果模拟信号是
1
8
V
frac{1}{8}V
81V,那么输出的数字信号依然是0,这样一来,就产生了量化误差,而且,采用图(a)这种只舍不入的量化方式,量化误差为
1
8
V
frac{1}{8}V
81V,即△。
下面,我们看看图(b)这种四舍五入的量化方式:我们同样是把0~1V的电压分成8分,但是这次不是简单地除以8平均分,而是像上图那样,取量化电平△ =
2
15
V
frac{2}{15}V
152V,那么,我们就把输入的模拟电压中电压范围在0 ~
1
15
V
frac{1}{15}V
151V的电压当作0△ = 0V对待,把电压范围在
1
15
V
frac{1}{15}V
151V ~
3
15
V
frac{3}{15}V
153V的电压当作
2
15
V
frac{2}{15}V
152V对待。
那么,假设某一采样时刻我们的模拟电压是
1
15
V
frac{1}{15}V
151V,那么对应的数字电平就是
2
15
V
frac{2}{15}V
152V,但是如果模拟电压是
3
15
V
frac{3}{15}V
153V,那么对应的数字电平也是
2
15
V
frac{2}{15}V
152V,这时的误差就变成了
2
15
V
−
1
15
V
=
1
15
V
=
1
2
△
V
frac{2}{15}V - frac{1}{15}V = frac{1}{15}V = frac{1}{2}△V
152V−151V=151V=21△V
3.3 A/D转换器的电路结构和工作原理
3.3.1 并联比较型A/D转换器
基于我们刚刚讲的四舍五入量化方式,我们介绍并联比较型A/D转换器

上图也是按照我们刚刚的四舍五入量化方式设置的比较电压(C是电压比较器),我们看到:当
0
<
v
I
<
V
R
E
F
15
0 < v_I < frac{V_{REF}}{15}
0<vI<15VREF时,全部的电压比较器都是输出低电平、当
V
R
E
F
15
<
v
I
<
2
V
R
E
F
15
frac{V_{REF}}{15} < v_I < frac{2V_{REF}}{15}
15VREF<vI<152VREF时,只有
C
1
C_1
C1输出为1,其余为0,以此类推。如果我们现在是需要自己设计那个代码转换器,就像上面右图一样是一个黑匣子,那么,我们通过刚刚的分析可以得到代码转换器的输入与输出的关系:(因为经过的D触发器特性方程是
Q
∗
=
D
Q^* = D
Q∗=D,因此,没影响)

那么,根据真值表就可以写出代码转换器的电路结构了
【重点】:并联型A/D转换器的转换速度极快,只需要经过电压比较器、触发器和代码转换器的延迟就可以完成转换。但是也有很大的缺点:就是随着我们要转换的二进制代码的位数n增大,电路结构的复杂度也会急剧增大
【下表是考试重点】:
| 速度 | 复杂度 | 完成一次转换所需要的CLK数目 | |
|---|---|---|---|
| 并联比较型 | 最快 | 最复杂 | 最多2个 |
| 计数器型 | 最慢 | 最简单 | 2 n + k 2^n + k 2n+k |
| 逐次渐进型 | 比并联比较型慢一点 | 适中 | n+2 |
4. 解题技巧归纳:
【题型一】:各种芯片和A/D转换器结合起来,然后要求画出输出电压的波形
对于这种问题,我们首先需要搞清楚A/D转换器芯片的输入量是什么,然后牢牢按照这个公式:
v
0
=
−
V
R
E
F
2
n
D
n
v_0 = -frac{V_{REF}}{2^n}D_n
v0=−2nVREFDn算出不同输入时对应的输出电压
v
0
v_0
v0
【题型二】:要求设计一个电路,能够产生所给定的电压波形
【题型三】:一些概念性的计算题
例题1:有一个8位D/A转换器,设它的满度输出电压为25.5V,当输入数字量为11101101时,输出电压为()V
解:先计算出8位D/A转换器所能接受输入的最大数字量:
2
8
−
1
=
255
2^8 - 1 = 255
28−1=255,因此,当输入的数字量是11101101 =
(
237
)
10
(237)_{10}
(237)10时,对应的输出电压是:
237
255
frac{237}{255}
255237x
25.5
V
25.5V
25.5V = 23.7V
例题2:设有一个十位D/A转换器,它的满刻度输出电压为102.3V,则它的分辨率为:
解:
102.3
2
10
−
1
=
0.1
V
frac{102.3}{2^{10}-1} = 0.1V
210−1102.3=0.1V
最后
以上就是安静人生最近收集整理的关于【数字电子技术 Digital Electronic Technology 10】—— 数-模和模-数转换解题技巧分析1. D/A转换器2. D/A转换器的转换精度和转换速度:3. A/D转换器4. 解题技巧归纳:的全部内容,更多相关【数字电子技术内容请搜索靠谱客的其他文章。
发表评论 取消回复