不知道在学完数电第四章——组合逻辑电路之后,大家一开始有没有跟我一样的感觉:这些芯片功能是啥??那些控制信号是啥??我应该怎么连接??但是,当题目做的有了一定的量之后,发现考来考去无非是几种类型,下面博主就和大家一起总结一下,也当作自己的复习
文章目录
- 1. 编码器
- 2. 译码器
- 3. 数据选择器
- 4. 超前进位加法器
- 5. 数值比较器
- 6.组合逻辑电路的竞争冒险现象:
- 6.1 消除竞争冒险现象的方法:
1. 编码器
74HC148优先编码器
和普通编码器有类似之处,它也是对输入的二进制信号进行编码,但是它允许多个高电平输入,但是只会对优先级最高的输入进行编码,正常工作时应使S’ = 0。
下面是它的功能表:
关于编码器的题型解读:
最常见的就是用几篇编码器连成一个更多位的编码器了,比如用4片8线-3线编码器组合成32线-5线编码器,这种问题不难:我们把编码器从高位芯片到低位芯片串联起来(比如说高位芯片的S’接到下一个低位芯片的
Y
s
′
Y_s'
Ys′端这样),至于输出里面多出来的两位应该怎么连出来呢?
我们需要从
Y
E
X
′
Y_{EX}'
YEX′引出:
我们看看啊,本来我们的输出是不是
Y
2
Y
1
Y
0
Y_2Y_1Y_0
Y2Y1Y0三位对吧,我们现在考虑
Y
4
Y
3
Y_4Y_3
Y4Y3:因为4片芯片串联在了一起,所以最低位(我们约定为第4个芯片)所能够编码的二进制数的范围就是:0~7;第3个芯片所能够编译的二进制数的范围就是8 ~ 15,同理后面两个芯片的范围依次是:16 ~ 23、24 ~ 31。
那么我们就想啊,如果 Y 4 Y 3 Y_4Y_3 Y4Y3 = 11,那么表示输入的信号最小就是11000 = ( 24 ) 10 (24)_{10} (24)10,属于第一个芯片的工作范围,那么此时应该让第一个工作,其他芯片工作但无有效输入,即:
| Y E X 1 ′ Y_{EX1}' YEX1′ | Y E X 2 ′ Y_{EX2}' YEX2′ | Y E X 3 ′ Y'_{EX3} YEX3′ | Y E X 4 ′ Y'_{EX4} YEX4′ | Y 4 Y_4 Y4 | Y 3 Y_3 Y3 |
|---|---|---|---|---|---|
| 0 | 1 | 1 | 1 | 1 | 1 |
当 Y 4 Y 3 Y_4Y_3 Y4Y3 = 10,那么输入的最小值就是16,最大值为10111 = ( 23 ) 10 (23)_{10} (23)10,属于第二个芯片的工作范围,那么应该只让2芯片有有效输入:
| Y E X 1 ′ Y_{EX1}' YEX1′ | Y E X 2 ′ Y_{EX2}' YEX2′ | Y E X 3 ′ Y'_{EX3} YEX3′ | Y E X 4 ′ Y'_{EX4} YEX4′ | Y 4 Y_4 Y4 | Y 3 Y_3 Y3 |
|---|---|---|---|---|---|
| 1 | 0 | 1 | 1 | 1 | 0 |
后面的情况类似,这样,我们就可以通过真值表得到新增的输出 Y 4 , Y 3 Y_4, Y_3 Y4,Y3与 Y E X ′ Y'_{EX} YEX′的关系,从而用门电路表示出来
2. 译码器
【基本功能】这是比较常见的3线-8线译码器,输入是一个三位二进制数:
A
0
A
1
A
2
A_0A_1A_2
A0A1A2,然后把这个三位二进制数译成0~7其中一个十进制数,并且在对应位置输出
Y
′
Y'
Y′
【正常工作条件】当
S
1
S_1
S1 = 1,
S
2
′
+
S
3
′
S_2' + S_3'
S2′+S3′ = 0时,该译码器才会正常工作
【输出表达式】:这个是很重要的,译码器的输出
Y
′
Y'
Y′满足:
Y
i
′
=
(
m
i
)
′
Y_i' = (m_i)'
Yi′=(mi)′
例如:
Y
0
′
=
(
A
0
′
A
1
′
A
2
′
)
′
Y_0' = (A_0'A_1'A_2')'
Y0′=(A0′A1′A2′)′、
Y
5
′
=
(
A
0
A
1
′
A
2
)
′
Y_5' = (A_0A_1'A_2)'
Y5′=(A0A1′A2)′
关于译码器的题型解读:
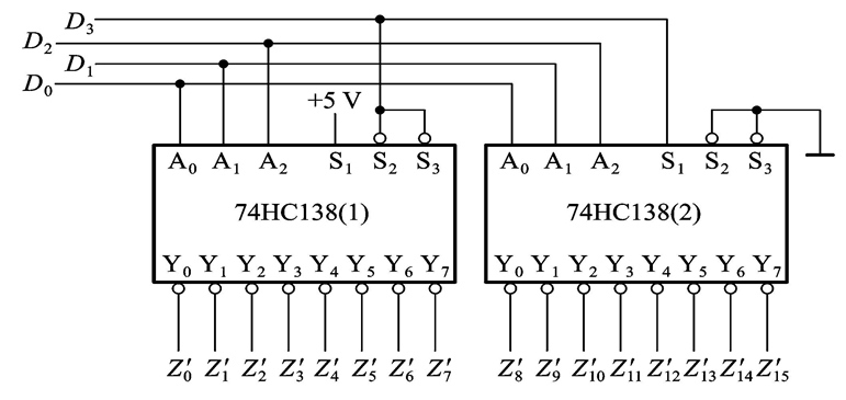
- 用几片译码器连接成一个更大的译码器
- 用译码器产生给定的逻辑函数式
举个例子我来试着把它说明白:
一,试用两片3线-8线译码器组成一个4线-16线译码器

首先,译码器原本就是有三个输入
D
0
,
D
1
,
D
2
D_0,D_1,D_2
D0,D1,D2的,这些我们不用管,直接把他们连起来就行,现在重点来看看第四个输入,也就是最高位的输入
D
3
D_3
D3:我们这里定义芯片(2)位高位芯片,那么,当
D
3
D_3
D3 = 1时,输入的四位二进制数最小就是1000,译出来就是8,因此,我们应该让(2)芯片工作,而(1)芯片禁止工作。 而结合我们刚刚说的,当
S
1
S_1
S1 = 1、
S
2
′
+
S
3
′
S_2'+S_3'
S2′+S3′ = 0时,译码器正常工作,因此,
S
1
S_1
S1直接接
D
3
D_3
D3(这里就有了一个通法:当我们有新增的输入时,我们就先看当这个新增的输入为1时,二进制数最小是多少,然后看这个最小的二进制数对应的十进制数在那个芯片的范围,就把这个新增信号和该芯片的
S
1
S_1
S1连在一起)
然后,
S
2
′
,
S
3
′
S_2',S_3'
S2′,S3′接在
D
3
D_3
D3也满足了当
D
3
D_3
D3 = 1时,(1)芯片不工作
二,用3线-8线译码器74HC138设计一个多输出的组合逻辑电路,电路的逻辑函数式为:
这种题目的套路是:
将每一个输出化简为最小项之和:
Z
1
=
A
B
C
′
+
A
B
′
C
′
+
A
′
B
C
+
A
B
′
C
=
m
6
+
m
4
+
m
3
+
m
5
Z
2
=
A
B
C
+
A
′
B
C
+
A
′
B
′
C
=
m
7
+
m
3
+
m
1
Z
3
=
A
′
B
C
+
A
′
B
C
′
+
A
B
′
C
=
m
3
+
m
2
+
m
5
Z
4
=
A
′
B
C
′
+
A
B
′
C
′
+
A
′
B
′
C
′
+
A
B
C
=
m
2
+
m
4
+
m
0
+
m
7
Z_1 = ABC'+AB'C'+A'BC+AB'C = m_6 + m_4 + m_3 + m_5\ Z_2 = ABC+A'BC+A'B'C = m_7 + m_3 + m_1\ Z_3 = A'BC+A'BC'+AB'C = m_3 + m_2 + m_5\ Z_4 = A'BC'+AB'C'+A'B'C'+ABC = m_2 + m_4 + m_0 + m_7\
Z1=ABC′+AB′C′+A′BC+AB′C=m6+m4+m3+m5Z2=ABC+A′BC+A′B′C=m7+m3+m1Z3=A′BC+A′BC′+AB′C=m3+m2+m5Z4=A′BC′+AB′C′+A′B′C′+ABC=m2+m4+m0+m7
那么,我们就可以写出译码器的输出:
Z
1
=
(
Y
6
Y
4
Y
3
Y
5
)
′
Z
2
=
(
Y
7
Y
3
Y
1
)
′
Z
3
=
(
Y
3
Y
2
Y
5
)
′
Z
4
=
(
Y
2
Y
4
Y
0
Y
7
)
′
Z_1 = (Y_6Y_4Y_3Y_5)'\ Z_2 = (Y_7Y_3Y_1)'\ Z_3 = (Y_3Y_2Y_5)'\ Z_4 = (Y_2Y_4Y_0Y_7)'\
Z1=(Y6Y4Y3Y5)′Z2=(Y7Y3Y1)′Z3=(Y3Y2Y5)′Z4=(Y2Y4Y0Y7)′
3. 数据选择器
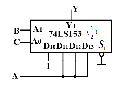
我们来看看双四选一数据选择器的样子:
其实它只用一班也是可以的,就是变成四选一的数据选择器,我们就以上面一半的四选一为例分析
【各个引脚的作用】
D
10
D
13
D_{10}~D_{13}
D10 D13是数据的输入端,
A
1
,
A
0
A_1,A_0
A1,A0是选通地址输入端(作为确定选择哪一个的信号),
Y
1
Y_1
Y1是选择之后的输出
【正常工作条件】:
S
1
′
S_1'
S1′ = 0
【输出表达式】这个是相当重要的:
Y
=
D
10
(
A
0
′
A
1
′
)
+
D
11
(
A
0
′
A
1
)
+
D
12
(
A
0
A
1
′
)
+
D
13
(
A
0
A
1
)
Y = D_{10}(A_0'A_1') + D_{11}(A_0'A_1) + D_{12}(A_0A_1') + D_{13}(A_0A_1)
Y=D10(A0′A1′)+D11(A0′A1)+D12(A0A1′)+D13(A0A1)
记忆方法:括号()里面的地址项是最小项!外面就是按照
m
i
m_i
mi的这个i的顺序乘上输入
关于数据选择器器的题型解读:
- 用几片数据选择器组成更大的数据选择器
- 用数据选择器产生给定的逻辑函数式
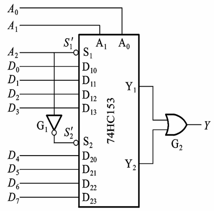
一,用双四选一数据选择器组成8选1数据选择器:
我们知道四选一数据选择器有2个地址输入,而八选一数据选择器有3个地址输入,因此,这多出来的一个地址输入就要从
S
′
S'
S′里面拿来:由于数据选择器正常工作的要求是
S
′
=
0
S' = 0
S′=0,
下面的四选一是选高位数的,当 A 2 A_2 A2 = 1时,数据最小就是100,也就是4,在下面那片数据选择器,因此,我们就要保证上面那篇数据选择器不工作。这就是本题的思路了
二,分别用四选一和八选一实现下面的逻辑函数:
首先,先把函数式化为最小项之和:
Y
=
A
B
′
C
+
A
B
′
C
′
+
A
B
C
′
+
A
B
′
C
′
+
A
′
B
′
C
′
+
A
B
C
=
A
B
′
C
+
B
′
C
′
+
A
B
C
′
+
A
B
C
Y = AB'C+AB'C'+ABC'+AB'C'+A'B'C'+ABC\ = AB'C + B'C'+ABC'+ABC
Y=AB′C+AB′C′+ABC′+AB′C′+A′B′C′+ABC=AB′C+B′C′+ABC′+ABC
由于我们要先使用四选一数据选择器,那么,有两个地址输入端,我们选BC好了,那么Y可以化为:
Y
=
1
∗
(
B
′
C
′
)
+
A
(
B
′
C
)
+
A
(
B
C
′
)
+
A
(
B
C
)
Y = 1*(B'C')+A(B'C) + A(BC') + A(BC)
Y=1∗(B′C′)+A(B′C)+A(BC′)+A(BC)
如果使用八选一,那么情况就不一样了,因为我们将要有3个地址输入端了,这样A,B,C就得全部用上,这样一来,D的数值也就随之确定了,Y可以写成这样的形式:
Y
=
1
∗
A
′
B
′
C
′
+
0
∗
A
′
B
′
C
+
0
∗
A
′
B
C
′
+
0
∗
A
′
B
C
+
1
∗
A
B
′
C
′
+
1
∗
A
B
′
C
+
1
∗
A
B
C
′
+
1
∗
A
B
C
Y = 1*A'B'C' + 0*A'B'C +0*A'BC'+ 0*A'BC + 1*AB'C' + 1*AB'C + 1*ABC' + 1*ABC
Y=1∗A′B′C′+0∗A′B′C+0∗A′BC′+0∗A′BC+1∗AB′C′+1∗AB′C+1∗ABC′+1∗ABC
4. 超前进位加法器
【各引脚的功能】 A 0 A 3 A0~A_3 A0 A3, B 0 B 3 B_0~B_3 B0 B3是两个加数, C I CI CI是来自前一位的进位, C O CO CO是向高位的进位, S 0 S 3 S_0~S_3 S0 S3表示当前各位置的和(这里特别提醒一下:如果只是用了一篇超前进位加法器芯片,也就是说没有低位向高位的进位,又或者说这个芯片就是做的最低位的加法运算时,那么这个芯片的CI端要接地!!)
超前进位加法器老是喜欢考察:用加法器实现减法。但是大家不用害怕,减法是可以变为加法的,方法就是把减数写成补码的形式,再和原来的被减数相加
大家还记得一个二进制数的补码怎么求吗?正数的:原码=反码=补码;而对于负数,补码等于其数值位按位j取a反,然后+1
首先来说说怎么实现按位取反:我们可以用异或门实现,异或门就是可以用来取反的
那么+1怎么实现?我们可以令CI = 1,即低位有向高位进1,那不就完成+1的操作了吗?
5. 数值比较器
我们来看看最后一个数值比较器:
【各引脚的功能】 A 0 A 3 A_0~A_3 A0 A3, B 0 B 3 B_0~B_3 B0 B3分别是待比较的两个三位二进制数, I I I表示低位比较的结果(因为我们比较是先从低位开始比较的)注意:如果没有低位了,我们就可以令 I ( A = B ) = 1 , I ( A > B ) = I ( A < B ) = 0 I_{(A=B)} = 1,I_{(A>B)} = I_{(A<B)} = 0 I(A=B)=1,I(A>B)=I(A<B)=0,Y表示比较的结果
常考的题型:
- 用多个数值比较器连接成一个更大的数值比较器
- 用一个数据比较器比较三个数的大小等等
一,用两片四位二进制数比较器连接成一个八位二进制数比较器

6.组合逻辑电路的竞争冒险现象:
这里先暂时简单提一下:如果这个组合逻辑电路输出的逻辑函数式可以化为: Y = A A ′ Y = AA' Y=AA′或者是 Y = A + A ′ Y = A + A' Y=A+A′的形式,那么说明该组合逻辑电路存在竞争冒险现象。
6.1 消除竞争冒险现象的方法:
- 接入滤波电容
- 引入选通脉冲
- 修改电路逻辑设计
最后
以上就是任性大神最近收集整理的关于【数字电子技术 Digital Electronic Technology 5】—— 组合逻辑电路设计题解题技巧归纳1. 编码器2. 译码器3. 数据选择器4. 超前进位加法器5. 数值比较器6.组合逻辑电路的竞争冒险现象:的全部内容,更多相关【数字电子技术内容请搜索靠谱客的其他文章。
发表评论 取消回复