我是靠谱客的博主 霸气外套,这篇文章主要介绍基于PreScan的车道线识别算法与循迹控制 基于PreScan的车道线识别算法与循迹控制,其中车道线识别算法通过采集单目摄像头数据,现在分享给大家,希望可以做个参考。
基于PreScan的车道线识别算法与循迹控制
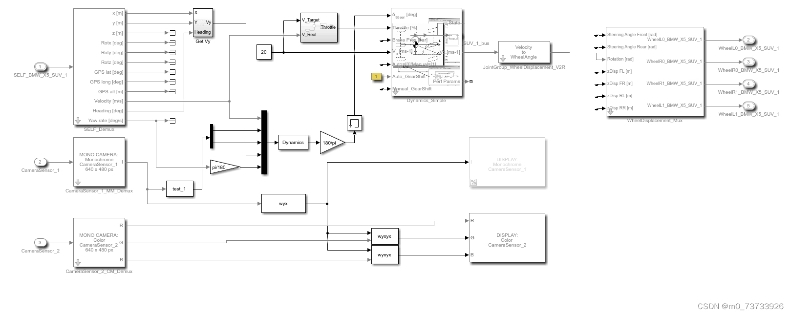
基于PreScan的车道线识别算法与循迹控制,其中车道线识别算法通过采集单目摄像头数据,Ransac算法提取车道线;采用MPC/LQR控制器实现车道保持与循迹控制(MPC/LQR)。
内附PreScan与Simulink模型,有相关报告和参考文献,模型是自己做的,提供技术帮助

ID:91180669523391859
WYX2022
最后
以上就是霸气外套最近收集整理的关于基于PreScan的车道线识别算法与循迹控制 基于PreScan的车道线识别算法与循迹控制,其中车道线识别算法通过采集单目摄像头数据的全部内容,更多相关基于PreScan的车道线识别算法与循迹控制内容请搜索靠谱客的其他文章。
本图文内容来源于网友提供,作为学习参考使用,或来自网络收集整理,版权属于原作者所有。
发表评论 取消回复