Toggle navigation
首页
博客
下载
AI
科技
互联网
会员
中心
会员中心
发布资讯
发布博文
发布资源
首页
文章中心
数电
数电之“计数器”
222 阅读
0 评论
147 点赞
我是
靠谱客
的博主
殷勤小海豚
,这篇文章主要介绍
数电之“计数器”
,现在分享给大家,希望可以做个参考。
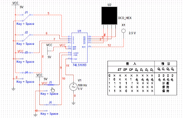
计时器分类:
异步计数器
同步计数器
区别:
最后
以上就是
殷勤小海豚
最近收集整理的关于
数电之“计数器”
的全部内容,更多相关
数电之“计数器”
内容请搜索靠谱客的其他文章。
本图文内容来源于网友提供,作为学习参考使用,或来自网络收集整理,版权属于原作者所有。
点赞(
147
)
本文分类:
数电
浏览次数:
222
次浏览
发布日期:2023-05-30 16:06:02
本文链接:
https://www.kaopuke.com/article/k-p-k_14_ujogfz_14__23__14_w.html
相关文章
时序逻辑电路的设计(一) -- 模10的计数器电路(附Multisim)
【数电实验】移位寄存器与计数器实验四 移位寄存器与计数器
二、11【FPGA】时序逻辑电路——计数器前言理论学习实战演练
数电:计数器
数电之“计数器”
门电路计数器0. 相关概念1. 异步二进制计数器2. 同步二进制计数器3. 非二进制计数器4. 环形计数器
组合逻辑2
桂电 数电实验 期末考试 试卷+解析(74LS192 + 74LS153 + 74LS139 + 74LS00 / 74LS20)考试注意事项A卷 74LS192 + 74LS00B卷 74LS153 + 74LS00 / 74LS20 + 74LS139 C卷 74LS153 + 74LS00 / 74LS20 + 74LS139课程感悟
评论列表
共有
0
条评论
发表评论
取消回复
登录
注册新账号
立即
投稿
返回
顶部
发表评论 取消回复