目录
- 0. 相关概念
- 1. 异步二进制计数器
- (1) 加计数
- (2) 减计数
- 2. 同步二进制计数器
- (1) 加计数
- (2) 减计数
- 3. 非二进制计数器
- 4. 环形计数器
- (1) 基本环形计数器
- (2) 扭环形计数器
0. 相关概念
计数进位:递增计数器的低位计满后激励高位触发器翻转的操作。
自启动:电路进入某一无效状态,在时钟脉冲的作用下,电路自动返回至有效状态循环中来。
模:状态图里一个循环里的状态数。
模n计数器 = n进制计数器
N位二进制计数器 的模为 2 n 2^n 2n
n个触发器,模最大为 2 n 2^n 2n
计数器的功能:分频、定时。
1. 异步二进制计数器
- 优点:电路简单。
- 缺点:运行速度慢;不能在较高的计数脉冲频率下正常工作。
(1) 加计数

(2) 减计数

2. 同步二进制计数器
-
优点:运行速度快。
-
缺点:电路复杂。
(1) 加计数

以T触发器为基础设计,再用其他触发器构成T触发器
(2) 减计数
3. 非二进制计数器

4. 环形计数器
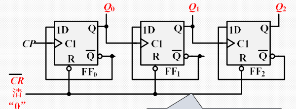
(1) 基本环形计数器
模 = 触 发 器 个 数 模 = 触发器个数 模=触发器个数
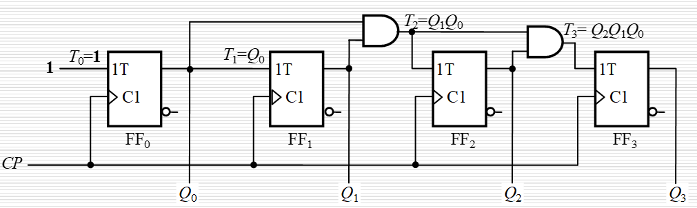
(2) 扭环形计数器
模 = 2 × 触 发 器 个 数 模 = 2 times 触发器个数 模=2×触发器个数
不必译码就能直接输出四个状态的信号
扭环形计数器
电路的状态等于触发器的二倍
非二进制计数器
几进制,模为几
最后
以上就是儒雅汉堡最近收集整理的关于门电路计数器0. 相关概念1. 异步二进制计数器2. 同步二进制计数器3. 非二进制计数器4. 环形计数器的全部内容,更多相关门电路计数器0.内容请搜索靠谱客的其他文章。
发表评论 取消回复