Ⅳ、数据选择器与分配器
一、数据选择器(MUX)
1、74LS153
双四选一多路选择器

(1)、内部结构

(2)、功能

(3)、应用
用四选一选择器实现函数F(X,Y,Z)=∑(1,2,3,4,5,6)


(4)、74LS15八选一
用两片74LS153实现

二、数据分配器

内部结构

Ⅴ、译码器和编码器
一、译码器
多输入多输出的组合逻辑部件。对具有特定含义的输入代码进行翻译,将其转换成相应的输出信号。
1、常用译码电路
二进制译码器
二-十进制译码器
数字显示译码器
(1)、二进制译码器
①、2:4译码器,74LS139


②、3:8译码器,74LS138

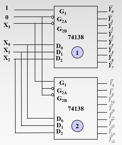
Note 1:G2=G2A+G2B
③、4:16译码器,74LS154
两片74LS138组成
使能端作用:
使输入端稳定后再送到输出端
拓展逻辑功能
2、二-十进制译码器
74LS42
3、数字显示译码器
74LS48
作用:驱动七段发光二极管




二、编码器
将某种代码或电位信号转换成二进制码输出的电路
任意时刻只允许一个输入信号为有效信号
74LS148
具有优先级的编码器
实质:允许多个有效信号输入,输出只对优先级别高的信号编码


三、数据比较器与加法器
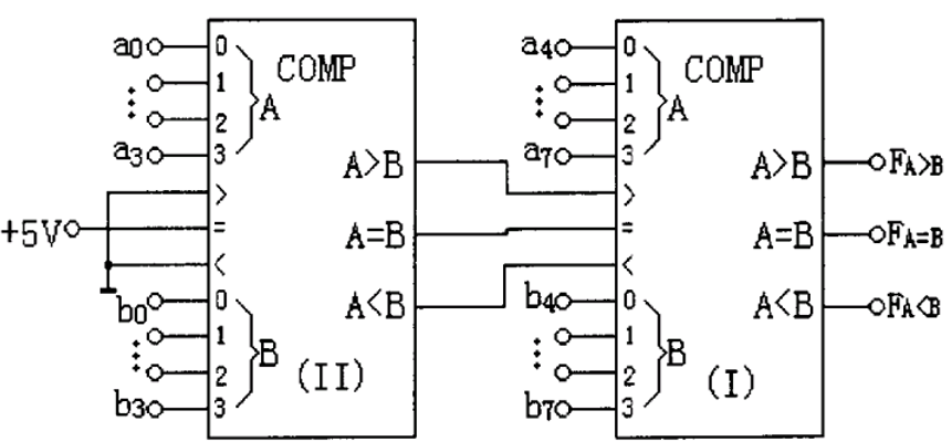
1、74LS85:四位比较器

两片74LS85构成八位数字比较器

2、加法器
(1)、半加器
两个一位二进制数相加,并能向高位进位的逻辑电路

(2)、全加器
实现两个一位二进制数相加的同时,再加上低位进位的逻辑电路
Si=Ai⊕Bi⊕Ci-1
Ci=AiBi+(Ai⊕Bi)Ci-1

(3)、串行加法器
多个FA串行连接

问题:最终和的输出要等待进位的逐级上传,速度低
(4)、并行加法器
74LS283,四位超前进位并行加法器
将字长n位分成若干组,组内采用超前进位,组间采用串行进位

Ⅶ、奇偶校验器
奇校验:加上校验位使得1的个数为奇
偶校验:加上校验位使得1的个数为偶
74LS280

小结:
数据选择器:通过控制信号完成多选一
数据分配器:通过控制信号完成输入信号的分配
译码器:将给定的二进制编码转换成对应的输出信号
编码器:将给定信号转换成二进制编码
数据比较器:按位比较两串二进制数大小
加法器:完成加法
奇偶校验器:对二进制串进行校验,检测是否有错误
最后
以上就是沉默洋葱最近收集整理的关于组合逻辑2的全部内容,更多相关组合逻辑2内容请搜索靠谱客的其他文章。
发表评论 取消回复