题: 设计一个可控进制的计数器, 当输入控制变量M=0时工作在5进制; M=1时工作在15进制.
分析:
根据之前博客中的分析, 我们可以通过两种方法来进行设计.
设计方案1:
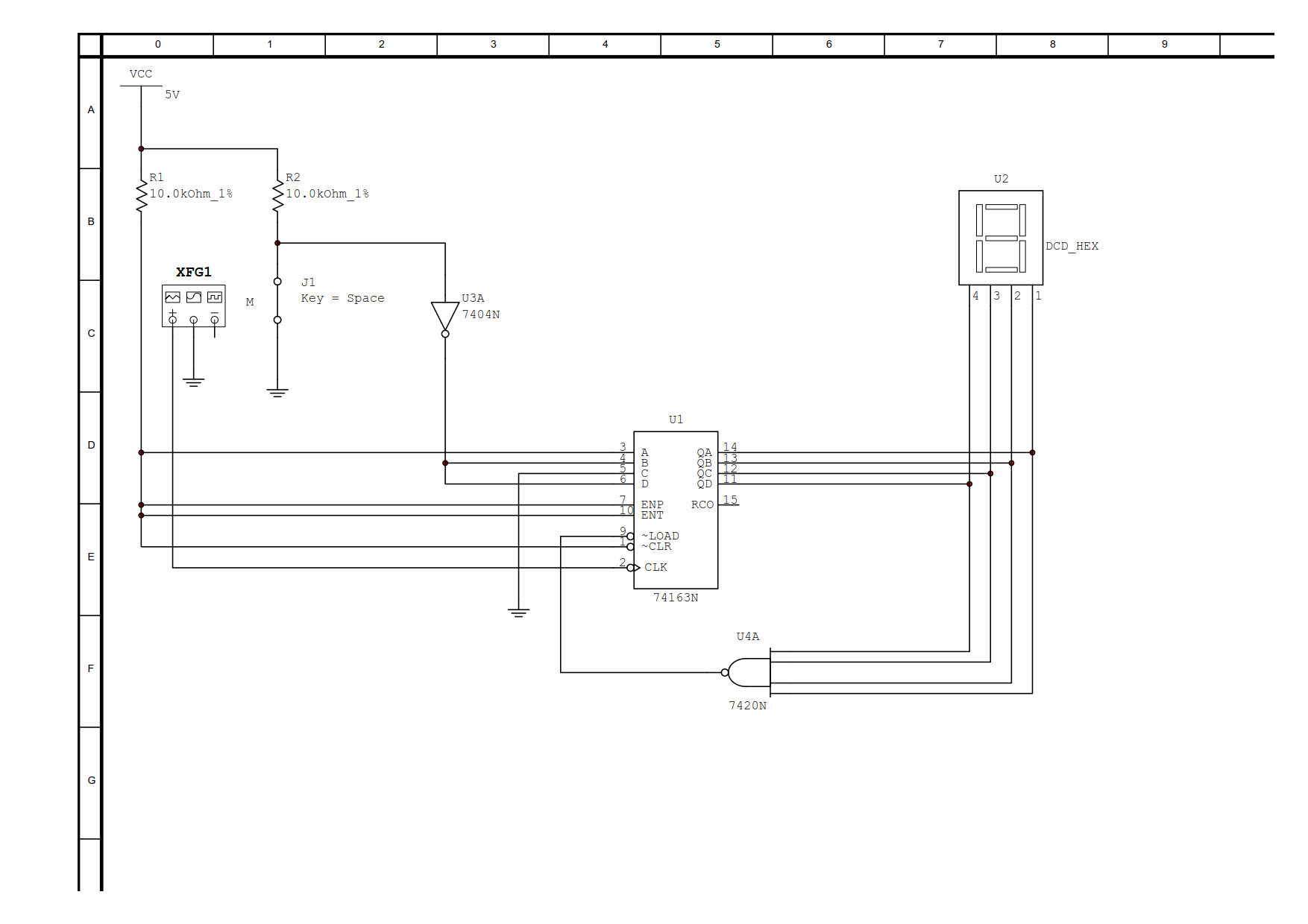
我们可以通过设计74163的四个输入引脚DCBA, 再辅以LOAD'引脚的设计, 来实现可控进制计数器的功能.
将控制变量设定为M: 规定M=0时计数器工作在5进制, M=1时计数器工作在15进制.
当电路状态到达1111时, 触发LOAD'引脚预置数功能: 即将Q3Q2Q1Q0四个引脚分别接到四输入与非门的四个输入端, 该逻辑门的输出接到LOAD'引脚.
当M=0时, 共有1011、1100、1101、1110、1111五个计数状态; 当M=1时, 共有0001、0010、0011、0100、0101、0110、0111、1000、1001、1010、1011、1100、1101、1110、1111十五个计数状态. 由分析, 当M=0时, DCBA=1011; 当M=1时, DCBA=0001. 由此得到下面的真值表.
| M | D | C | B | A |
|---|---|---|---|---|
| 0 | 1 | 0 | 1 | 1 |
| 1 | 0 | 0 | 0 | 1 |
从上面的真值表中, 可得到 D=M', C=0, B=M', A=1.
将上面的分析转换为电路的设计, 得到电路的逻辑图.

设计方案2:
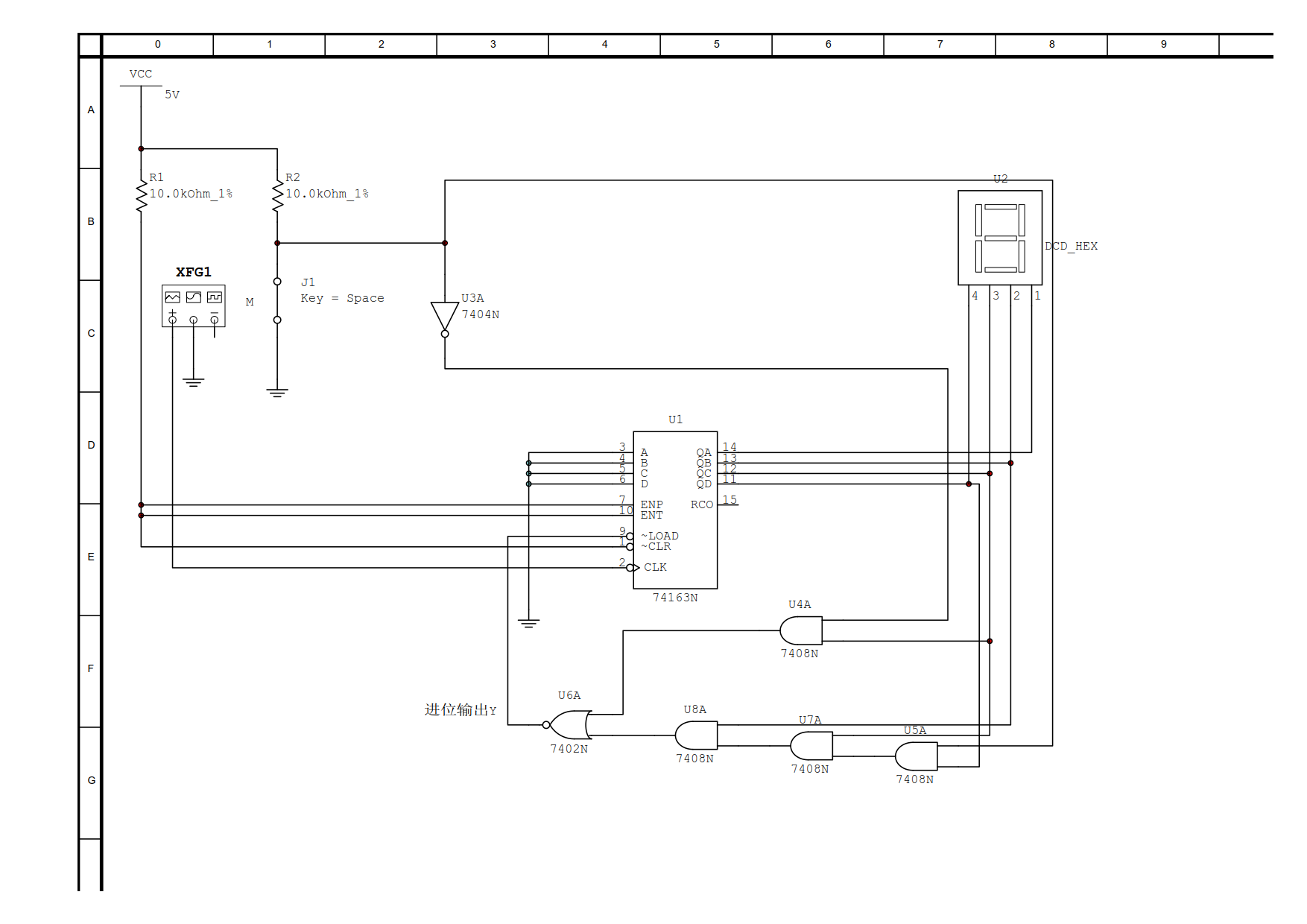
我们还可以通过直接设计LOAD'引脚来实现可控进制计数器的功能.
将控制变量设定为M: 规定M=0时计数器工作在5进制, M=1时计数器工作在15进制.
将四个输入引脚DCBA置为0000.
当M=0时, 工作在5进制, 则一共有0000、0001、0010、0011、0100五个计数状态; 当M=1时, 工作在15进制, 则一共有0000、0001、0010、0011、0100、0101、0110、0111、1000、1001、1010、1011、1100、1101、1110十五个计数状态. 再由同步置数法的设计准则可知, 当M=0时, LOAD'引脚在电路状态为0100时为0; 当M=1时, LOAD'引脚在电路状态为1110时为0. 根据此处的分析, 得到下面的LOAD'引脚设计真值表. 补充说明一下, 除了上述两种使得LOAD'=0的情况外, 其它情况下的LOAD'均为1.
| M | Q3 | Q2 | Q1 | Q0 | LOAD' |
|---|---|---|---|---|---|
| 0 | 0 | 1 | 0 | 0 | 0 |
| 1 | 1 | 1 | 1 | 0 | 0 |
由上述真值表, LOAD=M'Q3'Q2Q1'Q0'+MQ3Q2Q1Q0', 则LOAD'=(M'Q3'Q2Q1'Q0'+MQ3Q2Q1Q0')'. 这样得到的表达式虽然正确, 但不是最简形式, 我们按照74163的计数规律, 化简LOAD'的逻辑表达式.
由74163的计数规律(积攒设计经验后方可直接得出), LOAD'=(M'Q2+MQ3Q2Q1)'.
按照上述分析绘制电路的逻辑图.

设计总结:
要想设计可控进制的计数器, 必须要先将74160/74163的基本功能彻底掌握, 再须熟练掌握74160/74163同步置数法的设计准则. 有了这两部分的基础, 才能较轻松得设计出可控进制得计数器.
还有一种设计方法要熟练掌握——真值表量化设计法. 相信很多朋友在进行比如上面第一种方案中的DCBA引脚的设计时, 会一直跟着感觉设计, 即没有严格的理论依据——这是不可取的(我也相信很多朋友在设计如74138/74151扩展级联电路时也是跟着感觉一直走). 要想提升设计效率和设计准确率, 必须能将实际问题中输入与输出的对应体现在一张真值表中, 这需要大家多多积攒动手设计电路的经验.
最后
以上就是失眠鸡翅最近收集整理的关于※以一片74163(同步十六进制加法计数器)为核心部件设计可变进制(两种进制选择)计数器的全部内容,更多相关※以一片74163(同步十六进制加法计数器)为核心部件设计可变进制(两种进制选择)计数器内容请搜索靠谱客的其他文章。
发表评论 取消回复