Toggle navigation
首页
博客
下载
AI
科技
互联网
会员
中心
会员中心
发布资讯
发布博文
发布资源
首页
文章中心
数字电路
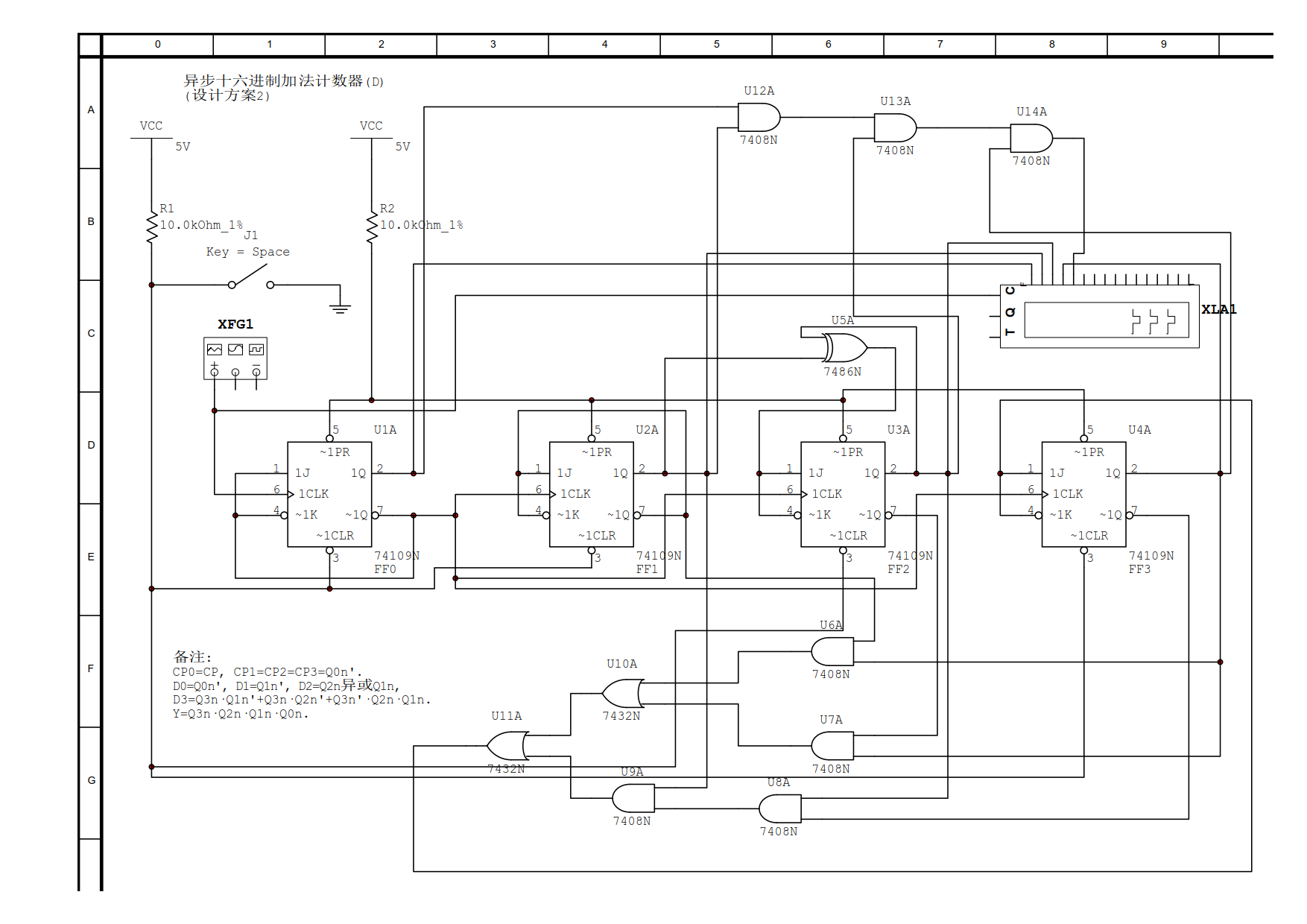
异步十六进制加法计数器(D⬆)(设计方案2)
259 阅读
0 评论
171 点赞
我是
靠谱客
的博主
眯眯眼大象
,这篇文章主要介绍
异步十六进制加法计数器(D⬆)(设计方案2)
,现在分享给大家,希望可以做个参考。
最后
以上就是
眯眯眼大象
最近收集整理的关于
异步十六进制加法计数器(D⬆)(设计方案2)
的全部内容,更多相关
异步十六进制加法计数器(D⬆)(设计方案2)
内容请搜索靠谱客的其他文章。
本图文内容来源于网友提供,作为学习参考使用,或来自网络收集整理,版权属于原作者所有。
点赞(
171
)
本文分类:
数字电路
浏览次数:
259
次浏览
发布日期:2023-05-30 14:39:01
本文链接:
https://www.kaopuke.com/article/k-p-k_14_ujogfy_12__7__10_z.html
相关文章
用quartus II作一个异步复位,同步使能,自动加载型16位二进制加法计数器
计数器——Verilog HDL语言任务要求相关知识编程要求源代码
※以一片74163(同步十六进制加法计数器)为核心部件设计可变进制(两种进制选择)计数器
51单片机实验——十六进制计数器1.实验题目:2.KEIL代码3.Protues仿真图
异步十六进制加法计数器(D⬆)(设计方案2)
【verilog_9】: 设计16位二进制计数器,带异步复位、同步使能、同步装载、同步清零、同步置位2.设计16位二进制计数器,带异步复位、同步使能、同步装载、同步清零、同步置位
华为笔试题--七进制和十进制之间的相互转换题目核心即七进制和十进制之间的相互转换
四位十进制计数器verilog_计数器及其应用
评论列表
共有
0
条评论
发表评论
取消回复
登录
注册新账号
立即
投稿
返回
顶部
发表评论 取消回复