一 .4位加器的门级建模
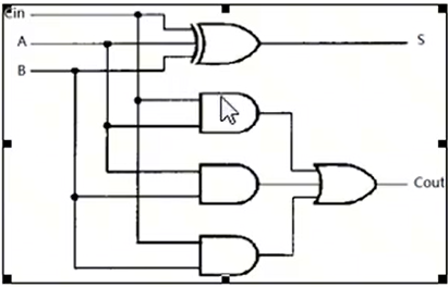
1.电路结构如图:

2.编写代码:module fulladd(S,Cout,Cin,A,B);
output S,Cout;
input Cin,A,B;
wire and1,and2,and3,and4;
xor (S,Cin,A,B);
and (and1,Cin,A);
and (and2,A,B);
and (and3,Cin,B);
or (Cout,and1,and2,and3);
endmodule
module add4a(S3,S2,S1,S0,COUT,CIN,X3,X2,X1,X0,Y3,Y2,Y1,Y0);
output COUT,S3,S2,S1,S0;
input CIN, X3,X2,X1,X0,Y3,Y2,Y1,Y0;
wire c0,c1,c2;
fulladd add0(.S(S0), .Cout(c0), .Cin(CIN), .A(X0), .B(Y0));
fulladd add1(.S(S1), .Cout(c1), .Cin(c0), .A(X1), .B(Y1));
fulladd add2(.S(S2), .Cout(c2), .Cin(c1), .A(X2), .B(Y2));
fulladd add3(.S(S3), .Cout(COUT), .Cin(c2), .A(X3), .B(Y3));
endmodule
module add4(S,COUT,CIN,X,Y);//ËÄλȫ¼ÓÆ÷
output COUT;
output [3:0] S;
input CIN;
input [3:0]X,Y;
wire c0,c1,c2;
fulladd add0(.S(S[0]), .Cout(c0), .Cin(CIN), .A(X[0]), .B(Y[0]));
fulladd add1(.S(S[1]), .Cout(c1), .Cin(c0), .A(X[1]), .B(Y[1]));
fulladd add2(.S(S[2]), .Cout(c2), .Cin(c1), .A(X[2]), .B(Y[2]));
fulladd add3(.S(S[3]), .Cout(COUT), .Cin(c2), .A(X[3]), .B(Y[3]));
endmodule
3.测试代码:module tadd4;
reg [3:0] x,y;
reg cin;
wire [3:0] s;
wire cout;
add4 myadd4(.S(s),.COUT(cout),.CIN(cin),.X(x),.Y(y));
initial
begin
cin<=0;x<=11;y<=2;
#10 cin<=0;x<=9;y<=6;
#10 cin<=0;x<=9;y<=7;
#10 cin<=1;x<=11;y<=2;
#10 cin<=1;x<=9;y<=6;
#10 cin<=1;x<=9;y<=7;
#10 $stop;
end
endmodule
4.用quartus II 进行编译代码并生成测试文件,改写测试文件,调用modelsim进行仿真。
5.
6.点击star,生成Test bench文件,并改写。
7.调用modelsim开始仿真,仿真结果如图:
二.quartus ii 和modelsim联合仿真
1.测试代码:
module fulladd(sum,c_out,a,b,c_in);
output sum,c_out;
input a,b,c_in;
wire s1,c1,c2;
xor (s1,a,b);
and (c1,a,b);
xor (sum,s1,c_in);
and (c2,s1,c_in);
or (c_out,c2,c1);
endmodule
2.测定代码编写:
module fulladd(sum,c_out,a,b,c_in);
output sum,c_out;
input a,b,c_in;
wire s1,c1,c2;
xor (s1,a,b);
and (c1,a,b);
xor (sum,s1,c_in);
and (c2,s1,c_in);
or (c_out,c2,c1);
endmodule
3.用quartus ii编译代码成功后,并点击star生成test bench。
4.编写test bench文件,代码如上。
5.调用modelsim进行仿真
6.仿真结果如下:

最后
以上就是细腻铅笔最近收集整理的关于4位加器的门级建模和quartus ii和modelsim联合仿真的全部内容,更多相关4位加器的门级建模和quartus内容请搜索靠谱客的其他文章。
发表评论 取消回复