作为学习FPGA的小白一枚,总是在看论文的时候发现大牛们的内容中包含逻辑设计图也就是门电路的截图,而我自己在学习的时候看正点原子或者野火视频的时候没有发现这一部分(也有可能有,但我没全部看完系列视频,所以也就没发现),就上网搜索了这一部分内容,打算写篇小内容记录下来,主要是担心自己遗忘,有需要的同学也可以看看我这篇内容哦~
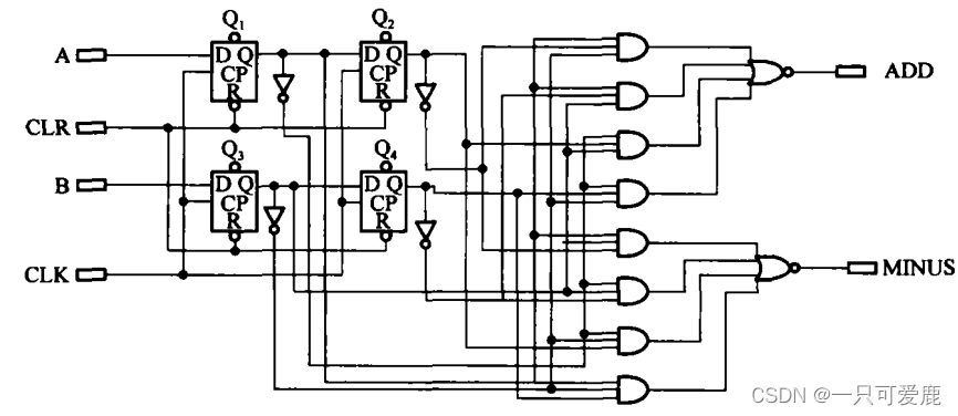
首先,根据我要做的东西,在老师的论文中找到了需要设计的门电路图。

接下来是对在Quartus II 13.1软件内的操作步骤进行记录。
1.在新建完工程之后点击File->new->Design Files->Block Diagram/Schematic File

2.进入以下界面。

3.点击左上角Symbol Tool,点击primitives->logic->and2,这里我是以与门进行举例,需要什么器件就选择什么,选定之后点击OK,然后点击鼠标放置到界面内就可以了。

友情提示:Orthogonal Node Tool导线,引脚名称可通过双击进行修改。
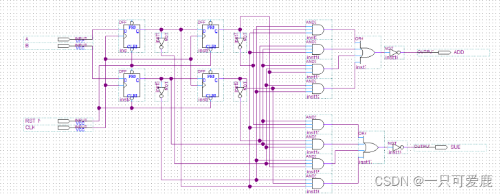
最终我的逻辑设计图就搭建完成了~

最后
以上就是平常招牌最近收集整理的关于FPGA-Quartus II 13.1画逻辑门电路图的详细步骤的全部内容,更多相关FPGA-Quartus内容请搜索靠谱客的其他文章。
本图文内容来源于网友提供,作为学习参考使用,或来自网络收集整理,版权属于原作者所有。
发表评论 取消回复