我是靠谱客的博主 魔幻砖头,这篇文章主要介绍用labview设计jk触发器_同步时序电路的设计 || 难点 非重点 || 数电,现在分享给大家,希望可以做个参考。

同步时序电路的设计 || 难点 非重点 || 数电

ta真的是个难点,学得让人晕。

但是当你理解了之后其实并不难。

7e1d82d248bee61faf23782006aac6fb.png

还是通过例子来理解以上步骤。

例1

23192880dca7a3eb0dc414899293aae3.png

d4c54ff19c5b4048dcbdbcf89fd02050.png

cf34329bf17f5a763cfe4b3a3c514a8f.png

13cb6674df1228c936779b63fabb91b5.png

下图是第四步,选择触发器类型,求驱动方程和输出方程,这里加一点说明,

输出方程可以直接通过状态表中分离出卡诺图进行化简得到;

而驱动方程的获得要稍微复杂一点,需要通过触发器的输入表,来确定状态表中状态转换所需要的输入。

什么是输入表?如下图蓝字下面所示,每个输入表的左边两列表示触发器从原状态到新状态的状态转换情况,右边为对应某一特定状态转换,所需要的驱动信号。

d8c8617449042aa0206da05573455add.png

看下图,对照状态表和JK触发器的输入表,可列出驱动方程J和K的卡诺图,以及输出Z的卡诺图。

利用状态表中的蓝色部分,可以得到J1和K1的卡诺图,利用状态表中的红色部分,可以得到J0和K0的卡诺图。方法如下:

对应状态表的第一行,原状态为00,

当X=0时,新状态为00,(Q1和Q0由00变为00,即Q1:0→0,Q0:0→1)

根据JK触发器的输入表,在J1和K1的卡诺图相应方格中分别填入0和x,在J0和K0的卡诺图相应方格中分别填入0和x。

当X=1时,新状态为01,(Q1和Q0由00变为01)

根据JK触发器的输入表,在J1和K1的卡诺图相应方格中分别填入0和x,在J0和K0的卡诺图相应方格中分别填入1和x。

043f73d48b41263e9d22eb349184c798.png

依此类推,填完卡诺图,就得到了各个输入端J1、K1、J0、K0的表达式,如下图。

6f45f7148a3741c61b7083a9195940c3.png

除了通过触发器输入表和卡诺图求得驱动方程外,我们还可以利用状态表,求出状态方程,然后根据状态方程再求得驱动方程。下面用这个方法来求上面例子的驱动方程。

首先,根据下图左边状态表的蓝色部分画出右侧的Q1(n+1)卡诺图如图所示,为了便于求得驱动方程,在卡诺图化简时,考虑化简得到的表达式和JK触发器的特性方程一致。

因此,卡诺图画圈时,应把Q1n=0的所有方格划分为1个区域,把Q1n=1的所有方格划分为另1个区域,在每个区域内分别化简。

在下面的卡诺图中,上面两行四个方格构成了Q1n=0的区域,下面两行四个方格构成了Q1n=1的区域.化简得到Q1(n+1)的表达式,然后与JK触发器的特性方程相比较,得到最后的J端与K端的驱动方程。

bb4be7278637066363b911740a88efc2.png

对于Q0的处理也是相同的,

0ad1207ba90966fab54b59ff507dd846.png

4e67e39b7192d4d7e5d9e3c9e82890c2.png

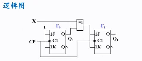
根据求得的驱动方程和输出方程,可得到下图的逻辑图。

013217fbf3aab9838f1e18192f07f582.png

例2

d467ce4d734ca09225fad609cd918a01.png

7f9d4289785b8f7f9b143ca0bb6e24ae.png

76abc9ae27e1a90fe01cfcb79ffac360.png

a41cc4e0575969064662f3926d4bf996.png

以上。

丢题目,

ccf526b72bbfe404d4027fe58355dbac.png

视频:MOOC-数字逻辑电路-第七单元 时序逻辑电路(2)-同步时序电路的设计

最后

以上就是魔幻砖头最近收集整理的关于用labview设计jk触发器_同步时序电路的设计 || 难点 非重点 || 数电的全部内容,更多相关用labview设计jk触发器_同步时序电路的设计内容请搜索靠谱客的其他文章。

本图文内容来源于网友提供,作为学习参考使用,或来自网络收集整理,版权属于原作者所有。
点赞(175)

评论列表共有 0 条评论

立即
投稿
返回
顶部