数字逻辑期末复习目录
主要以题型为主,第一部分开关逻辑不讲,是最基础的,如果不会的话,推荐大家可以去看看B站“数字逻辑电路教程”
讲的挺好的。
文章目录
- 数字逻辑期末复习目录
- 第二部分组合逻辑
- 2.1 组合逻辑分析
- 2.2 组合逻辑的竞争和冒险
- 2.2.1 代数法
- 2.2.2 卡洛图法
- 2.3 组合逻辑设计
- 2.4 数据选择器
- 2.5 译码器
- 第三部分 时序逻辑
- 3.1 锁存器
- 3.2 触发器
- 3.3 计数器
- 3.4 同步时序逻辑分析
- 3.5 同步时序逻辑设计
- 第四部分 存储逻辑
- 第五部分 数字系统技术
- 题型一 ASM流程图
- 题型二:小型控制器设计
第二部分组合逻辑
2.1 组合逻辑分析
分析步骤:
(1)根据逻辑电路写逻辑函数表达式
(2)运用代数方法(卡洛图常用)对逻辑表达式化简
(3)根据逻辑表达式列真值表
(4)根据真值表分析逻辑功能
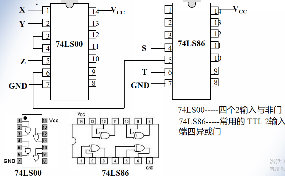
例题1:分析如下电路

解:(1)根据逻辑电路写逻辑函数表达式

(2)运用代数方法(卡洛图常用)对逻辑表达式化简

(3)根据逻辑表达式列真值表

(4)根据真值表分析逻辑功能
当A和B当中有一个为1时,F为1。
例题2:分析如下电路,并确定当ABC为何值时F=1

解:(1)根据逻辑电路写逻辑函数表达式

(2)运用代数方法(卡洛图常用)对逻辑表达式化简

(3)根据逻辑表达式列真值表

(4)根据真值表分析逻辑功能
当ABC取值为:001,010,011,100,101时,F为1
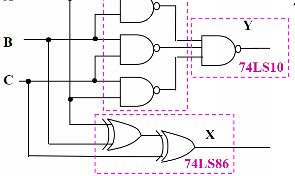
例题3:写出下列电路对应的逻辑函数

答案:
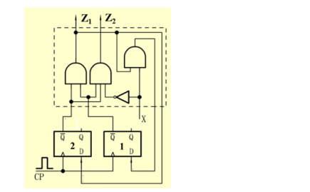
例题4:分析如下电路的逻辑功能

解:(1)根据逻辑电路写逻辑函数表达式

(2)运用代数方法(卡洛图常用)对逻辑表达式化简
该题很简单,所以省略了这步
(3)根据逻辑表达式列真值表

(4)根据真值表分析逻辑功能
功能:一位比较器,Z1表示A<B,Z2表示A>B,Z3表示A=B
例题5:分析如下的电路功能

解:(1)根据逻辑电路写逻辑函数表达式

(2)运用代数方法(卡洛图常用)对逻辑表达式化简
(3)根据逻辑表达式列真值表

(4)根据真值表分析逻辑功能
功能:四选一选择器
例题6:分析如下的电路功能

解:(1)根据逻辑电路写逻辑函数表达式

(2)运用代数方法(卡洛图常用)对逻辑表达式化简
(3)根据逻辑表达式列真值表

(4)根据真值表分析逻辑功能
功能:检测1的个数的奇偶判别器
例题7:画出X1,X2,X3,X4以及最后输出F的数字波形图

解:
例题8:分析图P2.1所示的逻辑电路,写出表达式并进行化简

解:
(1)

(2)

例题9:分析图p2.2所示逻辑电路,其中S3,S2,S1,S0,说明F 与A,B的关系

解:

例题10:分析下图所示逻辑电路,列出真值表,说明其逻辑功能

解:(1)根据逻辑电路写逻辑函数表达式

(2)运用代数方法(卡洛图常用)对逻辑表达式化简
(3)根据逻辑表达式列真值表

(4)根据真值表分析逻辑功能
功能:四选一选择器
例题11:

解:
(1)根据逻辑电路写逻辑函数表达式

(2)运用代数方法(卡洛图常用)对逻辑表达式化简
(3)根据逻辑表达式列真值表

(4)根据真值表分析逻辑功能
功能:这是从余3码到8421BCD码的转换
例题12:

解:
(1)根据逻辑电路写逻辑函数表达式

(2)运用代数方法(卡洛图常用)对逻辑表达式化简
(3)根据逻辑表达式列真值表


(4)根据真值表分析逻辑功能
功能:由真值表可知:M=1 时,完成8421 BCD码到格雷码的转换;
M=0 时,完成格雷码到8421 BCD码的转换。
2.2 组合逻辑的竞争和冒险
判断方法:代数法和卡洛图法
2.2.1 代数法

例题1 :试判断以下逻辑表达式是否存在险象

解:(1)找出同时以原变量和反变量形式出现的变量,即A
(2)判断BC取值为多少时,表达式能够化简为


例题2:试判断以下逻辑表达式是否存在险象

解:找出同时以原变量和反变量形式出现的变量,即A和B
先分析A:

再分析B:

2.2.2 卡洛图法

例题1:试判断以下逻辑表达式是否存在险象

解:
例题2:试判断以下逻辑表达式是否存在险象
(1)

(2)

(3)

(4)

解:

2.3 组合逻辑设计
设计步骤:
(1)根据逻辑功能列真值表
(2)由真值表画卡洛图
(3)由卡洛图化简得最简表达式
(4)根据表达式画出逻辑电路图
例题1:设计一个燃油锅炉自动报警器。要求燃油喷嘴在开启状态下,如锅炉水温或压力过高时发出警报,用与非门实现
解:
(1)进行逻辑规定:
喷嘴开关、锅炉水温、压力分别用A,B,C来表示。
其中A=1表示,喷嘴处于开启状态,A=0,表示喷嘴处于关闭状态;
B=1,表示,锅炉水温过高,B=0表示,锅炉水温不高;
C=1表示,压力过高,C=0表示压力不高
报警信号用F表示,F=1表示发出警报,F=0表示不发出警报
(2)列真值表

(3)用卡洛图化简

F=AB+AC
(4)将F化为与非式

(5)画出电路图

例题2:某组合逻辑电路的输入A、B、C和输出F的波形如图所示。列出该电路的真值表,写出逻辑函数表达式,并用最少的与非门实现。

解:
(1)列出真值表

(2)画卡洛图化简


(3)化为与非式

(4)画电路图

例题3:一热水器如图所示,图中虚线表示水位, A、B、C电极被水浸没时有信号输出。水面在A、B间时为正常状态,绿灯G亮;水面在B、C间或A以上时为异常状态,黄灯Y亮;水面在C以下时为危险状态,红灯R亮。试设计实现该逻辑功能的电路

解:
(1)逻辑规定
电极被水浸泡=1;灯亮=1
(2)列真值表

(3)画卡洛图



(4)画电路图

例题4:某工厂有A、B、C三个车间,各需电力10kw,由厂变电所的X、Y两台变压器供电,其中x变压器的功率为13kw, Y变压器的功率为25kw。 为合理供电,需设计一个送电控制电路。 控制电路的输出接继电器线圈。送电时线圈通电,不送电时线圈不通电。线圈动作电压12V。(用与非门和异或门)
解:(1)逻辑规定
车间工作为1,不工作为0;送电为1,不送电为0
(2)列真值表

(2)画卡洛图化简
画出来后发现X根本化不了简,直接写出来就好了

X=

Y的卡洛图和化简


(3)画电路图

例题5:用红、黄、绿三个指示灯表示三台设备的工作情况:绿灯亮表示全部正常;红灯 亮表示有一台不正常;黄灯亮表示有两台不正常;红、黄灯全亮表示三台都不正常。列出控制电路真值表,并选出合适的集成电路来实现。
解:(1)逻辑规定
三台设备分别用A,B,C表示,其中1表示工作不正常,0表示工作正常;红、黄、绿灯分别用Y1,Y2,Y2表示,灯亮用1表示,灯不亮用0表示
(2)列真值表

(3)画卡洛图写表达式

(4)画电路图
这就大家自己画吧,挺简单的
例题6:设A,B,C 为保密锁的3个按键,当A键单独按下时,锁既不打开也不报警;只有当A,B,C或者A,B或者A,C分别同时按下时,锁才能被打开;当不符合上述组合状态时,将发出报警信息。请设计此保密锁的逻辑电路(F为开锁信号,G为报警信号)。
(1)列出真值表;
(2)用卡诺图求最简逻辑表达式;
(3)画出用与非门实现的电路图。
解:

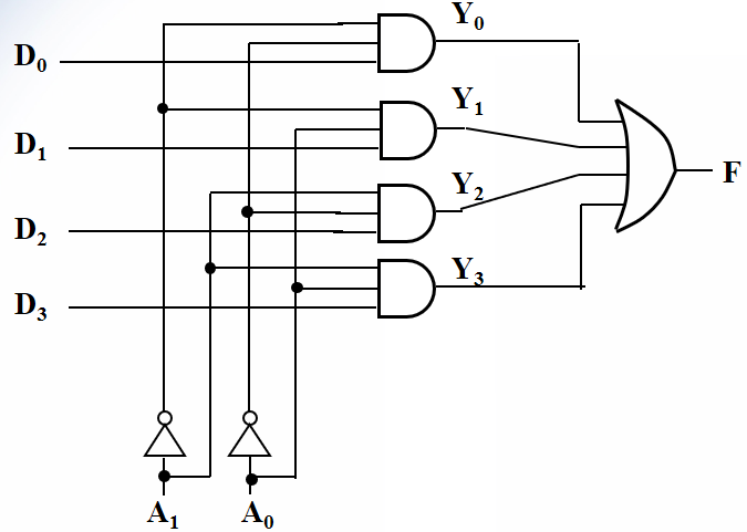
2.4 数据选择器
题型: 主要就是用数据选择器实现逻辑函数,重点就是找出Di的值为多少。以例题的形式讲解
方法:逻辑函数对照法
例题1:用四选一选择器实现函数下面函数:

解:
(1)将逻辑函数展开
由于四选一选择器是有两个地址输入,而逻辑函数有三个变量,因此要选择一个变量看做Di。我们这里选择Z变量

(2)合并,将X和Y项相同的进行合并

(3)对照
与四选一选择器的逻辑方程进行对照



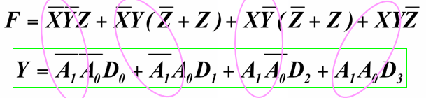
例题2:用八选一选择器实现下面逻辑函数

解:
()将逻辑函数展开

(2)合并

(3)对照



例题3:写出如图所示8选1数据选择器实现的逻辑函数的最小项表达式。

解:

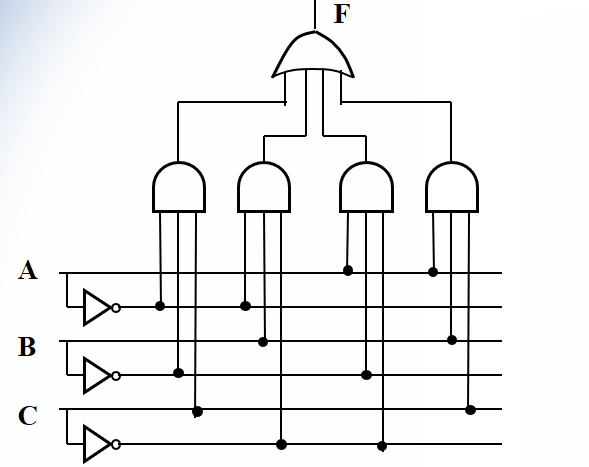
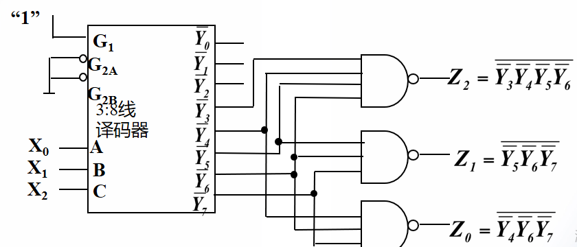
2.5 译码器
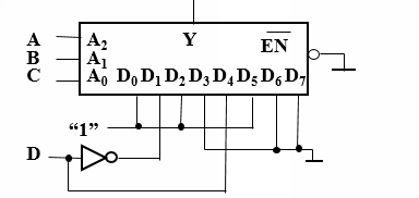
例题1:通过74LS138选择外围设备。写出每个设备的单字节地址。


解:
(1)先读A7到A3
分别为1,1,1,0,0
打印机那个Y1对应二进制数:001
所示打印机端口地址为:11100001
同理显示器端口地址为:11100101
例题2:设X、z均为三位二进制数,X为输入z为输出,要求二者之间有下述关系:
当3≤X≤6时,Z= X+1
当X<3时,Z=0,
当X>6时,Z=3
用3:8译码器实现该逻辑函数
解:
(1)写真值表

(2)写表达式


(3)画逻辑图

第三部分 时序逻辑
3.1 锁存器
主要是考察写出由门电路构成的锁存器的次态方程
题1:写出下面这个电路图的次态方程

解:

3.2 触发器
必须熟知D触发器,JK触发器,T触发器的功能
题1:电路图如下,该电路是完成什么功能的触发器

解:
(1)写出激励方程

(2)写出状态方程

通过检查发现,该方程与JK触发器的特征方程是一样的,所以该电路是完成JK触发器的功能
题2:
电路如图,写出各图的次态方程

解:(a):

(b)

题3:写出触发器的次态方程,并根据已给波形画出输出 Q 的波形。


题4:已知JK信号如图,请画出负边沿JK触发器的输出波形(设触发器的初态为0)

知识:
当J=K=0时,保持功能;
当J=1,K=0时,置1
当J=0,K=1,置0
当J=K=1,翻转
解:

题5:写出下图所示个触发器次态方程,指出CP脉冲到来时,触发器置“1”的条件。


题6:写出各触发器的次态方程,并按所给的CP信号,画出各触发器的输出波形(设初态为0)

解:

3.3 计数器
主要有三种题型:计数器的分析、计数器的设计和中规模集成计数器
一、分析题
题1:分析下面同步二进制计数器

分析步骤:
(1)写激励方程

(2)将上式代入JK触发器特征方程中,求得状态方程

(3)写出输出方程

(4)做状态表和状态图,


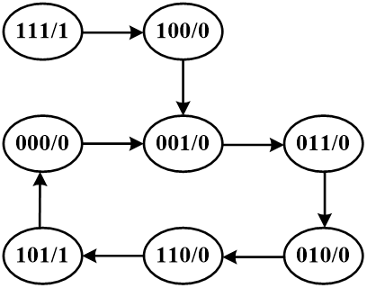
所以这就一个6进制计数器
题2:分析下图所示的同步计数器


拓展:同步二进制加法器的组成规律

题3:分析下图所示同步计数电路


二、设计题
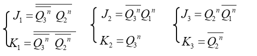
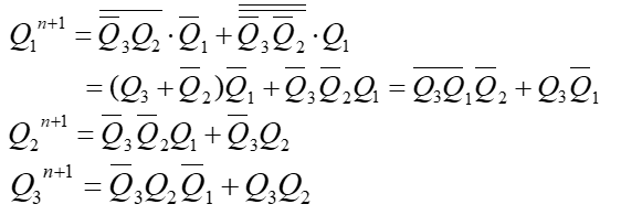
题1:用D触发器构成按循环码(000→001→011→111→101→100→000)规律工作的六进制同步计数器
解:
(1)根据题意写出真值表

(2)用卡洛图化简

(3)将状态方程代入特征方程中,解出D的值

(4)画出电路图

题2:用D触发器设计3位二进制加法计数器,并画出波形图。
解: 真值表如下
解:(1)列真值表

(2)用卡洛图化简
(3)代入特征方程中

三、中规模集成计数器

题1:若将下图接成12进制加法器,预置值应为多少?画出状态图及输出波形图。

解:
该电路用的是预置法:只要QC,QB,QA为000,就会让Q变成预置值
(1)写出加法器的真值表

(2)观察要预置成什么才能成为12进制加法器
相当于是在图中找出QC,QB,QA为000时跳到多少,能使上图只有12个元素。
因为有16个元素,想变成12进制加法器,需要一共跳过4组。即:

所以预置值应该为C=0,B=1,A=1。
(3)状态图

(4)波形图

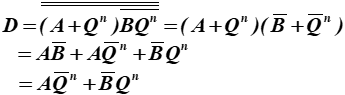
3.4 同步时序逻辑分析
分析步骤:
(1)根据逻辑电路图写激励方程和输出方程
(2)将激励方程代入触发器特征方程得到状态转换方程组
(3)根据状态转换方程组合输出方程列状态表
(4)根据状态表画状态图,根据状态图画波形图,并描述逻辑功能
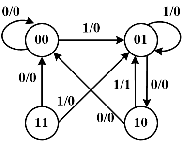
题1:分析图示电路的逻辑功能

解:(1)写激励方程

(2)代入JK触发器的特征方程,求出状态方程组



(3)列状态表

(4)画状态图

(5)描述功能:
当x=0时为二进制加法器
当x=1时为二进制减法器
题2:分析图示电路的逻辑功能

解:(1)写激励方程和输出方程



(2)代入D触发器的特征方程中,求出状态方程组

(3)根据状态方程组和输出方程画状态表

(4)根据状态表画状态图

(5)分析逻辑功能
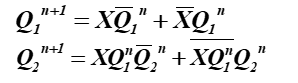
101检测器,当X=1时开始工作
题3:分析图示电路的逻辑功能

解:(1)写激励方程和输出方程


(2)将激励方程代入T触发器的特征方程中,求出状态方程组

(3)画状态表

(4)画状态图

(5)分析逻辑功能
功能:1个数的奇数判别器
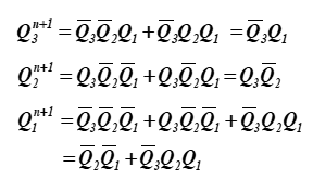
题4:分析图示电路的逻辑功能

解:(1)写激励方程和输出方程


(2)将激励方程代入JK触发器的特征方程中,求出状态方程组

(3)画状态表

(4)画状态图

(5)分析逻辑功能
功能:判断Q3和Q1是否同时为1
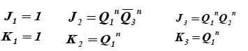
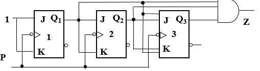
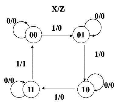
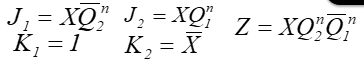
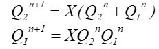
题5:分析图示电路的逻辑功能

解:(1)写激励方程和输出方程


(2)将激励方程代入JK触发器的特征方程中,求出状态方程组

(3)画状态表

(5)状态图

(6)分析功能
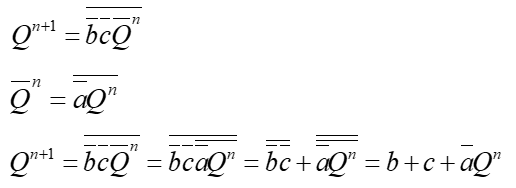
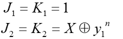
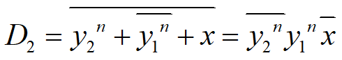
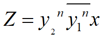
功能:7进制计数器
**时序电路分为两种:**一种是米里型(输出状态与输入状态有关)、一种是摩尔型(输出状态与输入状态无关)
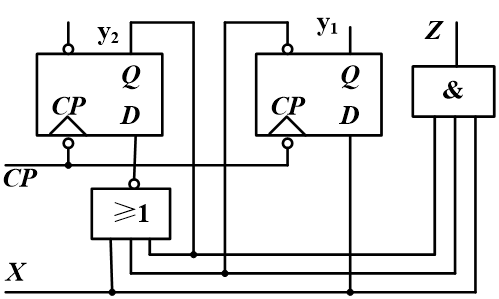
题6:已知同步时序电路如图,试分析电路逻辑功能

解:(1)根据逻辑电路图写激励方程和输出方程

(2)将激励方程代入触发器特征方程得到状态转换方程组

(3)根据状态转换方程组合输出方程列状态表

(4)根据状态表画状态图并描述逻辑功能

功能:

题7:已知同步时序电路如图,试分析电路逻辑功能

解:(1)根据逻辑电路图写激励方程和输出方程

(2)将激励方程代入触发器特征方程得到状态转换方程组

(3)根据状态转换方程组合输出方程列状态表

(4)根据状态表画状态图

3.5 同步时序逻辑设计
设计步骤:
(1)根据状态图列状态转换真值表
(2)根据状态转换真值表画卡洛图
(3)由卡洛图化简得到状态转换方程组与输出方程
(4)将状态转换方程组代入触发器的特征方程得到激励方程组
(5)根据激励方程组和输出方程画出逻辑电路图
(6)检查电路的自启动能力
题1:已知同步时序的状态转移图如下:
用JK触发器实现其逻辑功能

解:(1)根据状态图列状态转换真值表

(2)根据状态转换真值表画卡洛图

(3)由卡洛图化简得到状态转换方程组与输出方程
见上
(4)将状态转换方程组代入触发器的特征方程得到激励方程组

(5)根据激励方程组和输出方程画出逻辑电路图

题2:某计数器的输出波形如图,试确定该循环中有几个状态?列出状态转移表,画出状态转移图。若使用D触发器,写出激励方程表式。

解:(1)根据状态图列状态转换真值表

(2)得到状态转换方程组

(4)将状态转换方程组代入触发器的特征方程得到激励方程组

题3:用JK触发器设计同步5进制计数器
解:
(1)根据题意列状态转换真值表

(2)根据状态转换真值表画卡洛图
(3)由卡洛图化简得到状态转换方程组与输出方程

(4)将状态转换方程组代入触发器的特征方程得到激励方程组

(5)根据激励方程组和输出方程画出逻辑电路图

第四部分 存储逻辑
题型:存储芯片的扩展
做法步骤:
(1)查看字和位差2的几次方。算出字和位扩展所需片数。
(2)将字扩展用译码器实现,位扩展将所有的进行并联
(3)画出连线图
例题1:现有256x4的存储芯片若干,试问要组成1K x8的存储器需要芯片多少片?画出连线图。

例题2:利用256Kx8位ROM芯片设计256Kx32位只读存储器

例题3:利用1Mx4位SRAM芯片设计1Mx16位SRAM存储器。

例题4:利用256Kx4位DRAM芯片设计1Mx8位DRAM存储器。

例题5:利用1Mx8位DRAM芯片设计4Mx8位存储器

例题6:利用64Kx4位ROM芯片设计64Kx16位ROM存储器

例题7:利用1Mx8位DRAM芯片设计4Mx16位存储器

第五部分 数字系统技术
题型一 ASM流程图





题型二:小型控制器设计











最后
以上就是优雅口红最近收集整理的关于数字逻辑期末复习数字逻辑期末复习目录第二部分组合逻辑第三部分 时序逻辑第四部分 存储逻辑第五部分 数字系统技术的全部内容,更多相关数字逻辑期末复习数字逻辑期末复习目录第二部分组合逻辑第三部分内容请搜索靠谱客的其他文章。
发表评论 取消回复