现在我们手机的内存卡多为Micro SD卡,又叫TF卡,所以Micro SD卡比SD卡常见。自己曾经也想写写SD卡的读取程序,但又不想特地再去买个SD卡,这时想起手机内存卡不是和SD卡很像吗?在网上查了以后发现SD卡
和Micro SD卡其实也就大小和引脚不一样,它们的操作其实是一样的,所以网上的SD卡读写代码其实可以直接拿来用。关于SD卡和Micro SD卡的引脚定义和不同可见下两表:


我们可以发现Micro SD卡只有8个引脚是因为比SD卡少了一个Vss。当然你也可以买个卡套套在Micro SD卡上,这样一来大小就和SD卡一样大,这时候卡套上的9个引脚就和SD卡一样了,你可以完全当做SD卡来操作。
spi下电路的连接非常简单,接上电源线Vdd和地线Vss,再接上spi的CS,SCLK,DI(MOSI)和DO(MISO)就可以了,其他引脚可以 放空。注意SD卡的电源和操作电压都为2.7-3.6V,5V的单片机要进行电平转换或串电阻限流。
还有记得SD卡的CS,SCLKh和DI要用 10~100K的电阻上拉。我是套了卡套接的电路,因为Micro SD卡的引脚太密了,不好焊接,SD卡相对引脚好焊。因为没有卡座,而且也没专门的PCB我就直接焊到卡套上,诶牺牲了一个卡套。
下面是我自己画的电路 图:

上面Micro SD卡的硬件电路就好了,下面我们讲讲Micro SD卡的软件驱动和指令集。
SD卡的命令格式如下,6字节共48位,传输时最高位(MSB)先传输:

SD卡的command(命令)占6 bit,一般叫CMDx或ACMDx,比如CMD1就是1,CMD13就是13,ACMD41就是41,依此类推。Command Argument(命令参数)占4 byte,并不是所有命令都有参数,没有参数的话该位一般就用置0。
最后一个字节由7 bit CRC校验位和1 bit停止位组成。在SPI模式下,CRC是被忽略的,可以都置1或置0.但是发送CMD0时要记得加上CRC,即最后1字节为0x95(因为发送 CMD0时还未进入SPI模式,PS:CMD8也要,
但一般大家都把发送CMD8省略了)。每次发送完一次命令后,SD卡都会有回应。SD卡的回应有多种格式,1字节的R1,2字节的R2等,不过一般在SPI模式中我们只用到R1,下面介绍R1的格式:

关于SD卡SPI和command的发送要注意以下几点:
1.SD卡的SPI总线,在读入数据时SD卡的SPI是CLK的上升沿输入锁存,输出数据也是在上升沿。
2.向SD卡写入一个CMD或者ACMD指令的过程是这样的: 首先使CS为低电平,SD卡使能;其次在SD卡的Din写入指令;写入指令后还要附加8个填充时钟,是SD卡完成内部操作;之后在SD卡的Dout上接受回应;回应接受完毕使CS为低电平,再附加8个填充时钟。
3.在SD卡的Din没有数据写入时,应使Din
保持高电平。关于这一点我可吃透了苦头,本来也记得要保持高电平的,结果不知怎的鬼使神差的置0拉低了。结果程序出现了各种奇怪的貌似偶然的错误,比如连
续两次复位会有一次失败,单步调试成功全速运行又会失败。总之在这个过程中我对时序进行各种改变,每次解决一个问题后又会有新的问题出现,多少次动摇了我
对MicroSD卡和SD卡的操作是一样的这个看法。因为这个低级的错误耽误了我三四天,看来细心很重要啊!我已经不止一次因为不细心浪费大量时间了,希
望大家也引以为戒。
好了,现在SD卡的命令和回应清楚了,我们下面讲讲SD卡的复位,初始化和读写方法。
复位方法:
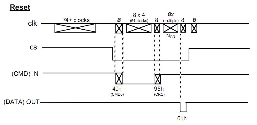
1.拉高CS,发送至少74个clk周期来使SD卡达到正常工作电压和进行同步
2.选低CS,发送CMD0,需要收到回应0x01表示成功进入idle状态
3.拉高CS,发送8个时钟
复位时序图:

初始化:
复位成功后,SD卡就进入了SPI模式,接着应该进行初始化。初始化说白了有两种方法:(1)发送CMD1,(2)发送CMD55+ACMD41。
我从网 上查的资料可以看到这种说法:如果是MMC卡就发CMD1,SD卡则发CMD55+ACMD41。但是关于Micro SD卡要发哪种却讲的不太清楚,网上用这两种方法都有人成功过,但有的都成功不了。
我自己也碰到了这种问题,刚开始拿了自己手机上的写着Nokia的 2GB的Micro SD卡(应该是杂牌的)初始化了两天也没成功,快要放弃的时候想起来为什么不换张试试呢,于是就找室友借了他的手机内存卡,
是2GB的Apacer的 Micro SD卡(当然也可能是杂牌的,室友买那卡的地方一般都是卖各种廉价电子产品的,大家都知道是杂牌的),结果一试就成功了。后来我用了令一种方法发现也可以 初始化,
也就是说两种方法都可以初始化成功。但我的那种怎么就不行呢?难道不是所有Micro SD卡都支持SPI模式。我在网上百度了半天也不能确定是不是所有Micro SD卡都支持SPI模式。
但我想,现在Micro SD卡的生产公司很多,而且你也并不能保证你的Micro SD卡不是杂牌的。你并不知道生产厂家进行了那些改变,因为确实有些厂家生产的SD卡精简了一些命令。所以初始化的时候建议两种都试一下,
不过我记得SD 卡的说明书上推荐使用第二种方法。
下面是初始化方法:
(1)使用CMD1
发送CMD1,收到0x00表示成功
时序图如下:


读多块方法:
1.发送CMD18读,收到0x00表示成功
2.连续读直到读到开始字节0xFE
3.读512字节
4.读两个CRC字节
5.如果还想读下一扇区,重复2-4
6.发送CMD12来停止读多块操作
写单块和多块:
SD卡用CMD24和CMD25来写单块和多块,参数的定义和读操作是一样的。
写单块方法:
1.发送CMD24,收到0x00表示成功
2.发送若干时钟
3.发送写单块开始字节0xFE
4.发送512个字节数据
5.发送2字节CRC(可以均为0xff)
6.连续读直到读到XXX00101表示数据写入成功
7.继续读进行忙检测(读到0x00表示SD卡正忙),当读到0xff表示写操作完成
写单块时序图:

写多块方法:
1.发送CMD25,收到0x00表示成功
2.发送若干时钟
3.发送写多块开始字节0xFC
4.发送512字节数据
5.发送两个CRC(可以均为0xff)
6.连续读直到读到XXX00101表示数据写入成功
7.继续读进行忙检测,直到读到0xFF表示写操作完成
8.如果想读下一扇区重复2-7步骤
9.发送写多块停止字节0xFD来停止写操作
10.进行忙检测直到读到0xFF
原文:http://blog.csdn.net/ming1006/article/details/7281597
转载于:https://www.cnblogs.com/einstein-2014731/p/4885382.html
最后
以上就是欣慰哈密瓜最近收集整理的关于MicroSD卡(TF卡)SPI模式实现方法的全部内容,更多相关MicroSD卡(TF卡)SPI模式实现方法内容请搜索靠谱客的其他文章。
发表评论 取消回复