目录
- 一、实验预习要求
- 二、实验目的
- 三、实验原理
- 1、4-2编码器
- 2、8-3线优先编码器74LS148
- 四、实验设备与器件
- 五、实验内容与步骤
- 六、实验报告要求
- 七、更多相关文章都在这里哦
一、实验预习要求
1、复习有关编码器的工作原理和设计方法。
2、熟悉所用集成电路的引脚功能。
2、根据实验内容,画出所需的实验线路及记录表格。
二、实验目的
1、掌握一种门电路组成编码器的方法。
2、掌握8-3线编码器74LS148的逻辑功能和使用方法。
3、学会使用实验的方法来检验所设计电路的正确性。
三、实验原理
编码是将具有特定意义信息编成二进制代码的过程,把这种具有实现编码功能的逻辑电路称为编码器。按照所需编码的不同特点和要求,编码器主要分成两类:普通编码器和优先编码器。
普通编码器:电路结构简单,一般用于产生二进制编码。在普通编码器中,任何时刻只
允许一个输入端请求编码,否则输出发生混乱。主要包括:二进制编码器(如用门电路构成的4-2线,8-3线编码器等);二-十进制编码器(将十进制的0~9编成BCD码)。
优先编码器:在优先编码器中,允许同时输入两个或两个以上的编码信号。不过在设计优先编码器时已经将所有的输入信号按优先顺序排了队,当几个输入信号同时出现时,只对其中优先权高的一个进行编码。如8-3线集成二进制优先编码器74LS148、10-4线集成BCD码优先编码器74LS147等。
1、4-2编码器
图1所示电路是一个最简单的4-2线编码器的逻辑原理图,表1为其功能表。


图1 4-2线编码器逻辑原理图
2、8-3线优先编码器74LS148
优先编码器74LS148的芯片引脚排列如图2所示,功能表如表2所示。

图2 8-3线编码器74LS148的引脚排列图

表2 8-3线编码器74LS148的功能表
四、实验设备与器件
1、TH-SZ型数字系统设计实验箱;
2、74LS04 六输入反相器,74LS10 三3输入与非门,74LS148;
3、导线/插接线若干。
五、实验内容与步骤
1、8-3线优先编码器74LS148的逻辑功能测试
将8个输入端~和选通输入端依次接拨位开关(逻辑电平输出)的输出插口,3个输出端、、、选通输出端和扩展端依次接逻辑电平显示(发光二极管)输入插口,按其功能表逐项进行测试电路的逻辑功能。
2、用74LS148设计一个1—5号的呼叫系统
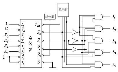
要求:分别用五个开关输出模拟呼叫信号,其中1号优先级最高,优先级依次递减,5号最低。用数码管显示呼叫信号的号码,并点亮提示指示灯,没有信号呼叫时不显示数字,相应指示灯熄灭;有多个信号呼叫时显示优先级最高的呼叫号。凡是有呼叫就发出呼叫声。试用编码器74LS148和必要的门电路来实现。
分析:由于仅需要5个输入模拟开关,故只需要74LS148的5个输入即可。为了把对应呼叫号显示出来,通过对74LS148功能表的分析可知,将开关K1~K5依次接到~输入端上,此时输入端依次为0时,其输出分别为001、010、011、100、101,正好对应呼叫信号代码1、2、3、4、5,把输出、、、依次接到数码显示输入端DCBA上可显示其呼叫信号代码。接蜂鸣器,响声代表有呼叫信号。设L1~L5代表输出的5个指示灯,高电平点亮,可得L1~L5与、、的逻辑真值表如表4所示。

表4 逻辑真值表
从表中可得,L1~L5的逻辑函数式分别为
;
;
;
;
。
呼叫系统设计电路如图5所示。

图5 1-5号呼叫系统设计原理图
六、实验报告要求
1、验证各译码器的功能,观察、比较各芯片驱动数码管的显示结果。
2、画出所设计1-5号呼叫系统的详细连接线路图,并加以验证。
4、总结实验收获和体会。

1

2

3

4

5
七、更多相关文章都在这里哦
数字电子技术基础(全套实验手册及仿真工艺实习)
通信工程(信息类,电子类,电气工程,自动化,计算机,软件工程,机电,等相关专业)全套学习指导
持续更新中~~~~~~

答疑资料qq群:1007576722
最后
以上就是甜美大白最近收集整理的关于实验二 编码器及其应用一、实验预习要求二、实验目的三、实验原理四、实验设备与器件五、实验内容与步骤六、实验报告要求七、更多相关文章都在这里哦的全部内容,更多相关实验二内容请搜索靠谱客的其他文章。
发表评论 取消回复