同步时序逻辑电路的设计,就是根据逻辑问题的具体要求,结合同步时序逻辑电路的特点,设计出能够实现该逻辑功能的最简同步时序电路。
同步时序逻辑电路中含有组合逻辑电路部分和存储电路部分,组合电路的设计在之前已作介绍.本节主要介绍存储电路部分的设计。存储电路部分主要用到的是触发器。
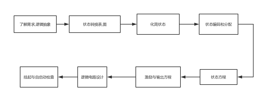
设计方法
同步时序逻辑电路的设计的过程表示如下:

需求分析
根据电路的设计要求,确定输入量和输出量,并且定义输入和输出量逻辑值的含义,用字母表示出这些变量,例如输入量用X表示,输出量用Y或Z等表示。
确定状态
根据设计要求,确定系统的原始状态数,用字母表示出这些原始状态,例如用Sm来表示(m为0、1、2…)。找到原始状态Sm之间的转换关系,作出在各种输入条件下状态间的转换图或状态转移表,标明输入和输出的逻辑值。
状态化简
在建立原始状态数时,主要是反映逻辑电路设计的要求,定义的原始状态图可能比较复杂,含有的状态数也较多,也可能包含了一些重复的状态。在设计中是要用最少的逻辑器件达到设计要求,如果逻辑状态较多,相应用到的触发器也就多,设计的电路就较复杂。为此,应该对原始状态进行化简,消去多余的状态,从而得到最简化的状态转换图。
状态的化简就是进行状态合并。用一个状态代替与之等价的状态。逻辑状态等价的依据是:
1. 状态Si、Sj,在相同的输入条件下,状态Si、Sj对应的输出结果相同;
2. 状态Si、Sj,在相同的输入条件下,状态Si、Sj转移效果完全相同。
满足上述两个条件的状态,就是等价状态,可以将这些等价状态合并为一个状态。
状态Si、Sj转移效果相同的情况可能有以下三种情况:
(相同输入/输出组对应的)次态相同
状态Si、Sj,在所有相同的输入条件下,转移到相同的次态,则状态Si、Sj转移效果相同,可以进行状态合并。下图说明了两个状态在相同的输入条件下次态相同的情况,用[Si ,Sj]来表示状态Si、Sj的等价,称为一个等价类,Si和Sj可以合并为一个状态。

等价关系的传递性
等价关系具有传递性.如图所示,S1、S3在相同的输入条件下分别转移到S2和S4状态,它们的输出也相同,而S2和S4在相同的输入条件下转移到相同的次态S5,输出也相同,S2和S4是等价状态,所以S1和S3也是等价的,可以合并。用[S1,S3]来表示状态S1、S3的等价,S1和S3是一个等价类。用[S2,S4]来表示状态S2、S4的等价,S2和S4是一个等价类。

对于逻辑状态较多或者不能直接看出逻辑间的等价时,可以用隐含表法来寻找状态的等价.
这一种主要用在两两等效对检查完毕之后的最大等效类的判断.在最开始的检定过程中还是以其他三种为主.
次态交错
次态循环是指次态之间的关系构成循环。**并在另一组输入下次态和输出均相同.**如Si和Sj在某种输入条件下的次态分别为Sm和Sn,并且输出相同;Sm和Sn在另外输入条件下的次态分别为Si和Sj,输出也相同,则状态Si和Sj等价,用[Si ,Sj]来表示状态等价。

次态循环
次态循环是指次态之间的关系构成循环。如Si和Sj在某种输入条件下的次态分别为Sm和Sn,并且输出相同;Sm和Sn在另外输入条件下的次态分别为Si和Sj,输出也相同,则状态Si和Sj等价,用[Si ,Sj]来表示状态等价。
比如在这里,AB等价,CD等价.
(Additional)(最大)等效类
等效类是指两两等效的状态的去重集合.例如
(
S
1
,
S
2
)
,
(
S
2
,
S
3
)
,
(
S
1
,
S
3
)
→
{
S
1
,
S
2
,
S
3
}
(S_1,S_2),(S_2,S_3),(S_1,S_3)rightarrow {S_1,S_2,S_3}
(S1,S2),(S2,S3),(S1,S3)→{S1,S2,S3}
由于等效对有传递性,上述三个等效状态可认为S1等效于S3.
等效类是广义的概念,两个状态或多个状态均可以组成一个等效类,甚至一个状态也可以称为等效类。
最大等效类是指不被任何其它等效类包含的等效类。(强调独立性)
原始状态表的化简过程,就是寻找所有最大等效类的过 程,每个最大等效类中的状态合并为一个新的状态。
最后的状态都应该是最大等效类.
(Additional)隐含表,等效类的判定方式
#### 隐含表
#### 等效对的判定
按等效对判断规则,对原始状态表任意两个原态逐一检查和比较
将检查结果标注在隐含表中的相应方格内
等效:“√”; 不等效:“×” ;无法判断:填相关的状态对
关联比较确定所有状态是否等效.
检查每对时,可针对每一对画状态转移图.对于明显无关的可以略过.但要注意以下几种:

表格构型为:
| X | X ˉ bar {X} Xˉ | |
|---|---|---|
| A | C/Y | D/Y |
| B | C/Y | D/Y |
这种构型在表上很明显,次态和输出都是一样的.
这一种注意检查另外一组输入的输出和次态指向是不是一样的.如果是一样的就可以判定等效.否则留意分别指向的两个次态是否为等效.如果是,仍是等效对.
表格构型为:
| X | X ˉ bar {X} Xˉ | |
|---|---|---|
| A | B/Y | K/Y’ |
| B | A/Y | K/Y’ |

表格构型为:
| X | X ˉ bar {X} Xˉ | |
|---|---|---|
| A | C/Y | / |
| B | D/Y | / |
| … | ||
| C | / | A/X |
| D | / | B/X |
注意:如果由于其他的原因,指向的两个不同状态之后被认为是等效,那么在其他的判定中仍认为这两个状态是一样的,这可能影响到等效对的判定.
状态分配
经过状态的合并之后得到了最少的状态数m,则可以得知需要用的触发器数n,n的值应该满足
2
n
−
1
≤
m
≤
2
n
2^{n-1}leq m leq 2^{n}
2n−1≤m≤2n
状态的分配就是给化简后的各个状态分别分配一组代码。例如,化简后得到的状态有S0、S1、S2和S3,可知应该用2个触发器来实现,状态编码可以用二进制编码方式,令S0 = 00、S1 = 01、S2 = 10、S3 = 11,也可以用循环码来编码,令S0 = 00、S1 = 01、S2 = 11、S3= 10。
相邻分配法
- 次态相同,现态相邻。 相同输入条件下,次态相同的现态分配相邻二进制代码;
- 同一现态,次态相邻。 同一现态在相邻输入条件下的次态分配相邻二进制代码;
- 输出相同,现态相邻。 所有输入均具有相同输出的现态分配相邻二进制代码。
- 一般将初始状态分配“0”状态.

- 第一个基于同一输出的次态
- 第二个基于同一初态.
- 第三个基于相同的输入/输出对
卡诺图分配编码

- 确定初始状态A
- 在卡诺图上演绎上一步确定的相邻关系.
- 最后整理得到电路编辑用原始状态表.如下图:

求出状态方程和驱动方程及输出方程
根据二进制状态表和触发器激励表,求激励函数和输出函数的最简表达式.
一般分为两步:
- 列出激励函数和输出函数真值表;
- 用卡诺图化简后写出最简表达式。
- 详细方法参考上一篇.
自启动和挂起检查
-
电路万一偶然进入无效状态,如 果能在输入信号和时钟脉冲作用下自动进入有效状态,则称为 具有自恢复(自恢复)功能;否则,称为“挂起”。
-
电路万一处在无效状态,是 否会在输入信号和时钟脉冲作用下产生错误输出信号。
-
将偏离状态值代入状态转移方程中,检查这些偏离状态能否进入到正常得计数循环中去,如果能够进入,则说明所设计的电路可以自启动,否则不可以自启动,需要修改状态转移方程,电路也该作相应的修改。
-
检查无效状态的编码
-
讨论时只需检查卡诺图,便可知无效状态下的激励函数和输出函数取值,并推出相应次态和输出,进而作出 与设计方案对应的状态图或状态表,得出讨论结果。
也就是说,如果在状态流转图中无关状态编码不是"孤立的",就可以认为具有自启动(防挂起)功能.
Sample
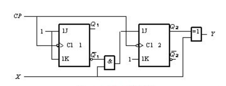
例6.4.3 设计一个串行数据转换电路,已知串行数据输入端X所加的是两位8421BCD码,输出端为Y为两位串行循环码,用JK触发器实现此逻辑电路。
解:用组合逻辑电路的方法也可以实现代码转换,不过其实现的是并行码的转换,由于本题的输入和输出端只有一个,每输入一位数据都必须记忆,所以只能用时序逻辑电路的设计方法。
输入端X的两位串行8421BCD码数据分别为:00、01、10、11,输出端Y的两位串行循环码数据分别为:00、01、11、10,设计任务就是要将输入的8421BCD转换为循环码。即:

输入数据时,假设先输入高位数,然后输入低位数。设电路的初始状态为S0,输入数据X,加入时钟信号边沿,触发器状态发生翻转。第一次输入的数据(输入高位)只有两种可能性,分别时0和1,用状态S1和S2来分别记录这种新的状态,此时的输出Y分别为0和1。在第2次输入数据(输入低位)时分别又有两种可能,分别是0和1,对应得到的新的状态有4种,分别记作S3、S4、S5和S6,输出端Y的值分别为0、1、1和0,根据分析可以作出原始状态转换图为图6.4.15所示。

(第三排从右至左依次为3,4,5,6)
图6.4.15表示出了原始状态之间的转换关系。S1状态说明已经输入了一位高位数为0,输出则为0,S3状态说明输入数据的低位为0,输出则为0;处于S3状态时,如果再输入下一位数据为X= 0,则从S3状态转移到S1状态,说明输入数据的高位为0,输出为0,如果输入的数据为X= 1,则从S3状态转移到S2状态,说明输入数据的高位为1,输出为1。
当电路处于S1状态时,说明已经输入了一位高位数为0,输出为0,从状态S1转移到S4状态,说明又输入了一位低位数为1,输出则为1;处于S4状态时,如果再输入下一位数据为X= 0,则从S4状态转移到S1状态,说明输入数据的高位为0,输出为0,如果输入的数据为X= 1,则从S4状态转移到S2状态,说明输入数据的高位为1,输出为1。
同样的可以得出状态S5和S6的转换关系。根据原始状态图可以画出原始状态转换表。如表6.4.1所示。

将原始状态图化简,合并等价的逻辑状态,寻找状态间的等价应该遵循时序电路设计方法中的第3点,为了可以方便地找出等价状态,可以采用隐含表的方法,
隐含表就是把原始状态表中的各个状态用图形的方法表示出来,便于查找等价状态的一种方法。隐含表为一个等边直角三角形网格,横向从左到依次右标记为第一个状态至倒数第二个状态,如图6.4.16(a)中的横向标记为S0、S1…S5,纵向从上到下依次标记为第二个状态至最后一个状态,如图6.4.16(a)中的纵向标记为S1、S2…S6。

这样在可以在网格中记录原始状态中的两两对应关系,将它们间的等价关系填入网格中。如果两个状态满足等价关系,则在网格中记作“√”;如果两个状态间不满足等价关系,则在网格中记作“×”;如果两个状态是否等价取决于其他状态是否等价,则在网格中填入其他的状态。结合原始状态表,可以先将S0状态与其他6个状态进行比较,得到的等价关系记入图6.4.16(b)中,在图6.4.16(b)的S0对应的一列中,S0和S1的等价性取决于S1和S3、S2和S4是否等价,所以在其网格中填入的是状态S1.S3、S2.S4。依次将原始状态表中的状态进行比较,得到图6.4.16(b)的隐含表。
从图6.4.16(b)可以进一步判断等价状态,因为S2的输出结果与其他状态都不相同,所以状态S2与其他任一状态都不等价,比较其他的状态可以得到图6.4.16(c)
的全部状态等价关系。从化简的结果可以得到等价关系[S0 S3 S4 S5 S6]、[S1]、[S2]。
可见经过状态合并后的状态只有三个,可以用S0来代替状态S3、S4 、S5 、S6,化简后状态转换表,如表6.4.2所示。化简后的状态转换图如图6.4.17(a)所示。


将状态S0、S1、S2进行编码,因为用到的只有3个状态,所以用两位二进制数表示即可。用00来表示状态S0,用01来表示状态S1,用11来表示状态S2。
图6.4.17(b)为编码后的状态转换图。
根据编码后的状态转换图可以作出卡诺图如图6.4.18所示。

应用无关项化简卡诺图可得到触发器得状态转移方程
Q
1
n
+
1
=
Q
ˉ
1
n
Q
2
n
+
1
=
X
⋅
Q
ˉ
1
n
Q
ˉ
2
n
Q_1^{n+1}=bar{Q}_1^n\ Q_2^{n+1}=Xcdot bar{Q}_1^nbar{Q}_2^n
Q1n+1=Qˉ1nQ2n+1=X⋅Qˉ1nQˉ2n
所以可以得到JK触发器得驱动方程为
J
1
=
1
,
K
1
=
1
J
2
=
X
⋅
Q
ˉ
1
n
,
K
2
=
1
J_1=1,K_1=1\ J_2=Xcdot bar{Q}_1^n,K_2=1
J1=1,K1=1J2=X⋅Qˉ1n,K2=1
根据(6.4.9)式的输出方程和(6.4.11)式的驱动方程,可以画出逻辑电路图6.4.20所示。

根据设计的逻辑电路,设电路的处于初始状态时,触发器输出都为0,现将输入端连续输入数据00 10 11 01 01 00 11(先输入高位),可以用表6.4.3来表示输出端对应得到的变换代码。

最后
以上就是哭泣火龙果最近收集整理的关于同步时序逻辑电路的设计的全部内容,更多相关同步时序逻辑电路内容请搜索靠谱客的其他文章。



发表评论 取消回复