实验时间:11.10
目录
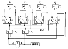
1.四相节拍脉冲发生器
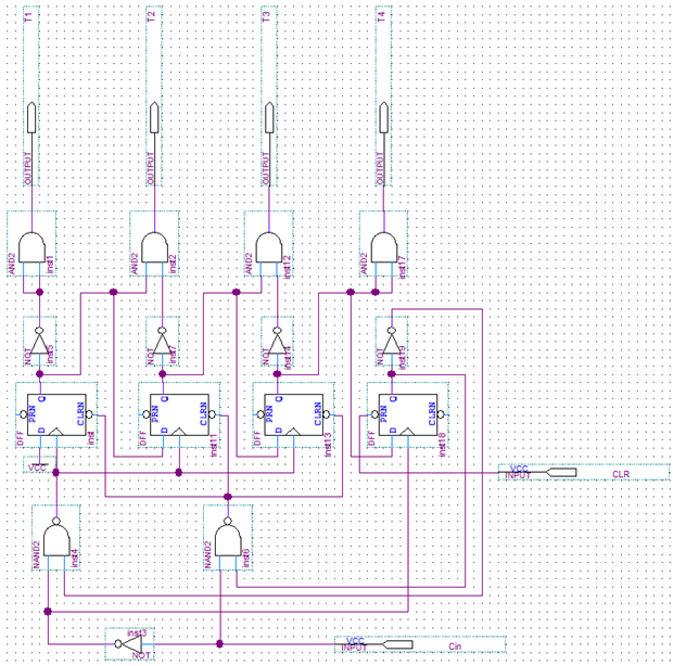
2.带启停电路的时序电路
2.带启停电路的时序电路
Quartus II的使用,封装,总线的使用可以参考笔者之前的博客。
创建D触发器
FILE——NEW——Design Files中的Block Diagram 建立原理图
单击工具栏上“与门”图标——添加器件(在Name中可搜索)
添加D触发器(name为 dff)、4个输入信号input、1个输出信号
1.四相节拍脉冲发生器



2.带启停电路的时序电路


Cin用这两个任何一个都可以,
Start、Stop只有一段0,代表开始和结束。


最后
以上就是丰富乐曲最近收集整理的关于四、四相节拍脉冲发生器、带启停电路的时序电路(含电路图)1.四相节拍脉冲发生器2.带启停电路的时序电路的全部内容,更多相关四、四相节拍脉冲发生器、带启停电路内容请搜索靠谱客的其他文章。
本图文内容来源于网友提供,作为学习参考使用,或来自网络收集整理,版权属于原作者所有。
发表评论 取消回复