和组合电路不同,当输入改变时,输出并不会马上改变。而是需要时钟信号改变时,输出会更新。
需要时序电路的原因很简单:当我们需要一个循环时,我们希望控制循环的变量是离散的。
如果i=1时进行循环,如果i=1的时间较长,可能会循环多次(由电路内部的延时决定)
但是如果是i的上升沿进行循环,可以给i的脉冲信号,方便控制循环的次数。
元件
锁存器
当时序信号高时输出,时序信号低时将新的输出"锁住"。
对应的verilog描述为
always@(clk)begin
....
end

D锁存器,c为时序信号,当c为高时,把D输出到Q
触发器
锁存器的组合,即上升沿时被触发
对应的verilog描述为:
always@(posedge clk)begin
...
end
可以有多种实现,比如
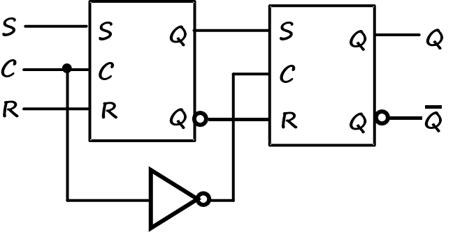
SR主从触发器

当c为高时,前一个加载,后一个锁住。
当c为低时,后一个加载,前一个锁住。
实现了下降沿的触发。
符号为:

右侧的符号意味着下降沿触发,加反意味着上升沿触发。
S=1代表次态为1,R=1代表次态为0,R=0,S=0代表保持,不能同时为1
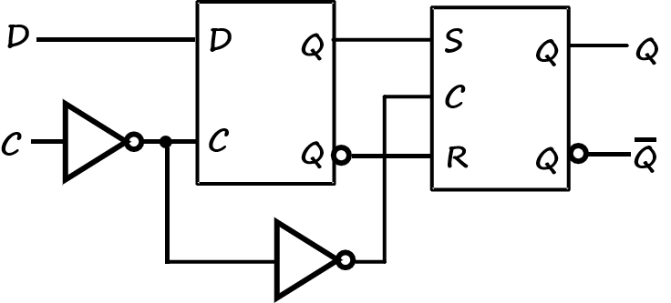
D边沿触发器
实现了类似的功能。

将时序信号加反可以得到上升沿触发

C意味着上升沿触发,加反就是下降沿触发。
由于initial 不可被初始化,所以加一个逻辑初始化,使其开始时在某个给定的状态。

S输入0,非一下为1,可以使得Q初始化为1.
R输入0,非一下为1,可以使得Q初始化为0.
相当于:
always@(posedge clk or ~S or ~R ) begin
if(~S )
Q = 0;
else if(~R)
Q = 1;
else
...
end
JK触发器
和SR触发器相同,J等效Set,K等效Reset,但是J=1,K=1时状态转相反。
T触发器

T=0状态报持,T=1状态反转。
电路分析
次态方程
每一个锁存器的输出都是一个状态A(t+1)
所以一个电路有几个锁存器就有几个状态。
锁存器的D输入为A(t),输入为x(t),输出为y(t),锁存器的输出为A(t+1)
状态表(Model State table)
需要包含现态,次态,输入,输出。
状态表有两种类型,摩尔型(Moore )和梅林型(Mealy),摩尔型的输出只与状态有关,梅林型的输出和状态和输入有关。
首先分为三栏,第一栏是现态,第二栏是次态,第三栏是输出。
现态栏横着列出所有的状态,次态栏先列出输入,再在每一个输入中列出所有的状态,输出栏列出所有的输入,在输入中列出输出。
假如有A,B,C三个状态,如果给了是一个电路图,状态就是明确的输出。
如图所示:
| Present State | Next State | Output | ||||||||
| A | B | C | x=1 | x=0 | x=1 | x=0 | ||||
| A | B | C | A | B | C | y | ||||
| 0 | 0 | 0 | 1 | |||||||
如果给了一种描述,则可以:
| Present State | Next State | Output | ||
| x=1 | x=0 | x=1 | x=0 | |
| A | ||||
| B | ||||
| C | ||||
状态图
每种状态的取值用一个点表示。如果是摩尔类型,则是状态/输出。
比如三个状态:ABC,则有8种取值,因此有8个点。
从现态到次态的输入和输出用一条有向边表示。即:输入/输出
时间
:信号进入第一个锁存器所需要的时间
:信号从第一个锁存器到第二个锁存器所需要的时间
:信号经过第二个锁存器所需要的时间
:时钟周期减去总延迟和建立时间之和,即空余的时间
:时钟周期
:hold time:使得锁存器停止的时钟信号出现到锁存器真正被锁住的时间。
有关系:
为了在一个周期中使得信号能够经过两个锁存器,要求:
The longest path from an external input to a positive clock edge:从外部输入到锁存器输出的最长延迟。
最大的频率:要求是锁存器输出到锁存器输出的最大延迟的倒数。
状态设计
给定一个描述,可以根据描述的任务画出状态图。
比如要求匹配序列1101,则可以设定4个状态。初始状态,得到了1,得到了11,得到了110,得到了1101
如果最后一个1可以被后一次利用,那么得到了1101就是状态得到了1
可以将3个状态命名为A,B,C,D,然后画出状态图和状态表。
状态简化
将等效的状态进行合并,可以减少状态,从而减少触发器的数量。
等效的状态:输出相同,
并且有以下三种之一
a,次态相同

b,次态交错(a->b,b->a)则a,b等效

c,次态循环(若次态AB等效,则CD等效并且有若CD等效,则AB等效)

隐含表法:
将状态列为一个下三角矩阵除去对角线的部分,若行列的状态等效则打勾,若不等效则打叉。
若不能确定则写上决定它们是否等效的那个状态。
若有次态ABCDE,则隐含表如下
| A | ||||
| B | 1 | |||
| C | 1 | 1 | ||
| D | 1 | 1 | 1 | |
| A | B | C | D |
隐含表可以得到若干个等效对,将等效对合并为等效类,即可得到若干个等效类。将其命名为新的状态。
状态分配
若将每一个状态分配一个二进制码,则不同的分配方式使得电路代价不同。
为了减少代价,依据以下分配方法:
1.相同输入时,相同次态分配相邻的二进制码
2.相邻输入时,相同现态的次态分配相邻的二进制码
3.输出相同的现态分配相邻的二进制码
4.出现次数最多的次态分配二进制码0
若有4个次态,画出2*2的方格,则行列第一第二分格分别代表0,1,将次态填入方格,方格的行列即为二进制码。
最后
以上就是跳跃诺言最近收集整理的关于数逻第四章 时序电路 元件电路分析时间状态设计状态简化状态分配的全部内容,更多相关数逻第四章内容请搜索靠谱客的其他文章。
发表评论 取消回复