
前面介绍了数字电路中的基本RS锁存器,是由R’D、S’D(或RD、SD)端的输入信号直接控制的。而在实际应用中,我们还要求,锁存器的状态改变能按照一定节拍改变,这个节拍控制通常由脉冲信号(时钟脉冲)来完成。
RS触发器:
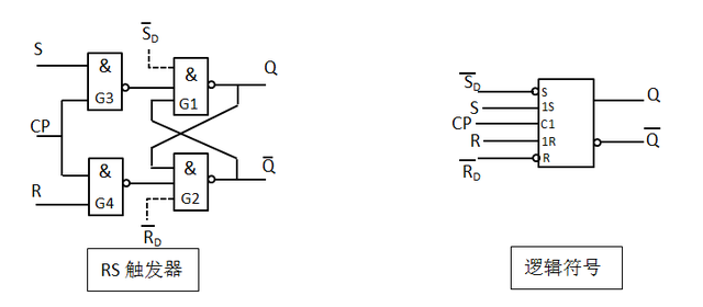
在RS锁存的基础上增加两个门G3、G4,再加上时钟脉冲就组成了RS触发器。G3、G4由时钟脉冲控制,CP为时钟脉冲输入端,R、S为信号输入端。如下图:

只有在CP端上出现时钟脉冲时,触发器的状态才会变化。这种由时钟脉冲控制的触发器称为时钟触发器,触发器的状态随时钟脉冲的改变而同步改变,又称为钟控触发器(或同步触发器)
逻辑功能分析:
①当CP=0时,与非门特点有0输出1,输入端R、S不论怎么变化,G3、G4都输出1,触发器状态都保持不变;
②当CP=1时,R、S的输入信号才能通过G3、G4使RS触发器状态发生改变。这时,RS触发器的状态由R、S输入信号和原有状态Qn(用Qn表示触发器的原有状态,Qn+1表示触发器的下一个状态)决定。
③当R=S=1时,G3、G4输出0,RS锁存器状态不定,所以触发器状态不定,在前面的《锁存器》一文中作了相关分析。
④在实际应用中,某些场合要求在CP有效信号到达之前,触发器有一个指定状态,所以需要对触发器直接设置状态,虚线部分的R’D为直接复位端(Reset),S’D为直接置位端(Set),当S’D=1,R’D=0时,G2输入端有0,输出1,G1输出0,即Q=0,Q’=1,触发器置0; 当S’D=0,R’D=1时,Q=1,Q’=0,触发器置1。
由以上分析得出:在RS触发器中,R、S信号输入端输入的信号决定了电路的状态,而时钟脉冲CP则决定状态改变的时机。
RS触发器真值表:

D触发器
为避免RS触发器的R、S信号输入同时为1时,触发器出现不定的状态,在RS触发器的输入端R、S之间加入一个非门G5,这样触发器的R、S输入就不会相同,这种触发器称为D触发器,如下图:

逻辑功能分析:
①当CP=0时,和RS触发器一样保持原状态不变。
②当CP=1时,触发器接收D输入:
当D=0时,G3输出1,R=D’=1,G4输出0,G2输出1,则G1输出0,即Q=0;
当D=1时,D’=0,Q=1。
由以上分析得出:当CP从0转为1时,D触发器状态变为D输入端状态;而由1转为0,保持原状态不变。
D触发器真值表:

JK触发器:
由于RS触发器在R=S=1时,触发器出现不定状态。D触发器在输入端加入非门,解决了RS触发器可能存在输入端R、S同时为1的状态,而JK触发器则是将输出端Q和Q’的状态反馈到输入端,避免G3、G4同时出现0的状态,也就避免了出现不定的状态。

逻辑功能分析:
①当CP=0时,G3、G4都输出1,触发器原状态保持;
②当CP=1时,触发器接受输入,J、K输入信号可改变触发器状态,下面对J、K各个状态加以说明:
1)当J=K=0时,G3、G4输出为1,触发器状态保持;任何状态&1都等于原状 态。
2)当J=1,K=0时,
假如此时Q=0,Q’=1,G3输入全1,输出0,Q变为1,即Q=1,K=0,G4 输出1,G2输入全1,Q’变为0,即 Q’=0;触发器状态为Q=1,Q’=0。
假如Q=1,Q’=0,G3有0输入,输出为1,K=0作为G4的输入,所以G4输出为1,由于G3、G4输出都为1,所以触发器保持原状态不变。
由此可见当J=1,K=0时,CP由0转1后,触发器状态会变成与J相同,即Q=1;
3)当J=0,K=1时,当CP由0转1后,触发器状态变成与J相同,即Q=0,相关分析推演和前面2)相同;
4)当J=K=1时,CP由0转为1,
假如此时触发器状态为Q=0,Q’=1,G4有0输入,输出1;G3输入全1,输出0,则此时触发器状态变为Q=1,Q’=0,即状态翻转;
又假如触发器状态为 Q=1,Q’=0,G4输入全1,输出0,G3有0输入,输出1,则此时触发器状态变为Q=0,Q’=1,即状态翻转;
可见,当J=K=1时,每次CP由0转为1后触发器状态翻转,也就是每输入一次脉冲信号,触发器状态翻转一次。由此特性可以想到什么呢?很明显是一位二进制的计数器。
JK触发器真值表:

最后
以上就是魁梧秀发最近收集整理的关于单片机入门之数字电路—触发器的全部内容,更多相关单片机入门之数字电路—触发器内容请搜索靠谱客的其他文章。
发表评论 取消回复