Taken from ECE253 2015 midterm question 5
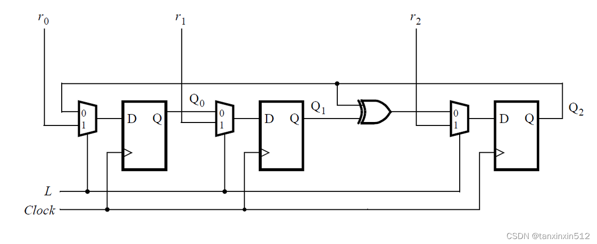
Consider the sequential circuit below:

Assume that you want to implement hierarchical Verilog code for this circuit, using three instantiations of a submodule that has a flip-flop and multiplexer in it. Write a Verilog module (containing one flip-flop and multiplexer) named top_module for this submodule.
前言
四个输入,包括一个时钟clk,一个二路选择器的选择信号,一个二路选择器1端的输入信号r_in,一个二路选择器0端的输入信号q_in;一个输出信号Q。
代码
module top_module (
input clk,
input L,
input r_in,
input q_in,
output reg Q);
always@(posedge clk)begin
Q<=L?r_in:q_in;
end
endmodule
总结
对于如图所示重复且有规律的电路,例化模块是最佳的选择。
最后
以上就是刻苦河马最近收集整理的关于HDLBits练习——Mt2015 muxdff前言代码总结的全部内容,更多相关HDLBits练习——Mt2015内容请搜索靠谱客的其他文章。
本图文内容来源于网友提供,作为学习参考使用,或来自网络收集整理,版权属于原作者所有。
发表评论 取消回复