Taken from 2015 midterm question 4
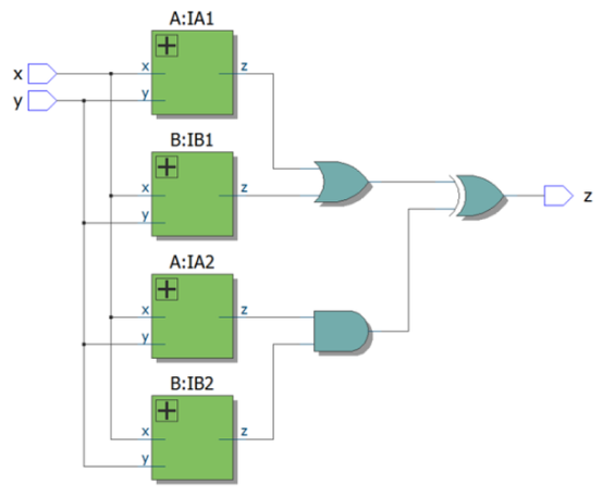
See mt2015_q4a and mt2015_q4b for the submodules used here. The top-level design consists of two instantiations each of subcircuits A and B, as shown below.

Implement this circuit.
第一种是使用module
module top_module (input x, input y, output z);
wire z1,z2,z3,z4;
a a_instance1(
.x(x),
.y(y),
.z(z1)
);
a a_instance2(
.x(x),
.y(y),
.z(z3)
);
b b_instance1(
.x(x),
.y(y),
.z(z2)
);
b b_instance2(
.x(x),
.y(y),
.z(z4)
);
assign z = (z1|z2)^(z3&z4);
endmodule
module a (
input wire x,
input wire y,
output wire z
);
assign z = (x^y) & x;
endmodule
module b (
input wire x,
input wire y,
output wire z
);
assign z = ~x^y;
endmodule
第二种是使用task,从下面代码中可以看出来,同一个module的不同task的参数名是可以一样的,不会冲突,我理解可以认为就是局部变量;另外需要注意的就是task的调用必须在过程块中,比如always。
module top_module (input x, input y, output z);
wire wire1,wire2,wire3,wire4;
always@(*)begin
A(x,y,wire1);
A(x,y,wire2);
B(x,y,wire3);
B(x,y,wire4);
end
assign z = (wire1|wire2)^(wire3&wire4);
//--------------task A-------------------
task A;
input x,y;
output z;
z = (x ^ y) & x;
endtask
//------------------task B-----------------
task B;
input x,y;
output z;
z = (x == y)?1:0;
endtask
endmodule
最后
以上就是优秀芒果最近收集整理的关于【HDLBits刷题】Mt2015 q4.的全部内容,更多相关【HDLBits刷题】Mt2015内容请搜索靠谱客的其他文章。
本图文内容来源于网友提供,作为学习参考使用,或来自网络收集整理,版权属于原作者所有。
发表评论 取消回复