我是靠谱客的博主 感性冰棍,这篇文章主要介绍【STM32】OV2640摄像头学习笔记一、OV2640 Camera二、读取OV2640模块图像数据过程:三、DCMI(Digital camera interface)接口四、SCCB协议五、OV_Camera 配置,现在分享给大家,希望可以做个参考。
目录:
- 一、OV2640 Camera
- 二、读取OV2640模块图像数据过程:
- 三、DCMI(Digital camera interface)接口
- 四、SCCB协议
- 1.起始信号
- 2.停止信号
- 五、OV_Camera 配置
- 1.复位摄像头
- 2.读取摄像头ID
- 3.配置帧率
一、OV2640 Camera
- OV2640是OmniVision公司生产的一颗1/4寸的CMOS UXGA(1632*1232)图像传感器;
- 支持自动曝光控制、自动增益控制、自动白平衡、自动消除灯光条纹等自动控制功能。
- UXGA最高15帧/秒,SVGA可达30帧,CIF可达60帧;
- 支持图像压缩,即可输出JPEG图像数据.
-
基本概念:
-
- UXGA,即分辨率位16001200的输出格式,SXGA(12801024)、XVGA(1280960)、WXGA(1280800)、XGA(1024768)、SVGA(800600)、VGA(640480)、CIF(352288)和QQVGA(160*120);
-
- VSYNC,即帧同步信号;
-
- HREF /HSYNC,即行同步信号;
-
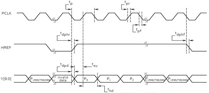
- PCLK,即像素时钟,一个PCLK时钟,输出一个(或半个)像素.
- PCLK高达36MHz

- 图像数据在HREF为高的时候输出,
- 当HREF变高后,每一个PCLK时钟,输出一个字节数据。
比如我们采用UXGA时序,RGB565格式输出,每2个字节组成一个像素的颜色(低字节在前,高字节在后)
这样每行输出总共有1600*2个PCLK周期,输出1600*2个字节
二、读取OV2640模块图像数据过程:
- 低字节在前,高字节在后
三、DCMI(Digital camera interface)接口
- DCMI是STM32F4芯片自带的一个数字摄像头接口,该接口是一个同步并行接口;
- 支持8位、10位、12位或 14位 CMOS 摄像头模块发出的高速数据流;
- 可支持不同的数据格式:YCbCr4:2:2/RGB565逐行视频和压缩数据 (JPEG);
- 可接收高速(可达 54 MB/s)数据流.

DCMI接口简介- 初始化流程:
-
①配置相关引脚的复用功能,使能DCMI时钟
-
- 使能DCMI的时钟,其次要设置DCMI的相关引脚为复用
②设置DCMI工作模式及PCLK/HSYNC/VSYNC
-
- DCMI接口,使用8位接口,连续模式,设置:PCLK为上升沿有效, HSYNC和VSYNC为低电平有效,设置帧中断(jpeg数据采集用)等参数。
③设置DMA
-
- 采用DMA来搬运,设置好DCMI相关参数后,还需要设置DMA,以便采集数据。
④启动DCMI传输
-
- 设置DCMI->CR的最低位为1,即可启动DCMI捕获图像数据
四、SCCB协议
- SCCB(Serial Camera Control Bus) 串行摄像机控制总线协议
- 一个基本传输单元称作一个相
一个相包含总共9比特,前8比特为数据,第9比特为 Don’t-Care bit 不关心比特,该第9比特的数据取决于
传输任务是读还是写(0代表写,1代表读)(可以类比I2C通信协议) - 一个传输任务的最大相个数是3

1.起始信号

//SCCB起始信号
//当时钟为高的时候,数据线的高到低,为SCCB起始信号
//在激活状态下,SDA和SCL均为低电平
void SCCB_Start(void)
{
SCCB_SDA=1; //数据线高电平
SCCB_SCL=1; //在时钟线高的时候数据线由高至低
rt_hw_us_delay(50);
SCCB_SDA=0;
rt_hw_us_delay(50);
SCCB_SCL=0; //数据线恢复低电平,单操作函数必要
}
2.停止信号

//SCCB停止信号
//当时钟为高的时候,数据线的低到高,为SCCB停止信号
//空闲状况下,SDA,SCL均为高电平
void SCCB_Stop(void)
{
SCCB_SDA=0;
rt_hw_us_delay(50);
SCCB_SCL=1;
rt_hw_us_delay(50);
SCCB_SDA=1;
rt_hw_us_delay(50);
}
五、OV_Camera 配置
1.复位摄像头
OV2640_PWDN=0; //POWER ON
rt_hw_ms_delay(1);
OV2640_RST=0; //复位OV2640
rt_hw_ms_delay(1);
OV2640_RST=1; //结束复位
SCCB_Init(); //初始化SCCB 的IO口
SCCB_WR_Reg(OV2640_DSP_RA_DLMT, 0x01); //操作sensor寄存器
SCCB_WR_Reg(OV2640_SENSOR_COM7, 0x80); //软复位OV2640
2.读取摄像头ID
reg=SCCB_RD_Reg(OV2640_SENSOR_MIDH); //读取厂家ID 高八位
reg<<=8;
reg|=SCCB_RD_Reg(OV2640_SENSOR_MIDL); //读取厂家ID 低八位
res = reg;
if(reg!=OV2640_MID)
{
rt_kprintf("MID:%drn",reg);
return 1;
}
reg=SCCB_RD_Reg(OV2640_SENSOR_PIDH); //读取厂家ID 高八位
reg<<=8;
reg|=SCCB_RD_Reg(OV2640_SENSOR_PIDL); //读取厂家ID 低八位
if(reg!=OV2640_PID)
{
rt_kprintf("HID:%drn",reg);
return 2;
}
log_i("OV2640 Camera ID:%x %x ",reg,res);
3.配置帧率
- UXGA最高15帧/秒,SVGA可达30帧,CIF可达60帧;
//这里采用SVGA
//初始化 OV2640,采用SVGA分辨率(800*600) fps:30
for(i = 0;i < sizeof(ov2640_sxga_init_reg_tbl)/2;i++)
{
SCCB_WR_Reg(ov2640_svga_init_reg_tbl[i][0],ov2640_svga_init_reg_tbl[i][1]);
}
最后
以上就是感性冰棍最近收集整理的关于【STM32】OV2640摄像头学习笔记一、OV2640 Camera二、读取OV2640模块图像数据过程:三、DCMI(Digital camera interface)接口四、SCCB协议五、OV_Camera 配置的全部内容,更多相关【STM32】OV2640摄像头学习笔记一、OV2640内容请搜索靠谱客的其他文章。
本图文内容来源于网友提供,作为学习参考使用,或来自网络收集整理,版权属于原作者所有。
发表评论 取消回复