一、OV2640简介
OV2640是OmniVision公司生产的一颗1/4寸的CMOS UXGA(1632 * 1232)图像传感器。该传感器体积小、工作电压低,提供单片UXGA摄像头和影像处理器的所有功能。通过SCCB 总线控制,可以输出整帧、子采样、缩放和取窗口等方式的各种分辨率8/10位影像数据。UXGA最高15帧/秒(SVGA可达30帧,CIF可达60帧)。用户可以完全控制图像质量、数据格式和传输方式。所有图像处理功能过程包括伽玛曲线、白平衡、对比度、色度等都可以通过SCCB接口编程。
特点
- ①高灵敏度、低电压适合嵌入式应用。
- ②标准的SCCB接口,兼容IIC接口。
- ③支持RawRGB、RGB(RGB565/RGB555)、GRB422、YUV(422/420)和YCbCr(422)输出格式。
- ④支持UXGA、SXGA、SVGA以及按比例缩小到从SXGA到40*30的任何尺寸 。
- ⑤支持自动曝光控制、自动增益控制、自动白平衡、自动消除灯光条纹、自动黑电平校准等自动控制功能。同时支持色饱和度、色相、伽马、锐度等设置。
- ⑥支持图像缩放和闪光灯。
- ⑦支持图像压缩,即可输出JPEG图像数据。
二、OV2640时序
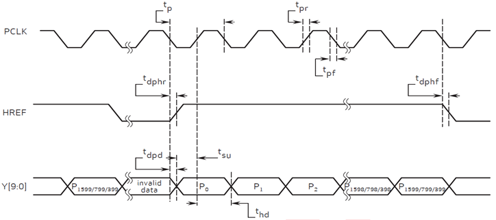
OV2640行输出时序

其中:PCLK最高为36MHz。图像数据在HREF为高的时候输出,当HREF变高后,每一个PCLK时钟,输出一个字节数据。比如我们采用UXGA时序,RGB565格式输出,每2个字节组成一个像素的颜色(低字节在前,高字节在后),这样每行输出总共有16002个PCLK周期,输出16002个字节。
OV2640帧输出时序

注意:OV2640支持RGB565或JPEG输出。RGB565输出时,时序如图所示。JPEG输出时,PCLK大大减少,且HREF不连续,数据流以0XFF,0XD8开头,以0XFF,0XD9结束,将此间数据保存为.jpg即可在电脑打开查看。
三、输出图像窗口设置

其中:
1、最外层为传感器窗口设置(OV2640_Window_Set),传感器窗口设置允许用户设置整个传感器区域,即在传感器里进行开窗,范围是2 * 2 ~ 1632 * 1220都可以设置。要求传感器尺寸大于图像尺寸。
2、图像尺寸设置(OV2640_ImageSize_Set)即DSP输出图像的最大尺寸。通过0XC0、0XC1、0X8C等寄存器设置。
3、图像窗口设置(OV2640_ImageWin_Set)图像窗口设置其实和前面的传感器窗口设置类似,只是这个窗口是在我们前面设置的图像尺寸里面,再一次设置窗口大小,该窗口必须小于等于前面设置的图像尺寸。该窗口设置后的图像范围,将用于输出到外部。图像窗口设置通过:0X51、0X52、0X53、0X54、0X55、0X57等寄存器设置。
4、图像输出大小设置(OV2640_OutSize_Set) 图像输出大小设置,控制最终输出到外部的图像尺寸。该设置将图像窗口设置所决定的窗口大小,通过内部DSP处理,缩放成我们输出到外部的图像大小。该设置将会对图像进行缩放处理,如果设置的图像输出大小不等于图像窗口设置图像大小,那么图像就会被缩放处理,只有这两者设置一样大的时候,输出比例才是1:1的。图像输出大小通过:0X5A/0X5B/0X5C等寄存器设置。
四、引脚说明以及操作流程


OV2640初始化流程

单片机读取OV2640模块图像数据过程

五、STM32F4的DCMI
DCMI信号说明
1,数据据输入(D[0:13]),接摄像头的数据输出。
2,水平同步(行同步)输入(HSYNC),接摄像头的HSYNC/HREF信号。
3,垂直同步(场同步)输入(VSYNC),接摄像头的VSYNC信号。
4,像素时钟输入(PIXCLK),接摄像头的PCLK信号。

DCMI接口的数据与PIXCLK(即PCLK)保持同步,并根据像素时钟的极性在像素时钟上升沿/下降沿发生变化。HSYNC(HREF)信号指示行的开始/结束,VSYNC信号指示帧的开始/结束。

图中对应设置为:DCMI_PIXCLK的捕获沿为下降沿,DCMI_HSYNC和DCMI_VSYNC的有效状态为1。
注意:这里的有效状态实际上对应的是指示数据在并行接口上无效时,HSYNC/VSYNC引脚上面的引脚电平。
DCMI数据说明
DCMI接收到的数据,存储在DCMI_DR寄存器(32位)里面,我们接ATK-OV2640采用8位数据宽度,所以每4个像素时钟,才会捕获完32位数据,第一个字节存放在LSB位置,第四个字节存放在MSB位置,如下图所示:

注意:低字节在前,高字节在后。
DCMI之DMA说明
DCMI支持DMA传输,当DCMI_CR寄存器中的CAPTURE位置1时,激活DMA接口。
摄像头接口每次在其寄存器(DCMI_DR)中收到一个完整的32位数据块时,都将发一个DMA请求,由DMA将DCMI_DR寄存器的值搬运到目的地址(比如LCD/SRAM)。
DCMI的DMA请求是映射在DMA2通道1的数据流1上面的,所以配置DMA时,应该配置这个。另外,如果是直接DCMI -> DMA -> LCD的传输方式,因为LCD是16位宽(RGB565),而DCMI_DR是32位宽。所以,一次DCMI引起的DMA传输,将引发往LCD写2次数据。
六、DCMI寄存器说明
1、DCMI控制寄存器(DCMI_CR)

- ENABLE,用于设置是否使能DCMI。在使能之前,必须将其他配置设置好。
- FCRC[1:0],这两个位用于帧率控制,我们捕获所有帧,所以设置为00即可。
- VSPOL,用于设置垂直同步极性,也就是VSYNC引脚上面,数据无效时的电平状态,根据前面说所,我们应该设置为0。
- HSPOL,用于设置水平同步极性,也就是HSYNC引脚上面,数据无效时的电平状态,同样应该设置为0。
- PCKPOL,用于设置像素时钟极性,我们用上升沿捕获,所以设置为1。
- CM,用于设置捕获模式,我们用连续采集模式,所以设置为0即可。
- CAPTURE,用于使能捕获,我们设置为1。该位使能后,将激活DMA,
DCMI等待第一帧开始,然后生成DMA请求将收到的数据传输到目标存储器中。
注意:CAPTURE位必须在其他所有配置(包括DMA)完成后,才使能!
2、DCMI中断使能寄存器(DCMI_IER)

- FRAME_IE,捕获完成中断使能位。实际上就是帧中断。
七、初始化流程
- ①配置相关引脚的复用功能,使能DCMI时钟。要用DCMI,先要使能DCMI的时钟。其次要设置DCMI的相关引脚为复用输出,以便连接OV2640模块。
- ②设置DCMI工作模式及PCLK/HSYNC/VSYNC等参数。DCMI接口,使用8位接口,连续模式,根据OV2640模块的输出时序图,设置:PCLK为上升沿有效,HSYNC和VSYNC为低电平有效。同时还要设置帧中断(jpeg数据采集用)等参数。
- ③设置DMA。DCMI数据,一般采用DMA来搬运,所以,设置好DCMI相关参数后,需要设置DMA,以便采集数据。
- ④启动DCMI传输。最后,设置DCMI->CR的最低位为1,即可启动DCMI捕获图像数据。
八、代码流程
1、初始化OV2640
//初始化OV2640
//配置完以后,默认输出是1600*1200尺寸的图片!!
//返回值:0,成功
// 其他,错误代码
u8 OV2640_Init(void)
{
u16 i=0;
u16 reg;
//设置IO
GPIO_InitTypeDef GPIO_InitStructure;
RCC_AHB1PeriphClockCmd(RCC_AHB1Periph_GPIOG, ENABLE);
//GPIOG9,15初始化设置
GPIO_InitStructure.GPIO_Pin = GPIO_Pin_9|GPIO_Pin_15;//PG9,15推挽输出
GPIO_InitStructure.GPIO_Mode = GPIO_Mode_OUT; //推挽输出
GPIO_InitStructure.GPIO_OType = GPIO_OType_PP;//推挽输出
GPIO_InitStructure.GPIO_Speed = GPIO_Speed_50MHz;//100MHz
GPIO_InitStructure.GPIO_PuPd = GPIO_PuPd_UP;//上拉
GPIO_Init(GPIOG, &GPIO_InitStructure);//初始化
OV2640_PWDN=0; //POWER ON
delay_ms(10);
OV2640_RST=0; //复位OV2640
delay_ms(10);
OV2640_RST=1; //结束复位
SCCB_Init(); //初始化SCCB 的IO口
SCCB_WR_Reg(OV2640_DSP_RA_DLMT, 0x01); //操作sensor寄存器
SCCB_WR_Reg(OV2640_SENSOR_COM7, 0x80); //软复位OV2640
delay_ms(50);
reg=SCCB_RD_Reg(OV2640_SENSOR_MIDH); //读取厂家ID 高八位
reg<<=8;
reg|=SCCB_RD_Reg(OV2640_SENSOR_MIDL); //读取厂家ID 低八位
if(reg!=OV2640_MID)
{
printf("MID:%drn",reg);
return 1;
}
reg=SCCB_RD_Reg(OV2640_SENSOR_PIDH); //读取厂家ID 高八位
reg<<=8;
reg|=SCCB_RD_Reg(OV2640_SENSOR_PIDL); //读取厂家ID 低八位
if(reg!=OV2640_PID)
{
printf("HID:%drn",reg);
return 2;
}
//初始化 OV2640,采用SXGA分辨率(1600*1200)
for(i=0;i<sizeof(ov2640_sxga_init_reg_tbl)/2;i++)
{
SCCB_WR_Reg(ov2640_sxga_init_reg_tbl[i][0],ov2640_sxga_init_reg_tbl[i][1]);
}
return 0x00; //ok
}
2、JPEG模式
void jpeg_test(void)
{
u32 i;
u8 *p;
u8 key;
u8 effect=0,saturation=2,contrast=2;
u8 size=3; //默认是QVGA 320*240尺寸
u8 msgbuf[15]; //消息缓存区
LCD_Clear(WHITE);
POINT_COLOR=RED;
LCD_ShowString(30,50,200,16,16,"ALIENTEK STM32F4");
LCD_ShowString(30,70,200,16,16,"OV2640 JPEG Mode");
LCD_ShowString(30,100,200,16,16,"KEY0:Contrast"); //对比度
LCD_ShowString(30,120,200,16,16,"KEY1:Saturation"); //色彩饱和度
LCD_ShowString(30,140,200,16,16,"KEY2:Effects"); //特效
LCD_ShowString(30,160,200,16,16,"KEY_UP:Size"); //分辨率设置
sprintf((char*)msgbuf,"JPEG Size:%s",JPEG_SIZE_TBL[size]);
LCD_ShowString(30,180,200,16,16,msgbuf); //显示当前JPEG分辨率
OV2640_JPEG_Mode(); //JPEG模式
My_DCMI_Init(); //DCMI配置
DCMI_DMA_Init((u32)&jpeg_buf,jpeg_buf_size,DMA_MemoryDataSize_Word,DMA_MemoryInc_Enable);//DCMI DMA配置
OV2640_OutSize_Set(jpeg_img_size_tbl[size][0],jpeg_img_size_tbl[size][1]);//设置输出尺寸
DCMI_Start(); //启动传输
while(1)
{
if(jpeg_data_ok==1) //已经采集完一帧图像了
{
p=(u8*)jpeg_buf;
LCD_ShowString(30,210,210,16,16,"Sending JPEG data..."); //提示正在传输数据
for(i=0;i<jpeg_data_len*4;i++) //dma传输1次等于4字节,所以乘以4.
{
while(USART_GetFlagStatus(USART2,USART_FLAG_TC)==RESET); //循环发送,直到发送完毕
USART_SendData(USART2,p[i]);
key=KEY_Scan(0);
if(key)break;
}
if(key) //有按键按下,需要处理
{
LCD_ShowString(30,210,210,16,16,"Quit Sending data ");//提示退出数据传输
switch(key)
{
case KEY0_PRES: //对比度设置
contrast++;
if(contrast>4)contrast=0;
OV2640_Contrast(contrast);
sprintf((char*)msgbuf,"Contrast:%d",(signed char)contrast-2);
break;
case KEY1_PRES: //饱和度Saturation
saturation++;
if(saturation>4)saturation=0;
OV2640_Color_Saturation(saturation);
sprintf((char*)msgbuf,"Saturation:%d",(signed char)saturation-2);
break;
case KEY2_PRES: //特效设置
effect++;
if(effect>6)effect=0;
OV2640_Special_Effects(effect);//设置特效
sprintf((char*)msgbuf,"%s",EFFECTS_TBL[effect]);
break;
case WKUP_PRES: //JPEG输出尺寸设置
size++;
if(size>8)size=0;
OV2640_OutSize_Set(jpeg_img_size_tbl[size][0],jpeg_img_size_tbl[size][1]);//设置输出尺寸
sprintf((char*)msgbuf,"JPEG Size:%s",JPEG_SIZE_TBL[size]);
break;
}
LCD_Fill(30,180,239,190+16,WHITE);
LCD_ShowString(30,180,210,16,16,msgbuf);//显示提示内容
delay_ms(800);
}else LCD_ShowString(30,210,210,16,16,"Send data complete!!");//提示传输结束设置
jpeg_data_ok=2; //标记jpeg数据处理完了,可以让DMA去采集下一帧了.
}
}
}
3、RGB565模式
void rgb565_test(void)
{
u8 key;
u8 effect=0,saturation=2,contrast=2;
u8 scale=1; //默认是全尺寸缩放
u8 msgbuf[15]; //消息缓存区
LCD_Clear(WHITE);
POINT_COLOR=RED;
LCD_ShowString(30,50,200,16,16,"ALIENTEK STM32F4");
LCD_ShowString(30,70,200,16,16,"OV2640 RGB565 Mode");
LCD_ShowString(30,100,200,16,16,"KEY0:Contrast"); //对比度
LCD_ShowString(30,130,200,16,16,"KEY1:Saturation"); //色彩饱和度
LCD_ShowString(30,150,200,16,16,"KEY2:Effects"); //特效
LCD_ShowString(30,170,200,16,16,"KEY_UP:FullSize/Scale"); //1:1尺寸(显示真实尺寸)/全尺寸缩放
OV2640_RGB565_Mode(); //RGB565模式
My_DCMI_Init(); //DCMI配置
DCMI_DMA_Init((u32)&LCD->LCD_RAM,1,DMA_MemoryDataSize_HalfWord,DMA_MemoryInc_Disable);//DCMI DMA配置
OV2640_OutSize_Set(lcddev.width,lcddev.height);
DCMI_Start(); //启动传输
while(1)
{
key=KEY_Scan(0);
if(key)
{
DCMI_Stop(); //停止显示
switch(key)
{
case KEY0_PRES: //对比度设置
contrast++;
if(contrast>4)contrast=0;
OV2640_Contrast(contrast);
sprintf((char*)msgbuf,"Contrast:%d",(signed char)contrast-2);
break;
case KEY1_PRES: //饱和度Saturation
saturation++;
if(saturation>4)saturation=0;
OV2640_Color_Saturation(saturation);
sprintf((char*)msgbuf,"Saturation:%d",(signed char)saturation-2);
break;
case KEY2_PRES: //特效设置
effect++;
if(effect>6)effect=0;
OV2640_Special_Effects(effect);//设置特效
sprintf((char*)msgbuf,"%s",EFFECTS_TBL[effect]);
break;
case WKUP_PRES: //1:1尺寸(显示真实尺寸)/缩放
scale=!scale;
if(scale==0)
{
OV2640_ImageWin_Set((1600-lcddev.width)/2,(1200-lcddev.height)/2,lcddev.width,lcddev.height);//1:1真实尺寸
OV2640_OutSize_Set(lcddev.width,lcddev.height);
sprintf((char*)msgbuf,"Full Size 1:1");
}else
{
OV2640_ImageWin_Set(0,0,1600,1200); //全尺寸缩放
OV2640_OutSize_Set(lcddev.width,lcddev.height);
sprintf((char*)msgbuf,"Scale");
}
break;
}
LCD_ShowString(30,50,210,16,16,msgbuf);//显示提示内容
delay_ms(800);
DCMI_Start();//重新开始传输
}
delay_ms(10);
}
}
4、DCMI初始化
//DCMI初始化
void My_DCMI_Init(void)
{
GPIO_InitTypeDef GPIO_InitStructure;
NVIC_InitTypeDef NVIC_InitStructure;
RCC_AHB1PeriphClockCmd(RCC_AHB1Periph_GPIOA|RCC_AHB1Periph_GPIOB|RCC_AHB1Periph_GPIOC|RCC_AHB1Periph_GPIOE, ENABLE);//使能GPIOA B C E 时钟
RCC_AHB2PeriphClockCmd(RCC_AHB2Periph_DCMI,ENABLE);//使能DCMI时钟
//PA4/6初始化设置
GPIO_InitStructure.GPIO_Pin = GPIO_Pin_4|GPIO_Pin_6;//PA4/6 复用功能输出
GPIO_InitStructure.GPIO_Mode = GPIO_Mode_AF; //复用功能输出
GPIO_InitStructure.GPIO_OType = GPIO_OType_PP;//推挽输出
GPIO_InitStructure.GPIO_Speed = GPIO_Speed_100MHz;//100MHz
GPIO_InitStructure.GPIO_PuPd = GPIO_PuPd_UP;//上拉
GPIO_Init(GPIOA, &GPIO_InitStructure);//初始化
GPIO_InitStructure.GPIO_Pin = GPIO_Pin_7|GPIO_Pin_6;// PB6/7 复用功能输出
GPIO_Init(GPIOB, &GPIO_InitStructure);//初始化
GPIO_InitStructure.GPIO_Pin = GPIO_Pin_6|GPIO_Pin_7|GPIO_Pin_8|GPIO_Pin_9|GPIO_Pin_11;//PC6/7/8/9/11 复用功能输出
GPIO_Init(GPIOC, &GPIO_InitStructure);//初始化
GPIO_InitStructure.GPIO_Pin = GPIO_Pin_5|GPIO_Pin_6;//PE5/6 复用功能输出
GPIO_Init(GPIOE, &GPIO_InitStructure);//初始化
GPIO_PinAFConfig(GPIOA,GPIO_PinSource4,GPIO_AF_DCMI); //PA4,AF13 DCMI_HSYNC
GPIO_PinAFConfig(GPIOA,GPIO_PinSource6,GPIO_AF_DCMI); //PA6,AF13 DCMI_PCLK
GPIO_PinAFConfig(GPIOB,GPIO_PinSource7,GPIO_AF_DCMI); //PB7,AF13 DCMI_VSYNC
GPIO_PinAFConfig(GPIOC,GPIO_PinSource6,GPIO_AF_DCMI); //PC6,AF13 DCMI_D0
GPIO_PinAFConfig(GPIOC,GPIO_PinSource7,GPIO_AF_DCMI); //PC7,AF13 DCMI_D1
GPIO_PinAFConfig(GPIOC,GPIO_PinSource8,GPIO_AF_DCMI); //PC8,AF13 DCMI_D2
GPIO_PinAFConfig(GPIOC,GPIO_PinSource9,GPIO_AF_DCMI); //PC9,AF13 DCMI_D3
GPIO_PinAFConfig(GPIOC,GPIO_PinSource11,GPIO_AF_DCMI);//PC11,AF13 DCMI_D4
GPIO_PinAFConfig(GPIOB,GPIO_PinSource6,GPIO_AF_DCMI); //PB6,AF13 DCMI_D5
GPIO_PinAFConfig(GPIOE,GPIO_PinSource5,GPIO_AF_DCMI); //PE5,AF13 DCMI_D6
GPIO_PinAFConfig(GPIOE,GPIO_PinSource6,GPIO_AF_DCMI); //PE6,AF13 DCMI_D7
DCMI_DeInit();//清除原来的设置
DCMI_InitStructure.DCMI_CaptureMode=DCMI_CaptureMode_Continuous;//连续模式
DCMI_InitStructure.DCMI_CaptureRate=DCMI_CaptureRate_All_Frame;//全帧捕获
DCMI_InitStructure.DCMI_ExtendedDataMode= DCMI_ExtendedDataMode_8b;//8位数据格式
DCMI_InitStructure.DCMI_HSPolarity= DCMI_HSPolarity_Low;//HSYNC 低电平有效
DCMI_InitStructure.DCMI_PCKPolarity= DCMI_PCKPolarity_Rising;//PCLK 上升沿有效
DCMI_InitStructure.DCMI_SynchroMode= DCMI_SynchroMode_Hardware;//硬件同步HSYNC,VSYNC
DCMI_InitStructure.DCMI_VSPolarity=DCMI_VSPolarity_Low;//VSYNC 低电平有效
DCMI_Init(&DCMI_InitStructure);
DCMI_ITConfig(DCMI_IT_FRAME,ENABLE);//开启帧中断
DCMI_Cmd(ENABLE); //DCMI使能
NVIC_InitStructure.NVIC_IRQChannel = DCMI_IRQn;
NVIC_InitStructure.NVIC_IRQChannelPreemptionPriority=0;//抢占优先级1
NVIC_InitStructure.NVIC_IRQChannelSubPriority =0; //子优先级3
NVIC_InitStructure.NVIC_IRQChannelCmd = ENABLE; //IRQ通道使能
NVIC_Init(&NVIC_InitStructure); //根据指定的参数初始化VIC寄存器、
}
5、DCMI配置
//DCMI DMA配置
//DMA_Memory0BaseAddr:存储器地址 将要存储摄像头数据的内存地址(也可以是外设地址)
//DMA_BufferSize:存储器长度 0~65535
//DMA_MemoryDataSize:存储器位宽
//DMA_MemoryDataSize:存储器位宽 @defgroup DMA_memory_data_size :DMA_MemoryDataSize_Byte/DMA_MemoryDataSize_HalfWord/DMA_MemoryDataSize_Word
//DMA_MemoryInc:存储器增长方式 @defgroup DMA_memory_incremented_mode /** @defgroup DMA_memory_incremented_mode : DMA_MemoryInc_Enable/DMA_MemoryInc_Disable
void DCMI_DMA_Init(u32 DMA_Memory0BaseAddr,u16 DMA_BufferSize,u32 DMA_MemoryDataSize,u32 DMA_MemoryInc)
{
DMA_InitTypeDef DMA_InitStructure;
RCC_AHB1PeriphClockCmd(RCC_AHB1Periph_DMA2,ENABLE);//DMA2时钟使能
DMA_DeInit(DMA2_Stream1);
while (DMA_GetCmdStatus(DMA2_Stream1) != DISABLE){}//等待DMA2_Stream1可配置
/* 配置 DMA Stream */
DMA_InitStructure.DMA_Channel = DMA_Channel_1; //通道1 DCMI通道
DMA_InitStructure.DMA_PeripheralBaseAddr = (u32)&DCMI->DR;//外设地址为:DCMI->DR
DMA_InitStructure.DMA_Memory0BaseAddr = DMA_Memory0BaseAddr;//DMA 存储器0地址
DMA_InitStructure.DMA_DIR = DMA_DIR_PeripheralToMemory;//外设到存储器模式
DMA_InitStructure.DMA_BufferSize = DMA_BufferSize;//数据传输量
DMA_InitStructure.DMA_PeripheralInc = DMA_PeripheralInc_Disable;//外设非增量模式
DMA_InitStructure.DMA_MemoryInc = DMA_MemoryInc;//存储器增量模式
DMA_InitStructure.DMA_PeripheralDataSize = DMA_PeripheralDataSize_Word;//外设数据长度:32位
DMA_InitStructure.DMA_MemoryDataSize = DMA_MemoryDataSize;//存储器数据长度
DMA_InitStructure.DMA_Mode = DMA_Mode_Circular;// 使用循环模式
DMA_InitStructure.DMA_Priority = DMA_Priority_High;//高优先级
DMA_InitStructure.DMA_FIFOMode = DMA_FIFOMode_Enable; //FIFO模式
DMA_InitStructure.DMA_FIFOThreshold = DMA_FIFOThreshold_Full;//使用全FIFO
DMA_InitStructure.DMA_MemoryBurst = DMA_MemoryBurst_Single;//外设突发单次传输
DMA_InitStructure.DMA_PeripheralBurst = DMA_PeripheralBurst_Single;//存储器突发单次传输
DMA_Init(DMA2_Stream1, &DMA_InitStructure);//初始化DMA Stream
}
6、DCMI开始传输
void DCMI_Start(void)
{
LCD_SetCursor(0,0);
LCD_WriteRAM_Prepare(); //开始写入GRAM
DMA_Cmd(DMA2_Stream1, ENABLE);//开启DMA2,Stream1
DCMI_CaptureCmd(ENABLE);//DCMI捕获使能
}
7、DCMI停止传输
//DCMI,关闭传输
void DCMI_Stop(void)
{
DCMI_CaptureCmd(DISABLE);//DCMI捕获使关闭
while(DCMI->CR&0X01); //等待传输结束
DMA_Cmd(DMA2_Stream1,DISABLE);//关闭DMA2,Stream1
}
8、DCMI中断服务函数
//DCMI中断服务函数
void DCMI_IRQHandler(void)
{
if(DCMI_GetITStatus(DCMI_IT_FRAME)==SET)//捕获到一帧图像
{
jpeg_data_process(); //jpeg数据处理
DCMI_ClearITPendingBit(DCMI_IT_FRAME);//清除帧中断
LED1=!LED1;
ov_frame++;
}
}
最后
以上就是时尚期待最近收集整理的关于DCMI接口之OV2640摄像头的全部内容,更多相关DCMI接口之OV2640摄像头内容请搜索靠谱客的其他文章。
发表评论 取消回复