OV2640
简介: 1/4寸CMOSUXGA (1632 * 1232)图像传感器。体积小、工作电压低,提供单片UXGA摄像头和影像处理器的所有功能。通过SCCB总线控制,可以输出整帧、子采样、缩放和取窗口等方式的各种分辨率8/10位影像数据。(此处一般选8位)UXGA最高15帧/秒(SVGA可达30帧,CIF可达60帧)。用户可以完全控制图像质量、数据格式和传输方式。所有图像处理功能辽程包括伽玛曲线、白平衡、对比度、色度等都可以通过SCCB接口编程。
特点:
(1)高灵敏度、低电压适合嵌入式应用;
(2)标准的SCCB接口,兼容IIC接口;
(3)支持RawRGB、RGB (RGB565/RGB555)、GRB422、YUV(422/420) 和YCbCr(422)输出格式。(一般用RGB565);
(4)支持UXGA、SXGA、SVGA以及按比例缩小到从SXGA到40*30的任何尺寸(通过DSP);
(5)支持自动曝光控制、自动增益控制、自动白平衡、自动消除灯光条纹、自动黑电平校准等自动控制功能。同时支持色饱和度、色相、伽马、锐度等设置;
(6)支持图像缩放和闪光灯;
(7)支持图像压缩,即可输出JPEG图像数据。
相关名称:
UXGA,即分辨率位1600 * 1200的输出格式,类似的还有:
SXGA (1280 * 1024)、XVGA (1280 * 960)、WXGA (1280 * 800)、XGA (1024 * 768)、SVGA(800 * 600)、VGA(640 * 480)、CIF (352 * 288)和QQVGA (160 * 120)
PCLK:像素时钟,一个PCLK时钟,输出一个(RawRgb)或半个(一个像素要两个PCLK输出,是RGB565,其一个像素需要两个字节输出)像素。
VSYNC:帧同步信号。
HREF /HSYNC:行同步信号。
OV2640的图像输出(通过Y[9:0],但是实际只用8位数据)是在PCLK,VSYNC,HREF /HSYNC的控制下进行的。
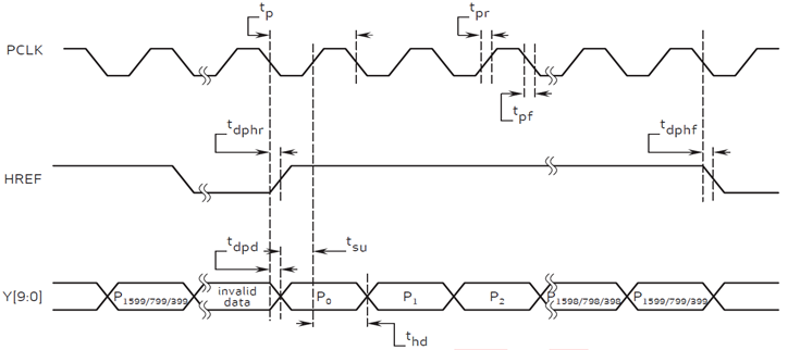
行输出时序
OV2640行输出时序
进行输出时,输出1200次数据(一次一行),每行有1600个数据
此输出是在PCLK的上升沿,HREF行有效信号的高电平期间(高电平有效),每个上升沿读一个像素或一个字节(RGB565)的数据。HREF低电平期间的数据直接忽略。每2个字节组成一个像素的颜色(低字节在前,高字节在后)。
每行输出共有1600 * 2个PCLK周期,输出1600 * 2个字节
行输出时序PCLK最大频率可达36Mhz。
帧输出时序
OV2640帧输出时序
YSYNC第一个脉冲完成,表示帧输出开始。该时序电平有效性可以设置,此处为低电平有效。在经过27193t§后,HREF变高,行数开始有效,经过1600t§读取1600个像素的数据,在322t§后继续下一个数据的传输。总共进行1200次传输后,一帧数据传输完毕。
OV2640支持RGB565或JPEG输出。RGB565输出时,时序如图所示。JPEG输出时,PCLK大大减少,且HREF不连续,数据流以0XFF,0XD8开头,以0XFF,0XD9结束,将此间数据保存为.jpg即可在电脑打开查看。
上图左下角note:raw使用一个T(pclk),8位数据;YUV或RGB使用两个T(pclk),包含十六位数据。
传感器窗口设置(OV2640_Window_Set)
传感器窗口设置允许用户设置整个传感器区域(1632 * 1220)的感兴趣部分,也就是在传感器里面开窗,开窗范围从2 * 2~1632 * 1220都可以设置,要求这个窗口必须大于等于随后设置的图像尺寸。传感器窗口设置,通过0X03/0X19/0X1A/0X07/0X17/0X18等寄存器设置。


图像尺寸设置(OV2640_ImageSize_Set)
图像尺寸设置,也就是DSP输出(最终输出到LCD的)图像的最大尺寸,该尺寸要小于等于前面我们传感器窗口设置所设定的窗口尺寸。图像尺寸通过:0XC0/0XC1/0X8C等寄存器设置。


图像窗口设置(OV2640_ImageWin_Set)
图像窗口设置其实和前面的传感器窗口设置类似,只是这个窗口是在我们前面设置的图像尺寸里面,再一次设置窗口大小,该窗口必须小于等于前面设置的图像尺寸。该窗口设置后的图像范围,将用于输出到外部。图像窗口设置通过0X51/0X52/0X53/0X54/0X55/0X57等寄存器。

图像输出大小设置(OV2640_OutSize_Set)
图像输出大小设置,控制最终输出到外部的图像尺寸。该设置将图像窗口设置所决定的窗口大小,通过内部DSP处理,缩放成我们输出到外部的图像大小。该设置将会对图像进行缩放处理,如果设置的图像输出大小不等于图像窗口设置图像大小,那么图像就会被缩放处理,只有这两者设置一样大的时候,输出比例才是1:1的。图像输出大小通过0X5A/0X5B/0X5C等寄存器设置。

图像输出示意图如下

注:该摄像头模块自带晶振,无需外部时钟;自带稳压电路,直接接3.3V即可工作;支持缩放(有DSP)。
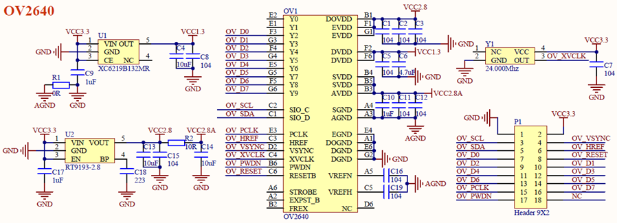
OV2640模块介绍
OV26340原理图
中间部分为芯片,右上角为晶振提供XVCLK。右下角为接口,D0-D7作为信号接口。接8位时,连接Y2-Y9.
下图为上图右下角细解

OV2640的初始化:
初始化IO口->上电(PWDN引脚)复位->读取传感器ID(可有可无)-> 执行初始化序列(配置寄存器工作模式)->完成初始化。
MCU读取OV2640模块图像数据的过程:
等待帧同步->等待HREF为高电平->等待第一个PCLK上升沿->读取第一个像素低字节->等待第二个PCLK上升沿->读取第一个像素高字节->(循环读取后面的像素数据,流程同读取第一个一致,先读低字节再读高字节)->结束。
DCMI
DCMI是STM32F4芯片自带的一个数字摄像头接口,该接口是一个同步并行接口,能够接收外部8位、10位、12位或 14位 CMOS 摄像头模块发出的高速数据流。可支持不同的数据格式:YCbCr4:2:2/RGB565逐行视频和压缩数据 (JPEG)。
DCMI接口可接收高速(可达 54 MB/s)数据流。该接口包含多达14条数据线(D13-D0)和一条像素时钟线(PIXCLK)。像素时钟的极性可以编程,因此可以在像素时钟的上升沿或下降沿捕获数据。
特点:
1.支持8 位、10 位、12 位或 14 位并行接口
2.支持内嵌码/外部行同步和帧同步
3.支持连续模式或快照模式
4.支持裁剪功能
5.支持以下数据格式:
(1)8/10/12/14 位逐行视频:单色或原始拜尔(Bayer)格式
(2)YCbCr 4:2:2逐行视频
(3)RGB 565 逐行视频
(4)压缩数据:JPEG
DCMI信号
STM32F4的DCMI接口包括如下信号:
1,数据据输入(D[0:13]),接摄像头的数据输出。(对于OV2640只用8条D[0:7])
2,水平同步(行同步)输入(HSYNC),接摄像头的HSYNC/HREF信号。
3,垂直同步(场同步)输入(VSYNC),接摄像头的VSYNC信号。
4,像素时钟输入(PIXCLK),接摄像头的PCLK信号。

DCMI接口的数据与PIXCLK(即PCLK)保持同步,并根据像素时钟的极性在像素时钟上升沿/下降沿发生变化。HSYNC(HREF)信号指示行的开始/结束,VSYNC信号指示帧的开始/结束。

图中,对应设置为:DCMI_PIXCLK的捕获沿为下降沿,DCMI_HSYNC和DCMI_VSYNC的有效状态为1。
注意:这里的有效状态实际上指数据无效的时候HSYNC和VSYNC的电平,则这段时间内的数据无效。
DCMI接收到的数据,存储在DCMI_DR寄存器(32位)里面,使用时OV2640采用8位数据宽度,每4个像素时钟,才捕获完32位数据,第一个字节存放在LSB位置,第四个字节存放在MSB位置,如下图所示:

DMA说明
DCMI支持DMA传输,当DCMI_CR寄存器中的CAPTURE位置1时,激活DMA接口。摄像头接口每次在其寄存器(DCMI_DR)中收到一个完整的32位数据块时,都将发一个DMA请求,由DMA将DCMI_DR寄存器的值搬运到目的地址(比如LCD/SRAM)。

DCMI的DMA请求是映射在DMA2通道1的数据流1上面的,所以配置DMA时,应该配置这个。
另外,如果是直接DCMI->DMA->LCD的传输方式,因为LCD是16位宽(RGB565),而DCMI_DR是32位宽,所以一次DCMI引起的DMA传输,将引发往LCD写2次数据。
模式:DCMI支持连续模式和快照模式,一般采用连续模式。
同步方式:DCMI支持内嵌码同步和硬件同步两种方式,一般采用硬件同步。
硬件同步模式下使用两个同步信号HSYNC和VSYNC。根据摄像头模块/模式的不同,可能在水平/垂直同步期间内发送数据。由于系统会忽略HSYNC/VSYNC信号有效电平期间内接收的所有数据,HSYNC/VSYNC 信号相当于消隐信号。
部分寄存器简介
1.DCMI控制寄存器(DCMI_CR)
ENABLE:用于设置是否使能DCMI。在使能之前,必须将其他配置设置好。
FCRC[1:0]:这两个位用于帧率控制,要捕获所有帧,设置为00即可。
VSPOL:用于设置垂直同步极性,也就是VSYNC引脚上面,数据无效时的电平状态,应该设置为0。
HSPOL:用于设置水平同步极性,也就是HSYNC引脚上面,数据无效时的电平状态,同样应该设置为0。
PCKPOL:用于设置像素时钟极性,用上升沿捕获,所以设置为1。
CM:用于设置捕获模式,用连续采集模式,设置为0即可。
CAPTURE:用于使能捕获,设置为1。该位使能后,将激活DMA,DCMI等待第一帧开始,然后生成DMA请求将收到的数据传输到目标存储器中。

2.DCMI中断使能寄存器

FRAME_IE,捕获完成中断使能位。实际上就是帧中断。在jpeg数据处理的时候,要用到帧中断,所以设置该位为1。
初始化流程:
(1)配置相关引脚的复用功能,使能DCMI时钟。
要用DCMI,先要使能DCMI的时钟。其次要设置DCMI的相关引脚为复用输出,以便连接ATK-OV2640模块。
(2)设置DCMI工作模式及PCLK/HSYNC/VSYNC等参数。
DCMI接口使用8位接口,连续模式,根据OV2640模块的输出时序图,设置:PCLK为上升沿有效, HSYNC和VSYNC为低电平有效(此时数据无效)。同时还要设置帧中断(jpeg数据采集用)等参数。
(3)设置DMA。
DCMI数据一般采用DMA来搬运,设置好DCMI相关参数后,需要设置DMA,以便采集数据。
(4)启动DCMI传输。
最后,设置DCMI->CR的最低位为1,即可启动DCMI捕获图像数据。
最后
以上就是开放羽毛最近收集整理的关于OV2640 DCMI的全部内容,更多相关OV2640内容请搜索靠谱客的其他文章。



发表评论 取消回复