













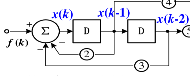
(关于最后的消去辅助变量x(K))最后一步是不是可以看成
如果让左右俩个函数都经过系统的前半部分
那么
就会变成
而
就会变成
数学不好,暂时就是这么理解的,估计还是不对。。。。。





![]()
由于a等于特征单根,所以会跟之前的齐次方程的值合并掉,所以其中的P0之后是不存在的(合并掉了)所以需要再加一个P1K

由于有初相角的存在,激励是cos或者sin的时候,必定分解之后是sin和cos的组合








因为小于0的时刻没有输入,所以小于0的时刻的全响应就只是零输入响应










最后
以上就是优美故事最近收集整理的关于信号与系统(十)——差分方程的建立和经典解法的全部内容,更多相关信号与系统(十)——差分方程内容请搜索靠谱客的其他文章。
本图文内容来源于网友提供,作为学习参考使用,或来自网络收集整理,版权属于原作者所有。
发表评论 取消回复