我是靠谱客的博主 灵巧蜡烛,这篇文章主要介绍RC释放回路,是怎样工作的请讲解。,现在分享给大家,希望可以做个参考。

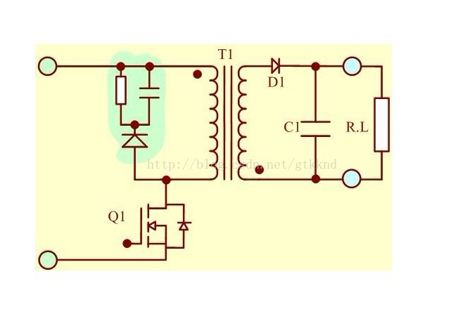
原线圈那里有个二极管,还有RC并联。他们是怎么工作的,请大牛分析啊。那个电容有什么作用?
  为什么电阻要并上个电容?当mos管Q1为高电平时导通,原线圈正常工作。当Q1为低电平时mos管截止,此时原线圈产生反相电动势。原线圈电流通过二极管释放,R限流防止电流过大烧坏二极管,可是为什么要加个电容,有了这个电容不是释放的瞬间相当于短路电流过大烧毁二极管吗?

 
 
2012-02-14 22:30  提问者采纳
这个电路没有想象中那么复杂,在变压器原绕组的两端并以二极管并串以电容器就是为了防止线圈的自感电势过高击穿开关管的。开关电源的振荡频率很高,并联电路中加电容器可加速释放电感的高电压(因为电容器中电流是超前的),在电容器两端并联电阻又是为了泄放电容器的端电压,没有这个电阻,电容器将失去作用。
泄放电流烧不了二极管,二极管本身就是作保护用,。
追问
你回答的很好。
  我还想问下,如果同时把电容和电阻都去掉,只保留那个二极管。不是也能达到构成反相释放回路吗,释放反向电压?
回答
只保留二极管也能达成泄放开关管过电压的目的,但泄放的速度有所不及。加电容串入泄放回路能提高泄放速度。还要注意一个概念,二极管泄放的是“过电压”,就是当开关管关闭时在电感自感电动势作用下产生的是比电源电压还要“正”的高电压,不是“反向电压”。
追问
谢谢,还有最后一个问题不明白。
   就是为什么二极管串上电容后,泄放速度会比二极管没串电容更快?我的理解是,二极管串上电容,线路上多加了一个元件。应该比没串电容的慢呀。
回答
因为电容器的充电〖电流是超前电压〗的(纯电容电路中电流超前电压90度),只要电流能及时释放,电感端的高电压就建立不起来。

最后

以上就是灵巧蜡烛最近收集整理的关于RC释放回路,是怎样工作的请讲解。的全部内容,更多相关RC释放回路,是怎样工作内容请搜索靠谱客的其他文章。

本图文内容来源于网友提供,作为学习参考使用,或来自网络收集整理,版权属于原作者所有。
点赞(210)

评论列表共有 0 条评论

立即
投稿
返回
顶部