浅谈三极管、运放、MOS管驱动的常见电路
- 前言
- 一、三极管的应用电路
- 二、运算放大器的应用电路
- 三、MOS管驱动电路
- 总结
前言
随着对电路应用能力的要求越来越高,模拟电路中的三极管和运放显得越来越重要,很多人都开启了模拟电路的学习,本文就介绍了三极管和运放中常见电路及应用的基础内容。
一、三极管的应用电路
三极管有三个工作状态:截止、放大、饱和,放大状态很有学问也很复杂,多用于集成芯片,比如运放……
其实,对信号的放大我们通常用运放处理,三极管更多的是当做一个开关管来使用,且只有截止、饱和两个状态。截止状态看作是关,饱和状态看作是开。Ib≥1mA时,完全可以保证三极管工作在饱和状态,对于小功率的三极管此时Ic为几十到几百mA,驱动继电器、蜂鸣器等功率器件绰绰有余。
常见的例子有:
把三极管箭头理解成一个开关,如下图为NPN型三极管,按下开关S1,约1mA的Ib流过箭头,三极管工作在饱和状态,c极到e极完全导通,c极电平接近0V(GND),负载RL两端压降接近5V。
Ib与Ic电流都流入e极,根据电流方向,e极为低电平,应接地,c极接负载和电源。对于NPN三极管更应该在b极加一个下拉电阻,一是为了保证b、e极间电容加速放电,加快三极管截止;二是为了保证给三极管b极一个已知逻辑状态,防止控制输入端悬空或高阻态时对三极管工作状态的不确定。


如下图为PNP型三极管,按下开关S2,约1mA的Ib流过箭头,三极管工作在饱和状态,e极到c极完全导通,c极电平接近5V,负载RL两端压降接近5V。
Ib与Ic电流都流出e极,根据电流方向,e极为高电平,应接电源,c极接负载和地;对于PNP三极管,更应该在b极加一个上拉电阻,原理同上。

下图NPN三极管,对于感性负载,必须在负载两端并联一个反向续流二极管,因为三极管在关断时,线圈会自感产生很高的反向电动势,而续流二极管提供的续流通路,同时钳位反向电动势,防止击穿三极管。续流二极管的选型必须是快恢复二极管或肖特基二极管,两者响应速度快。

为三极管延时导通,快速关断的一个仿真电路,D1、R2、C1、D2构成延时导通Q2的回路,C1的电压为12V的时候Q2导通,R3、Q1、R4、R1构成快速关断Q2的回路,C1通过R3和Q1快速放电。

总结:
(1)对于NPN三极管,在不考虑三极管的情况下,b极电阻与下拉电阻的分压必须大于0.7V,PNP同理。
(2)b极电流必须≥1mA可保证三极管处于饱和状态,此时Ic满足三极管 大的驱动能力。
(3)另外,对于三极管的放大倍数β,指的是输出电流的驱动能力放大了β,比如100倍,并不是把输出电流真正的放大了100倍。
二、运算放大器的应用电路
运算放大器组成的电路五花八门,令人眼花瞭乱,是模拟电路中学习的重点。在分析它的工作原理时倘没有抓住核心,往往令人头大。在介绍运算放大器电路的时候,无非是先给电路来个定性,比如这是一个同向放大器,然后去推导它的输出与输入的关系,然后得出Vo=(1+Rf)Vi,那是一个反向放大器,然后得出Vo=-RfVi……最后学生往往得出这样一个印象:记住公式就可以了!如果我们将电路稍稍变换一下,他们就找不着北了!
今天,芯片级维修教各位战无不胜的两招,这两招在所有运放电路的教材里都写得明白,就是“虚短”和“虚断”,不过要把它运用得出神入化,就要有较深厚的功底了。
虚短和虚断的概念
由于运放的电压放大倍数很大,一般通用型运算放大器的开环电压放大倍数都在80dB以上。而运放的输出电压是有限的,一般在 10 V~14 V。因此运放的差模输入电压不足1 mV,两输入端近似等电位,相当于 “短路”。开环电压放大倍数越大,两输入端的电位越接近相等。
“虚短”是指在分析运算放大器处于线性状态时,可把两输入端视为等电位,这一特性称为虚假短路,简称虚短。显然不能将两输入端真正短路。
由于运放的差模输入电阻很大,一般通用型运算放大器的输入电阻都在1MΩ以上。因此流入运放输入端的电流往往不足1uA,远小于输入端外电路的电流。故通常可把运放的两输入端视为开路,且输入电阻越大,两输入端越接近开路。
“虚断”是指在分析运放处于线性状态时,可以把两输入端视为等效开路,这一特性 称为虚假开路,简称虚断。显然不能将两输入端真正断路。
在分析运放电路工作原理时,首先请各位暂时忘掉什么同向放大、反向放大,什么加法器、减法器,什么差动输入……暂时忘掉那些输入输出关系的公式……这些东东只会干扰你,让你更糊涂﹔也请各位暂时不要理会输入偏置电流、共模抑制比、失调电压等电路参数,这是设计者要考虑的事情。我们理解的就是理想放大器(其实在维修中和大多数设计过程中,把实际放大器当做理想放大器来分析也不会有问题)。
好了,让我们抓过两把“板斧”------“虚短”和“虚断”,开始“庖丁解牛”了。*

图一运放的同向端接地=0V,反向端和同向端虚短,所以也是0V,反向输入端输入电阻很高,虚断,几乎没有电流注入和流出,那么R1和R2相当于是串联 的,流过一个串联电路中的每一只组件的电流是相同的,即流过R1的电流和流过R2的电流是相同的。流过R1的电流I1 = (Vi - V-)/R1 ……a 流过R2的电流I2 = (V- - Vout)/R2 ……b V- = V+ = 0 ……c I1 = I2 ……d 求解上面的初中代数方程得Vout = (-R2/R1)Vi 这就是传说中的反向放大器的输入输出关系式了。

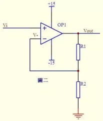
图二中Vi与V-虚短,则 Vi = V- ……a 因为虚断,反向输入端没有电流输入输出,通过R1和R2 的电流相等,设此电流为I,由欧姆定律得:I = Vout/(R1+R2) ……b Vi等于R2上的分压, 即:Vi = IR2 ……c 由abc式得Vout=Vi*(R1+R2)/R2 这就是传说中的同向放大器的公式了。

图三中,由虚短知:V- = V+ = 0 ……a 由虚断及基尔霍夫定律知,通过R2与R1的电流之和等于通过R3的电流,故 (V1 – V-)/R1 + (V2 – V-)/R2 = (Vout – V-)/R3 ……b 代入a式,b式变为V1/R1 + V2/R2 = Vout/R3 如果取R1=R2=R3,则上式变为Vout=V1+V2,这就是传说中的加法器了。
有人要问:(V1 – V-)/R1 + (V2 – V-)/R2 = (V- – Vout)/R3 ……b 图三公式中是不是少了个负号?
请看图四。因为虚断,运放同向端没有电流流过,则流过R1和R2的电流相等,同理流过R4和R3的电流也相等。故 (V1 – V+)/R1 = (V+ - V2)/R2 ……a (Vout – V-)/R3 = V-/R4 ……b 由虚短知:V+ = V- ……c 如果R1=R2,R3=R4,则由以上式子可以推导出 V+ = (V1 + V2)/2 V- = Vout/2 故 Vout = V1 + V2 也是一个加法器
。

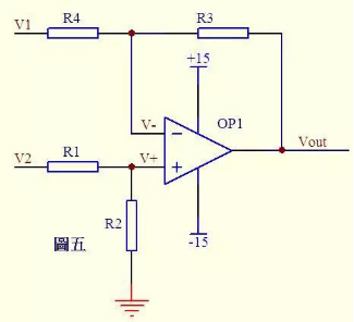
图五由虚断知,通过R1的电流等于通过R2的电流,同理通过R4的电流等于R3的电流,故有 (V2 – V+)/R1 = V+/R2 ……a (V1 – V-)/R4 = (V- - Vout)/R3 ……b 如果R1=R2, 则V+ = V2/2 ……c 如果R3=R4, 则V- = (Vout + V1)/2 ……d 由虚短知 V+ = V- ……e 所以 Vout=V2-V1 这就是传说中的减法器了
。

图六电路中,由虚短知,反向输入端的电压与同向端相等,由虚断知,通过R1的电流与通过C1的电流相等。通过R1的电流 i=V1/R1 通过C1的电流i=CdUc/dt=-CdVout/dt 所以 Vout=((-1/(R1C1))∫V1dt 输出电压与输入电压对时间的积分成正比,这就是传说中的积分电路了。若V1为恒定电压U,则上式变换为Vout = -Ut/(R1C1) t 是时间,则Vout输出电压是一条从0至负电源电压按时间变化的直线。
图七中由虚断知,通过电容C1和电阻R2的电流是相等的,由虚短知,运放同向端与反向端电压是相等的。则:Vout = -i * R2 = -(R2C1)dV1/dt 这是一个微分电路。如果V1是一个突然加入的直流电压,则输出Vout对应一个方向与V1相反的脉冲。

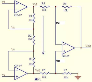
图八.由虚短知 Vx = V1 ……a Vy = V2 ……b 由虚断知,运放输入端没有电流流过,则R1、R2、R3可视为串联,通过每一个电阻的电流是相同的, 电流I=(Vx-Vy)/R2 ……c 则:Vo1-Vo2=I*(R1+R2+R3) = (Vx-Vy)(R1+R2+R3)/R2 ……d 由虚断知,流过R6与流过R7的电流相等,若R6=R7, 则Vw = Vo2/2 ……e 同理若R4=R5,则Vout – Vu = Vu – Vo1,故Vu = (Vout+Vo1)/2 ……f 由虚短知,Vu = Vw ……g 由efg得 Vout = Vo2 – Vo1 ……h 由dh得 Vout = (Vy –Vx)(R1+R2+R3)/R2 上式中(R1+R2+R3)/R2是定值,此值确定了差值(Vy –Vx)的放大倍数。这个电路就是传说中的差分放大电路了。
分析一个大家接触得较多的电路。很多控制器接受来自各种检测仪表的020mA或420mA电流,电路将此电流转换成电压后再送ADC转换成数字信号,图九就是这样一个典型电路。如图4-20mA电流流过采样100Ω电阻R1,在R1上会产生0.4~ 2V的电压差。由虚断知,运放输入端没有电流流过,则流过R3和R5的电流相等,流过R2和R4的电流相等。故:(V2-Vy)/R3 = Vy/R5 ……a (V1-Vx)/R2 = (Vx-Vout)/R4 ……b 由虚短知:Vx = Vy ……c 电流从0~ 20mA变化,则V1 = V2 + (0.4 ~ 2) ……d 由cd式代入b式得(V2 + (0.4~ 2)-Vy)/R2 = (Vy-Vout)/R4 ……e 如果R3=R2,R4=R5,则由e-a得Vout = -(0.4~ 2)R4/R2 ……f 图九中R4/R2=22k/10k=2.2,则f式Vout = -(0.88~ 4.4)V,即是说,将4~20mA电流转换成了-0.88 ~ -4.4V电压,此电压可以送ADC去处理。
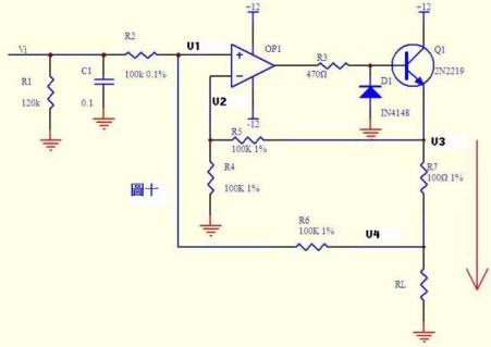
电流可以转换成电压,电压也可以转换成电流。图十就是这样一个电路。上图的负反馈没有通过电阻直接反馈,而是串联了三极管Q1的发射结,大家可不要以为是一个比较器就是了。只要是放大电路,虚短虚断的规律仍然是符合的!
由虚断知,运放输入端没有电流流过,则 (Vi – V1)/R2 = (V1 – V4)/R6 ……a同理 (V3 – V2)/R5 = V2/R4 ……b由虚短知 V1 = V2 ……c如果R2=R6,R4=R5,则由abc式得V3-V4=Vi上式说明R7两端的电压和输入电压Vi相等,则通过R7的电流I=Vi/R7,如果负载RL<<100KΩ,则通过Rl和通过R7的电流基本相同。
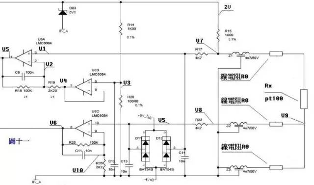
来一个复杂的,呵呵!图十一是一个三线制PT100前置放大电路。
PT100传感器引出三根材质、线径、长度完全相同的线,接法如图所示。有2V的电压加在由R14、R20、R15、Z1、PT100及其线电阻组成的桥电路上。Z1、Z2、Z3、D11、D12、D83及各电容在电路中起滤波和保护作用,静态分析时可不予理会,Z1、Z2、Z3可视为短路,D11、D12、D83及各电容可视为开路。
由电阻分压知,
V3=2R20/(R14+20)=200/1100=2/11 ……a
由虚短知,U8B第6、7脚 电压和第5脚电压相等
V4=V3 ……b
由虚断知,U8A第2脚没有电流流过,则流过R18和R19上的电流相等。(V2-V4)/R19=(V5-V2)/R18 ……c
由虚断知,U8A第3脚没有电流流过,
V1=V7 ……d
在桥电路中R15和Z1、PT100及线电阻串联,PT100与线电阻串联分得的电压通过电阻R17加至U8A的第3脚,
V7=2(Rx+2R0)/(R15+Rx+2R0) ……e
由虚短知,U8A第3脚和第2脚电压相等,V1=V2 ……f
由abcdef得,(V5-V7)/100=(V7-V3)/2.2 化简得 V5=(102.2V7-100V3)/2.2
即 V5=204.4(Rx+2R0)/(1000+Rx+2R0) – 200/11 ……g
上式输出电压V5是Rx的函数我们再看线电阻的影响。Pt100最下端线电阻上产生的电压降经过中间的线电阻、Z2、R22,加至U8C的第10脚,由虚断知,
V5=V8=V9=2R0/(R15+Rx+2R0) ……a
(V6-V10)/R25=V10/R26 ……b 由虚短知,
V10=V5 ……c
由式abc得 V6=(102.2/2.2)V5=204.4R0/[2.2(1000+Rx+2R0)] ……h
由式gh组成的方程组知,如果测出V5、V6的值,就可算出Rx及R0,知道Rx,查pt100分度表就知道温度的大小了。
三、MOS管驱动电路
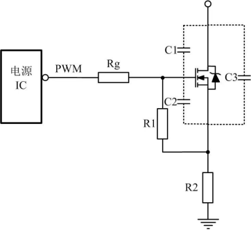
电源IC直接驱动

电源IC直接驱动是最简单的驱动方式,应该注意几个参数以及这些参数的影响。
①查看电源IC手册的最大驱动峰值电流,因为不同芯片,驱动能力很多时候是不一样的。②了解MOS管的寄生电容,如图C1、C2的值,这个寄生电容越小越好。如果C1、C2的值比较大,MOS管导通的需要的能量就比较大,如果电源IC没有比较大的驱动峰值电流,那么管子导通的速度就比较慢,就达不到想要的效果。
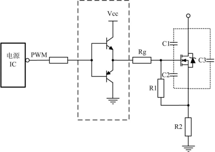
推挽驱动

当电源IC驱动能力不足时,可用推挽驱动。
这种驱动电路好处是提升电流提供能力,迅速完成对于栅极输入电容电荷的充电过程。这种拓扑增加了导通所需要的时间,但是减少了关断时间,开关管能快速开通且避免上升沿的高频振荡。
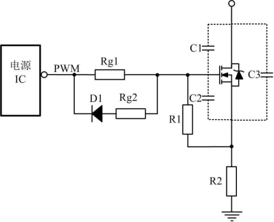
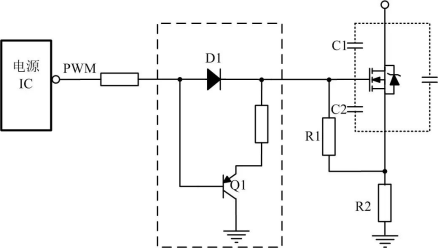
加速关断驱动

MOS管一般都是慢开快关。在关断瞬间驱动电路能提供一个尽可能低阻抗的通路供MOSFET栅源极间电容电压快速泄放,保证开关管能快速关断。
为使栅源极间电容电压的快速泄放,常在驱动电阻上并联一个电阻和一个二极管,如上图所示,其中D1常用的是快恢复二极管。这使关断时间减小,同时减小关断时的损耗。Rg2是防止关断的时电流过大,把电源IC给烧掉。

如上图,是我之前用的一个电路,量产至少上万台,推荐使用。
用三极管来泄放栅源极间电容电压是比较常见的。如果Q1的发射极没有电阻,当PNP三极管导通时,栅源极间电容短接,达到最短时间内把电荷放完,最大限度减小关断时的交叉损耗。
还有一个好处,就是栅源极间电容上的电荷泄放时电流不经过电源IC,提高了可靠性。

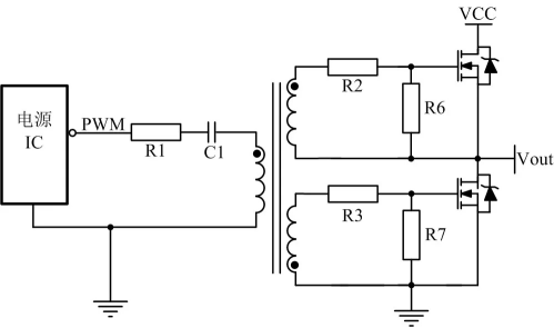
为了满足高端MOS管的驱动,经常会采用变压器驱动。其中R1目的是抑制PCB板上寄生的电感与C1形成LC振荡,C1的目的是隔开直流,通过交流,同时也能防止磁芯饱和。
总结
以上就是今天要讲的内容,本文仅仅简单介绍了三极管、运放、mos驱动电路的常见使用,具体应用能力还要仁者见仁智者见智。
最后
以上就是酷炫宝贝最近收集整理的关于浅谈三极管、运放、MOS管驱动 的常见电路前言一、三极管的应用电路二、运算放大器的应用电路三、MOS管驱动电路总结的全部内容,更多相关浅谈三极管、运放、MOS管驱动内容请搜索靠谱客的其他文章。
发表评论 取消回复