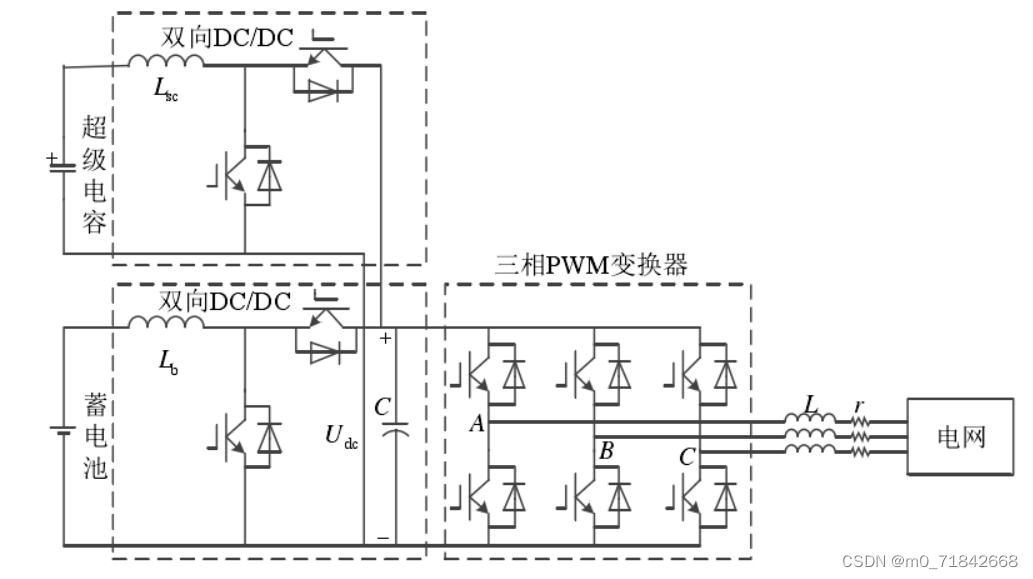
蓄电池与超级电容混合储能并网matlab/simulink仿真模型,混合储能采用低通滤波器进行功率分配,可有效抑制功率波动,并对超级电容的soc进行能量管理,soc较高时多放电,较低时少放电,soc较低时状态与其相反。

YID:87100
673657131490





最后
以上就是尊敬钢笔最近收集整理的关于蓄电池与超级电容混合储能并网matlab/simulink仿真模型,混合储能采用低通滤波器进行功率分配的全部内容,更多相关蓄电池与超级电容混合储能并网matlab/simulink仿真模型内容请搜索靠谱客的其他文章。
本图文内容来源于网友提供,作为学习参考使用,或来自网络收集整理,版权属于原作者所有。
发表评论 取消回复