Toggle navigation
首页
博客
下载
AI
科技
互联网
会员
中心
会员中心
发布资讯
发布博文
发布资源
首页
文章中心
数字电路
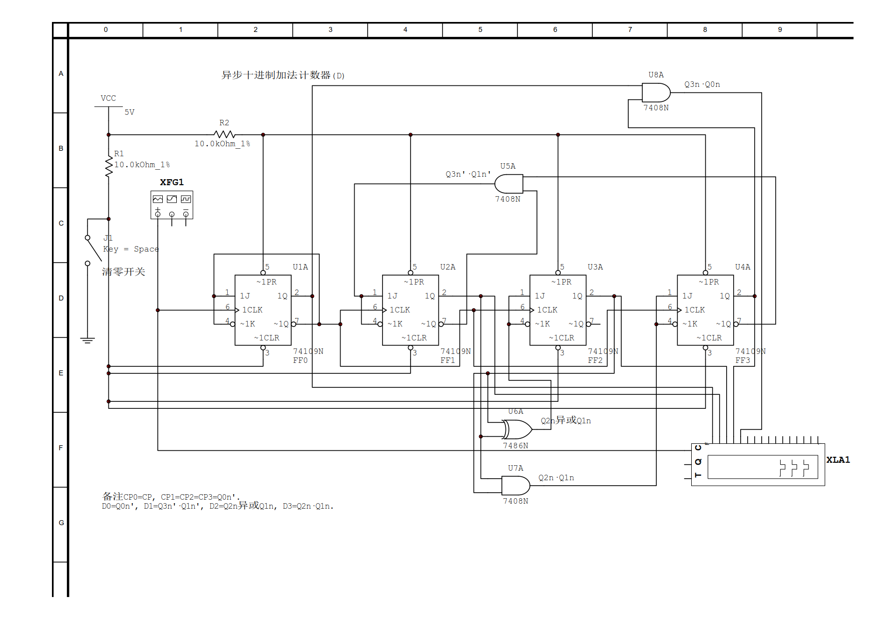
异步十进制加法计数器(D)
216 阅读
0 评论
143 点赞
我是
靠谱客
的博主
诚心大山
,这篇文章主要介绍
异步十进制加法计数器(D)
,现在分享给大家,希望可以做个参考。
最后
以上就是
诚心大山
最近收集整理的关于
异步十进制加法计数器(D)
的全部内容,更多相关
异步十进制加法计数器(D)
内容请搜索靠谱客的其他文章。
本图文内容来源于网友提供,作为学习参考使用,或来自网络收集整理,版权属于原作者所有。
点赞(
143
)
本文分类:
数字电路
浏览次数:
216
次浏览
发布日期:2023-05-26 22:28:01
本文链接:
https://www.kaopuke.com/article/k-p-k_14_ujocf5_14_zg0.html
相关文章
2020年山东大学数字电路906真题2020年山东大学数字电路906真题
d触发器q端的输出波形_05.SR锁存器基础知识和波形图分析1.或非门组成的SR锁存器(对高电平敏感)case1:case2:case3:case4:2.与非门组成的SR锁存器(对低电平敏感)
异步十进制加法计数器(D)(与之前设计的时钟方程不同)
74HC161异步计数器仿真示例
异步十进制加法计数器(D)
VHDL借助十进制计数器实现100进制计数器 74160
异步二进制递减计数器(结构描述方法)
两片74161实现60进制_如何用两片74160来接一个60进制的计数器
评论列表
共有
0
条评论
发表评论
取消回复
登录
注册新账号
立即
投稿
返回
顶部
发表评论 取消回复