2020年山东大学数字电路906真题
我去年数字电路144分,并且预测到两道比较难的考试原题,最终以综合成绩第一被录取。
个人觉得真题是最好的资料,没有之一。
数电总的来说知识点不难,但是需要注意细节和解题步骤。
由于官方不公布答案,所以好多同学不知道自己做的正确与否和自己的步骤是否规范。
准备参加906考试的同学可以添加我的联系方式:QQ:2979142853
可以免费领取近几年考试真题和个人觉得质量不错的答案以及填空题题库。
同时本人可以提供真题辅导和传授考试技巧,知识点答疑以及预测等服务。
2020年和2021年数字电路906的考试原题,官网并没有公布。本人是2021年一战数字电路144分上岸。从题型上看,自831科目取消后,学硕和专硕统一考906之后。近四五年题型和考察重点并没有发生变化。因此研究,并且做精近几年的考试真题是很有意义的。2020年真题是通过请教师哥,回忆出的版本。而2021年则是我自己考完之后,回忆出来的。八道大题的知识点,基本就是这些。
废话不多说,直接送上真题,有需要的朋友自取。
一. 填空题均在题库可以找到
二. 简答题同前些年一样常规
三. 设计题考点
1.试用与非门和异或门设计一个组合逻辑电路来判断输入
的四位二进制数能否被 5 整除(0 可被 5 整除), 若可被整除
则输出 F=1, 否则 F=0. (15 分)
2.试用多片 2K×8 的 RAM 扩展为 4K×16 的 RAM(10 分)
(10 分)3.试用 74LS138 实现满足下面描述的逻辑函数: 有
三个输入变量 A、B、C 和三个输出变量 Z3、Z2、Z1, 当 A、
B、C 都为 0 时输出 Z1=Z2=Z3=0;当 A、B、C 中只有一个为 1
时只有 Z1=1; 当 A、B、C 中有两个为 1 时只有 Z2=1; 当 A、
B、C 都为 1 时只有 Z3=1.
(10 分)4. 试用 2 片 74151 和必要的门电路实现 4 变量逻辑
函数 F(A,B,C,D)=∑m(2,3,4,5,6,9,10,12).
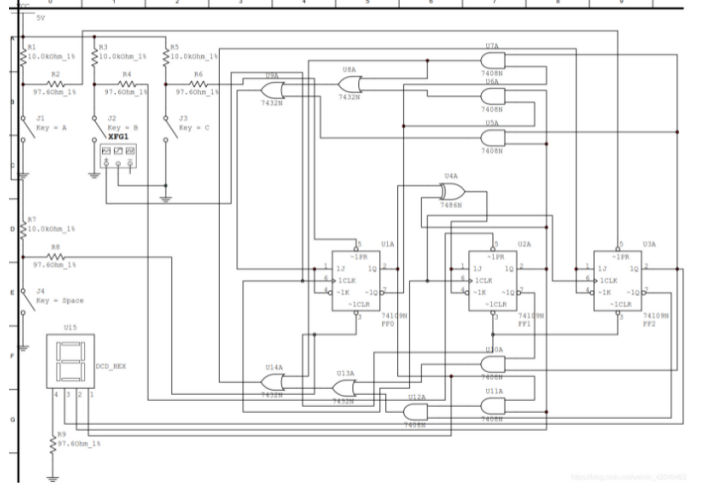
(10 分)5. 试分析下面的电路是几进制的计数器, 再分析电
路是否可靠: 若不可靠, 请作出适当修改, 将电路修改正
确.
(10 分)6. 试求下图示电路的驱动方程、状态方程, 并画出状态表. 再在本电路的基础上, 修改反馈逻辑, 将电路改造成同步八进制计数器.
(15分)7.用 D 触发器和必要的门电路设计能实现下面时序图波形的时序逻辑电路.
(15 分)8. 请用 D 触发器和必要的门电路, 设计能产生下图示时序图波形的电路

最后
以上就是单身香烟最近收集整理的关于2020年山东大学数字电路906真题2020年山东大学数字电路906真题的全部内容,更多相关2020年山东大学数字电路906真题2020年山东大学数字电路906真题内容请搜索靠谱客的其他文章。
发表评论 取消回复