只有时钟clk:

Q由D控制,Q=D,但在clk时钟上升沿才会改变
// 2022-1-27 verilog 学习
// D触发器
`timescale 1ns/10ps
module dff1(clk, d, q);
input clk,d;
output q;
reg q; // 由always敏感变量控制的量是reg
always @(posedge clk) // 只在时钟上升沿改变
begin
q <= d;
end
endmodule
// ------testbench----
module dff1_tb;
reg clk,d;
wire q;
dff1 dff1(
.clk(clk),
.d(d),
.q(q)
);
initial begin
d<=0;clk<=0; //reg初值
#100 $stop;
end
always #5 clk = ~clk;
always #10 d <= d+1;
endmodule

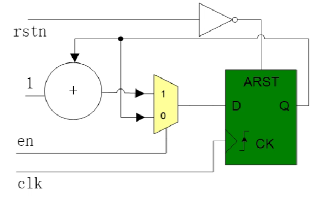
时钟clk,使能en,复位res:

// 2022-1-27 verilog 学习
// D触发器 clk res en
`timescale 1ns/10ps
module dff2(clk, res, en, d, q);
input clk;
input res;
input en;
input d;
output q;
reg q;
always@(posedge clk or negedge res)
begin
if(~res)
begin
q<=0;
end
else begin
if(en)
begin
q <= d;
end
end
end
endmodule
// ------testbench----
module dff2_tb;
reg clk,res,en,d;
wire q;
dff2 dff2(
.clk(clk),
.res(res),
.en(en),
.d(d),
.q(q)
);
initial begin
d<=0;clk<=0;res<=0;en<=0; //reg初值
#17 res<=1;
#20 en<=1;
#100 $stop;
end
always #5 clk = ~clk;
always #10 d <= d+1;
endmodule

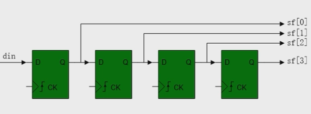
移位寄存器
图中箭头所示,数据移动方向为从左到右,观察各个D触发器输出连接的名称,即 s[2] 移给 s[3],往高位移动,左移

// 左移 写法一
sf[3:1] = sf[2:0]; // 原来的sf[2:0]赋值给现在的sf[3:1]
sf[0] = din; // 现在的sf[0]用din补上
// 左移 写法二
sf = sf{sf[2:0], din}
// 右移 写法一
sf[2:0] = sf[3:1];
sf[3] = din;
// 右移 写法二
sf = sf{din, sf[3:1] }
计数器

cnt = cnt+1;
最后
以上就是怡然蜜蜂最近收集整理的关于verilog D触发器只有时钟clk:时钟clk,使能en,复位res:的全部内容,更多相关verilog内容请搜索靠谱客的其他文章。
本图文内容来源于网友提供,作为学习参考使用,或来自网络收集整理,版权属于原作者所有。
发表评论 取消回复