目录
- 0. 基本概念
- 1. 基本寄存器
- (1) 门电路构成的寄存器
- (2) 集成8位寄存器【74HC374】
- 2. 移位寄存器
- (1) 单向移位寄存器
- (2) 双向4位移位寄存器【74HCT194】
- (3) 应用
注意:
只有在寄存器中,低位在前,高位在后
0. 基本概念
寄存: 把二进制数据或代码暂时存储起来的操作
寄存器: 具有寄存功能的电路
双向移位寄存器: 能控制数据的流向,实现数据的双向移动的寄存器。
并行输入输出: 每一位数据对应一个输出端,在CP的作用下,各位同时输入或输出。
串行输入输出: 只有一个输入输出端,在CP的作用下,各数码逐次输入输出。
右移: 数据从低位触发器移向高位。
左移: 数据从高位触发器移向低位。
1. 基本寄存器
(1) 门电路构成的寄存器

-
工作原理: 一个触发沿的到来,时间只够触发器工作一次,所有的输入D前进到D触发器的输出端,再由三态门控制是否输出出去。
-
功能: 用来寄存一组二进制数据或代码
-
特点:
- 只能并行输入,也只能并行输出
- 一个触发器存储存储1位二进制信号
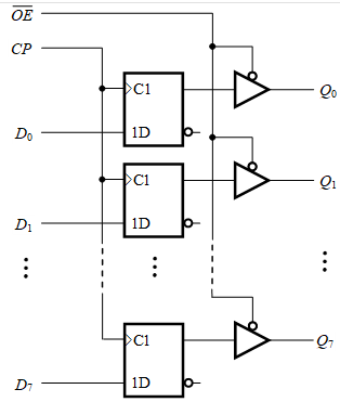
(2) 集成8位寄存器【74HC374】
- 功能表

2. 移位寄存器
(1) 单向移位寄存器

-
工作原理: 一个触发沿的时刻只够各个D触发器工作一次,所以输入D一次向前一位。
-
特点: 只能用脉冲边沿敏感的触发器,而不能用电平敏感的锁存器
(2) 双向4位移位寄存器【74HCT194】
① 逻辑符号

此时低位在左,高位在右
- C P CP CP:脉冲输入。
- Q 0 Q 1 Q 2 Q 3 Q_0Q_1Q_2Q_3 Q0Q1Q2Q3:输出端。
- D 0 D 1 D 2 D 3 D_0D_1D_2D_3 D0D1D2D3:输入端
- C R CR CR:异步清零端。低电平有效
- S 1 S 0 S_1S_0 S1S0:输入控制端。
- D S R D_{SR} DSR:右移时串入信号。串行输入,并行输出
- D S L D_{SL} DSL:左移时串入信号。
② 功能表

| C R ‾ = 1 时 overline{CR} = 1时 CR=1时 | 功能 |
|---|---|
| S1 = 0,S0 = 0 | 保持 |
| S1 = 1,S0 = 0 | 左移 |
| S1 = 0,S0 = 1 | 右移 |
| S1 = 1,S0 = 1 | 置数D0D1D2D3 |
③ 位数拓展

(3) 应用
*根据状态图或时序图来判断
-
模为n的环形计数器
-
模为n的扭环形计数器
-
时序脉冲产生器
最后
以上就是腼腆白昼最近收集整理的关于寄存器0. 基本概念1. 基本寄存器2. 移位寄存器的全部内容,更多相关寄存器0.内容请搜索靠谱客的其他文章。
本图文内容来源于网友提供,作为学习参考使用,或来自网络收集整理,版权属于原作者所有。
发表评论 取消回复