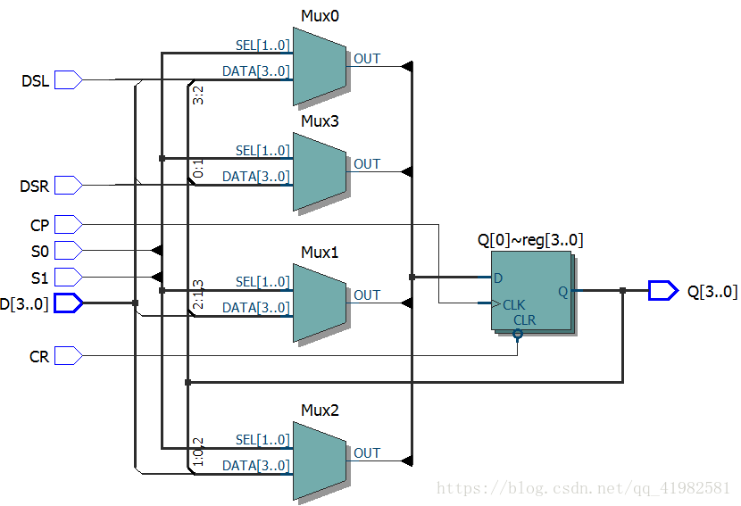
module cy4(input S1,S0,//选择输入端口声明
input DSR,DSL,//串行数据输入
input CP,CR,//时钟和清零输入
input[3:0] D,//并行数据输入
output reg[3:0]Q//输出端口及变量的数据类型声明
);
always @(posedge CP or negedge CR)
if(!CR) Q <= 4'b0000;
else
case({S1,S0})
2'b00:Q <= Q;//输出保持不变
2'b01:Q <= {Q[2:0],DSR};//右移
2'b10:Q <= {DSL,Q[3:1]};//左移
2'b11:Q <= D;//并行置数
endcase
endmodule

最后
以上就是漂亮外套最近收集整理的关于4位双向移位寄存器(行为描述)的全部内容,更多相关4位双向移位寄存器(行为描述)内容请搜索靠谱客的其他文章。
本图文内容来源于网友提供,作为学习参考使用,或来自网络收集整理,版权属于原作者所有。
发表评论 取消回复