Toggle navigation
首页
博客
下载
AI
科技
互联网
会员
中心
会员中心
发布资讯
发布博文
发布资源
首页
文章中心
数字电路
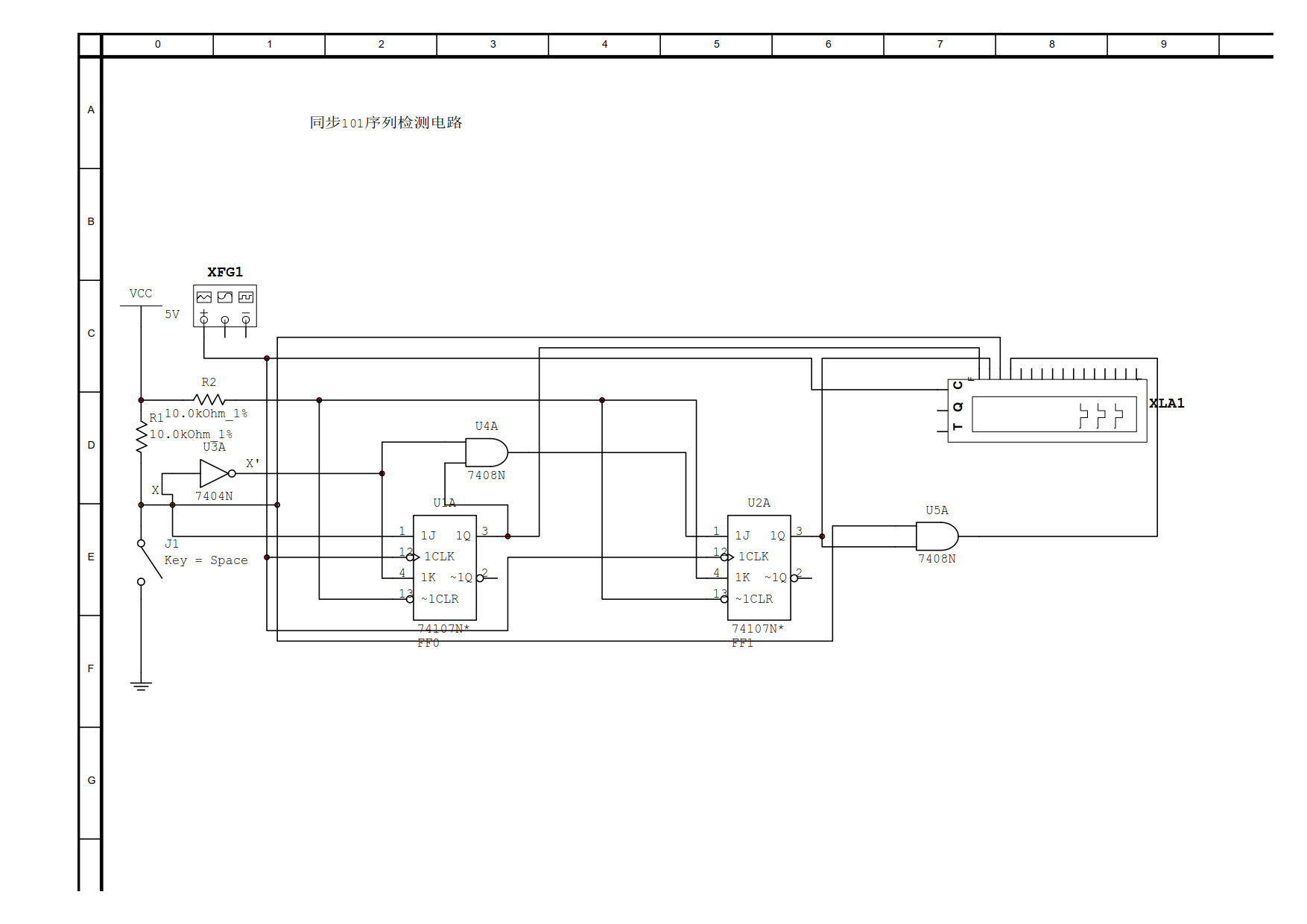
同步101序列检测电路
227 阅读
0 评论
150 点赞
我是
靠谱客
的博主
羞涩蚂蚁
,这篇文章主要介绍
同步101序列检测电路
,现在分享给大家,希望可以做个参考。
最后
以上就是
羞涩蚂蚁
最近收集整理的关于
同步101序列检测电路
的全部内容,更多相关
同步101序列检测电路
内容请搜索靠谱客的其他文章。
本图文内容来源于网友提供,作为学习参考使用,或来自网络收集整理,版权属于原作者所有。
点赞(
150
)
本文分类:
数字电路
浏览次数:
227
次浏览
发布日期:2023-05-25 14:47:01
本文链接:
https://www.kaopuke.com/article/k-p-k_14_ujocf3_13_j_22_y.html
相关文章
(原创)数字电路设计基础 大一期末 项目 交通灯控制器设计
三个彩灯循环点亮程序_单片机与接口技术线上教学案例节日彩灯设计 贾婷
HDLBits答案(12)_Verilog移位寄存器Verilog移位寄存器
或门、与门模型在电路设计中的运用
同步101序列检测电路
硬件面试题
三色灯的点亮逻辑 | 可自定义
数字电路的与门、或门、非门--FPGA--005
评论列表
共有
0
条评论
发表评论
取消回复
登录
注册新账号
立即
投稿
返回
顶部
发表评论 取消回复