Verilog移位寄存器
HDLBits链接
前言
今天更新一节寄存器相关内容,其中涉及CRC校验的内容是用线性反馈移位寄存器搭建而成的。
题库
题目描述1:
构建一个4bit的移位寄存器(右移),含异步复位、同步加载和使能
- areset:让寄存器复位为0
- load:加载4bit数据到移位寄存器中,不移位
- ena:使能右移
- q:移位寄存器中的内容
Solution1:
module top_module(
input clk,
input areset, // async active-high reset to zero
input load,
input ena,
input [3:0] data,
output reg [3:0] q);
always @(posedge clk or posedge areset)begin
if(areset)begin
q <= 4'b0;
end
else if(load) begin
q <= data;
end
else if(ena)begin
q <= {1'b0,q[3:1]};
end
else begin
q <= q;
end
end
endmodule
题目描述2:
构建一个100位的左右旋转器,同步load,左右旋转需使能。旋转器从另一端输入移位的位元,不像移位器那样丢弃移位的位元而以零位移位。如果启用,旋转器就会旋转这些位,而不会修改或丢弃它们。
- load:加载100位的移位寄存器数据
- ena[1:0]:2’b01 右转1bit; 2’b10 左转1bit;其他情况不转
- q:旋转器内容
Solution2:
module top_module(
input clk,
input load,
input [1:0] ena,
input [99:0] data,
output reg [99:0] q);
always @(posedge clk) begin
if(load) begin
q <= data;
end
else begin
case (ena)
2'b01:q <= {q[0],q[99:1]};
2'b10:q <= {q[98:0],q[99]};
default:q <= q;
endcase
end
end
endmodule
题目描述3:
建立一个64位算术移位寄存器,同步加载。移位器可以左右移位,并按数量选择1位或8位的移位。
- load:加载数据
- ena:决定是否移位
- amount:决定移位方向与数量:2’b00:左移1位;2’b01:左移8位;2’b10:右移1位;2’b11:右移8位
- q:寄存器内容(输出)
Solution3:
module top_module(
input clk,
input load,
input ena,
input [1:0] amount,
input [63:0] data,
output reg [63:0] q);
always @(posedge clk)begin
if(load)begin
q <= data;
end
else begin
if(ena)begin
case(amount)
2'b00: q <= {q[62:0],1'b0};
2'b01: q <= {q[55:0],8'b0};
2'b10: q <= {q[63],q[63:1]};
2'b11: q <= {{8{q[63]}},q[63:8]};
endcase
end
else begin
q <= q;
end
end
end
endmodule
题目描述4:
构造线性移位寄存器,reset应当使LFSR归1。

Solution4:
module top_module(
input clk,
input reset, // Active-high synchronous reset to 5'h1
output [4:0] q
);
always @(posedge clk)begin
if(reset)begin
q <= 5'h1;
end
else begin
q[4] <= 1'b0 ^ q[0];
q[3] <= q[4];
q[2] <= q[3] ^ q[0];
q[1] <= q[2];
q[0] <= q[1];
end
end
endmodule
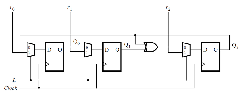
题目描述5:
为这个序列电路编写Verilog代码。假设你要在DE1-SoC板上实现这个电路。将R输入连接到SW开关,将时钟连接到密钥[0],将L连接到密钥[1],将Q输出连接到红灯LEDR上。

Solution5:
module top_module (
input [2:0] SW, // R
input [1:0] KEY, // L and clk
output [2:0] LEDR); // Q
wire clk;
assign clk = KEY[0];
always @(posedge clk)begin
if(KEY[1])begin
LEDR[0] <= SW[0];
LEDR[1] <= SW[1];
LEDR[2] <= SW[2];
end
else begin
LEDR[0] <= LEDR[2];
LEDR[1] <= LEDR[0];
LEDR[2] <= LEDR[2] ^ LEDR[1];
end
end
endmodule
题目描述5:
构建一个32位的Galois LFSR,其taps位置为32、22、2和1。
Solution5:
module top_module(
input clk,
input reset, // Active-high synchronous reset to 32'h1
output [31:0] q
);
integer i;
always @(posedge clk)begin
if(reset)begin
q <= 32'h1;
end
else begin
for(i=0;i<32;i++)begin
if((i==21)||(i==1)||(i==0))begin
q[i] <= q[i+1] ^ q[0];
end
else if(i==31)begin
q[31] <= 1'b0 ^ q[0];
end
else begin
q[i] <= q[i+1];
end
end
end
end
endmodule
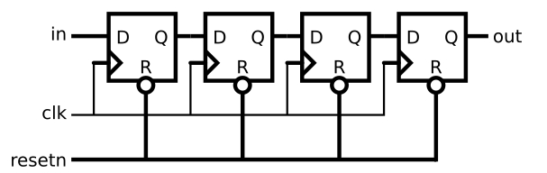
**题目描述6:**实现如下电路图

Solution6:
module top_module (
input clk,
input resetn, // synchronous reset
input in,
output out);
reg [3:0] tmp;
assign out = tmp[3];
always @(posedge clk)begin
if(!resetn)begin
tmp <= 4'h0;
end
else begin
tmp <= {tmp[2:0],in};
end
end
endmodule
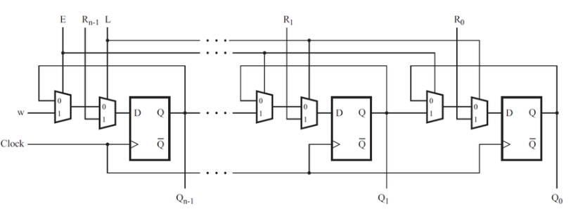
**题目描述7:**实现如下电路图

- Connect the R inputs to the SW switches,
- clk to KEY[0],
- E to KEY[1],
- L to KEY[2], and
- w to KEY[3].
- Connect the outputs to the red lights LEDR[3:0].
Solution7:
module top_module (
input [3:0] SW,
input [3:0] KEY,
output [3:0] LEDR
);
MUXDFF u1(.clk(KEY[0]),
.w(KEY[3]),
.R(SW[3]),
.E(KEY[1]),
.L(KEY[2]),
.Q(LEDR[3]));
MUXDFF u2(.clk(KEY[0]),
.w(LEDR[3]),
.R(SW[2]),
.E(KEY[1]),
.L(KEY[2]),
.Q(LEDR[2]));
MUXDFF u3(.clk(KEY[0]),
.w(LEDR[2]),
.R(SW[1]),
.E(KEY[1]),
.L(KEY[2]),
.Q(LEDR[1]));
MUXDFF u4(.clk(KEY[0]),
.w(LEDR[1]),
.R(SW[0]),
.E(KEY[1]),
.L(KEY[2]),
.Q(LEDR[0]));
endmodule
module MUXDFF (
input clk,
input w,R,E,L,
output Q
);
wire tmp;
assign tmp = E ? w : Q;
always @(posedge clk)begin
Q <= L? R : tmp;
end
endmodule
题目描述8:
在这个问题中,你将为一个8x1存储器设计一个电路,在这个电路中,写入到存储器是通过移位来完成的,而读取是“随机访问”,就像在一个典型的RAM中一样。然后您将使用该电路实现一个3输入逻辑功能。
首先,用8个d类型触发器创建一个8位移位寄存器。标记为Q[0]到Q[7]。移位寄存器输入称为S,输入Q[0] (MSB先移位)。使能输入enable控制是否移位,扩展电路使其有3个额外的输入A,B,C和一个输出Z。电路的行为应该如下:当ABC为000时,Z=Q[0],当ABC为001时,Z=Q[1],以此类推。你的电路应该只包含8位移位寄存器和多路复用器。(这个电路称为3输入查找表(LUT))。
Solution8:
module top_module (
input clk,
input enable,
input S,
input A, B, C,
output Z );
reg [7:0] Q;
always @(posedge clk)begin
if(enable)begin
Q <= {Q[6:0],S};
end
else begin
Q <= Q;
end
end
assign Z = Q[{A,B,C}];
endmodule
小结
今天更新了部分移位寄存器部分的答案,注意最后一题用了一些技巧来简化代码书写,但实现时电路并无差异,体现了HDL中Describe的特性。之后一段时间还要忙比赛,有空再继续更,希望队伍比赛顺利。
最后
以上就是懵懂八宝粥最近收集整理的关于HDLBits答案(12)_Verilog移位寄存器Verilog移位寄存器的全部内容,更多相关HDLBits答案(12)_Verilog移位寄存器Verilog移位寄存器内容请搜索靠谱客的其他文章。
发表评论 取消回复