1、常用的触发器
(1)RS触发器

(2)带电平触发的RS触发器
在普通RS触发器的基础上增加一个触发信号输入端,就形成了带电平触发的RS触发器

若图形符号的CLK引脚外部没有圆圈,则代表CLK为高电平有效,反之为低电平有效。
(3)带异步置位和复位的电平触发RS触发器

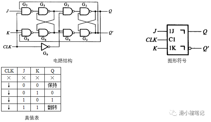
(4)JK触发器

(5)D触发器
将电平触发型RS触发器的RS两端通过反相器接在一起,引出一端形成的触发器称为电平触发D触发器,又称D型锁存器。

(6)T触发器(将JK触发器的J和K接在一起就构成了T触发器)

(7)主从RS触发器

(8)主从JK触发器

2、时序逻辑电路的分析
(1)分析步骤:从给定的逻辑图中写出每个触发器的驱动方程(即存储电路中每个触发器输入信号的逻辑函数式);将得到的这些驱动方程代入对应触发器的特性方程,得出每个触发器的状态方程,从而得到由这些状态方程组成的整个时序电路的状态方程组;最后根据逻辑图写出电路的输出方程。
(2)状态转换表:若将任何一组输入变量及电路初态的取值代入状态方程和输出方程,即可算出电路的次态和现态下的输出值;以得到的次态作为新的初态,和这时的输入变量取值一起再代入状态方程和输出方程进行计算,又得到一组新的次态和输出值,以此类推,将全部计算结果列成真值表的形式,就得到了状态转换表。
(3)状态转换图:为了以更加形象的方式直观的显示出时序电路的逻辑功能,有时候还进一步将状态转换表的内容表示成状态转换图的形式。
(4)时序图:为了便于实验观察的方式检查时序逻辑电路的功能,还可以将状态转换表的内容画成时间波形的形式,在输入信号和时钟脉冲序列的作用下,电路状态,输出状态随时间变化的波形图称为时序图。
3、寄存器与移位寄存器
(1)寄存器:所谓寄存器,是用于寄存一组二进制代码的结构,被广泛地用于各类数字系统和数字计算机中,由于一个触发器只能存储1位二进制代码,所以用N个触发器组成的寄存器可以储存一组N位二进制代码,对于寄存器中的触发器只要求他们具有置1和清0的功能,故任一触发器均可组成寄存器。
(2)移位寄存器:除了具备存储代码的功能之外,还具有移位功能,所谓移位功能,是指寄存器里存储的代码能在移位脉冲的作用下依次左右移动,因此,移位寄存器不仅可以存储二进制代码,还可以做数据的并串转换,数值的运算及数据处理等。
(3)74LS75是由电平触发的同步RS触发器组成的4位寄存器,74HC175则是由CMOS变压触发器组成的4位寄存器。74LS194A是双向移位寄存器。74LS194真值表如下图示。


解析:该电路由两片4位加法器74283和4片移位寄存器74LS194A组成,两片74283接成了一个8位并行加法器,4片74LS194A分别接成了两个8位的单向移位寄存器,由于两个8位移位寄存器的输出分别加到了8位并行加法器的两组输入端,所以上图是将两个8位移位寄存器的内容相加的运算电路。电路的波形图如图所示

4、计数器
(1)同步计数器:目前所知的同步计数器芯片基本上分为二进制和十进制两种。一般同步二进制计数器除了计数之外,还可以用作分频器,同步计数器一般由T触发器组成。
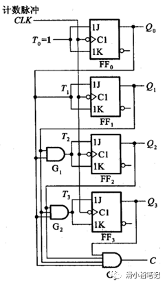
例题1:如图所示二进制同步加法计数器,试分析电路功能。


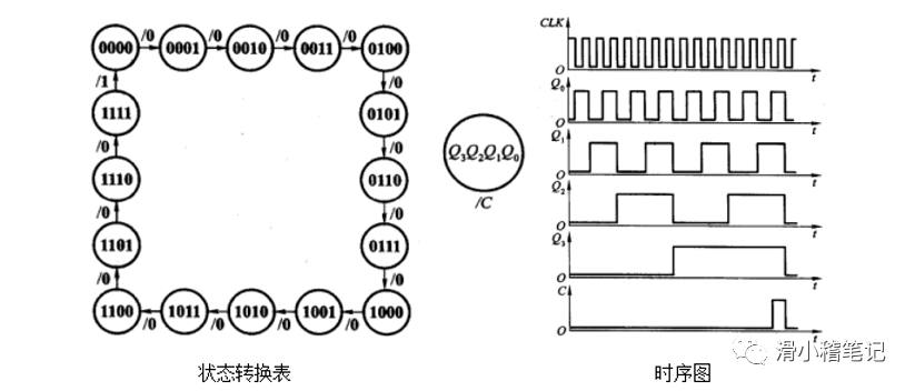
根据上述状态方程与输出方程可得状态转换表

根据状态转换表可绘制出状态转换图和时序图如下图所示

注:常见的集成同步计数器有74161,74162和74153,真值表如下表所示。

常见的集成同步16进制加减计数器有74LS191,真值表如下表所示。

(2)异步计数器:异步计数器在做“加1”计数时是采用从低到高逐位进位的方式工作的,因此,其中的各个触发器不是同步翻转的。
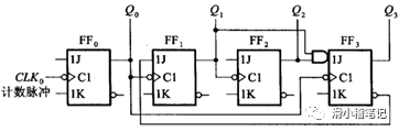
①下面是用T触发器组成的3位二级制加法计数器,T触发器是令J和K为1得到的,图中的触发器在时钟信号下降沿动作,所以进位信号应从低位的Q引出,最低位触发器的时钟信号也就是要记录的计数输入脉冲。

常见的异步二进制计数器产品有4位的(74LS293,74LS393,74HC393等),7位的(CC4024等),12位的(74HC4040等)和14位(74HC4020等)等几种类型。
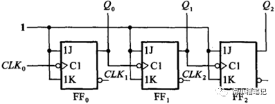
②异步十进制加法计数器是在4位异步2进制加法计数器的基础上修改得到的,如下图所示。

一般常见的异步十进制计数器有74LS290。
5、顺序脉冲发生器:在一些数字系统中,有时候需要系统按照事先规定的顺序进行一系列的操作,这就要求系统的控制部分能给出一组在时间上有一定先后顺序的脉冲信号,在用这组脉冲形成所需要的各种控制信号,顺序脉冲发生器就是用来产生这样一组顺序脉冲的电路。
6、序列信号发生器:在数字信号的传输和数字系统的测试中,有时需要用到一组特定的串行数字信号,这种串行数字信号称为序列信号,产生这种信号的电路称为序列信号发生器。
7、同步时序逻辑电路设计步骤

(1)逻辑抽象,得出电路的状态转换图或状态转换表;
(2)状态化简:若两个电路状态在相同的输入下有相同的输出,并且转换到同样一个次态去,则这两个状态称为等价状态,显然,等价状态是重复的;
(3)状态分配:又称为状态编码,首先要确定触发器的数目,其次,要给每个电路状态规定对应的触发器状态组合;
(4)选定触发器的类型,求出电路的状态方程,驱动方程和输出方程;
(5)根据得到的方程画出逻辑图;
(6)检查设计的电路能否自启动,若不能自启动,则需要采取措施加以解决;
8、竞争与冒险:由于时序逻辑电路通常包括组合逻辑电路和存储电路两部分,所以它的竞争—冒险现象也包括两个部分。
(1)一方面是其中的组合逻辑电路部分可能发生竞争冒险现象,由于这种竞争而产生的尖峰脉冲并不影响组合逻辑电路的稳态输出,但是一旦被存储电路的触发器接收,就可能引起触发器的误动作;
(2)另一方面是触发器工作过程中发生的竞争冒险现象,当输入信号和时钟信号同时改变,而且途径不同路径到达同一触发器时,就会产生竞争,竞争冒险现象仅可能发生在异步时序电路中。但是如果在某些规模较大的同步时序逻辑电路中,由于每个门的带载能力有限,所以通常采用一个时钟信号同时驱动几个门电路,然后在由这几个门电路分别去驱动若干个触发器,这就有可能同步电路中发生竞争冒险现象。
最后
以上就是孤独鞋垫最近收集整理的关于jk触发器的逻辑功能表_数字电子技术3——时序逻辑电路的全部内容,更多相关jk触发器内容请搜索靠谱客的其他文章。
发表评论 取消回复