目前关于此方向的资源教程较少,我个人对其进行了原理总结,仿真实验分析
希望大家有所收获,喜欢本篇文章的话 点个 关注 收藏 赞 吧!!!!!!
个人weixin:shadowknight007
目录
逆变器考虑死区时间的原因
逆变器死区时间带来的影响
PWM死区延时模块
路径
模块
设置界面
死区延时模块仿真
基础仿真
三相正弦信号输入设置
PWM设置
死区延时模块设置
输出结果
PWM比较信号
未加入死区输出PWM信号
三相
一相
加入死区延时输出PWM信号
三相
一相
加入死区时间应用实例
谐波电流注入控制
采用pwm不加死区时间时
a相电流
abc电流
采用pwm加入死区时间
a相电流
abc相电流
采用多旋转PI控制
a相电流
abc电流
逆变器考虑死区时间的原因
在逆变器中任何固态的功率开关管都存在着一定的导通和关断时间,为确保同一桥臂上下开关管不致发生直通故障,通常采用将理想的SPWM驱动信号上升沿(或下降沿)延迟一段时间(称为死区时间)。
死区是为保证开关器件安全、可靠运行而采取的措施。
逆变器死区时间带来的影响
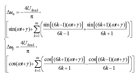
在驱动上,受逆变器死区时间和管压降影响,逆变器呈现非线性。考虑死区时逆变器输出电压误差与电流极性有关,表现为


在αβ坐标系中傅里叶展开

误差电压波形

结论:由于死区呈现出6k±1(k 为自然数)次电压谐波,管压降也将引起6k1(k为自然数)次电压谐波。无论是电机反电动势谐波还是逆变器输出的电压谐波,谐波幅值均随谐波次数增大而衰减,因此主要考虑5、7次谐波,更高次谐波忽略不计。
PWM死区延时模块
路径
![]()

模块

设置界面

Time delay 为延时设置时间
死区延时模块仿真
基础仿真
三相正弦信号输入设置
A

B

C

PWM设置

死区延时模块设置

输出结果
PWM比较信号

未加入死区输出PWM信号
三相

一相

加入死区延时输出PWM信号
三相

一相

加入死区时间应用实例
具体内容可以看我的文章 永磁同步电机谐波电流注入策略——多旋转PI控制Simulink仿真教程 https://blog.csdn.net/Lookerkid/article/details/117436853
谐波电流注入控制
采用pwm不加死区时间时

a相电流

abc电流

采用pwm加入死区时间

a相电流

abc相电流

采用多旋转PI控制
a相电流

abc电流


个人学习中还存很多的不足希望向大家学习。
完整的仿真搭建已经详细给出,可以自行搭建,需要我的原版模型和有相关问题联系微信。
weixin:shadowknight007
最后
以上就是靓丽棒球最近收集整理的关于【Simulink模块】On delay 开通延时模块-考虑死区时间的脉冲宽度调制(PWM)Simulink仿真逆变器考虑死区时间的原因逆变器死区时间带来的影响PWM死区延时模块死区延时模块仿真 加入死区时间应用实例的全部内容,更多相关【Simulink模块】On内容请搜索靠谱客的其他文章。

发表评论 取消回复