基本概念:
触发—时钟脉冲边沿作用下的状态刷新称为触发。
触发器—具有触发功能的存储单元称为触发器。
触发器分类—主从触发器、维持-阻塞触发器、延迟触发器。
触发器的现态和次态
现态:触发器在有效信号作用前的状态。Qn或Q
次态:触发器在有效信号作用后的状态。Qn+1
触发器的功能描述
功能表 ( 特性表、真值表)、状态图、特性方程(逻辑函数表达式)、时序图(波形图)
触发器的电路结构与工作原理
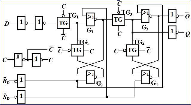
主从D触发器:
1、电路结构:
由两个结构相同D锁存器组成:主锁存器与从锁存器。

TG1和TG4的工作状态相同;TG2和TG3的工作状态相同。
2、工作原理:
CP=0时:
/C=1,C=0,
TG1导通,TG2断开——输入信号D 送入主锁存器。Q'跟随D端的状态变化,使Q'=D。
TG3断开,TG4导通——从锁存器维持在原来的状态不变。
CP=1时:
/C=0,C=1,
TG1断开,TG2导通——输入信号D不能 送入主锁存器。主锁存器维持原态不变。
TG3开导通,TG4断——从锁存器Q的信号送Q端。
触发器的状态仅仅取决于CP信号上升沿到达前瞬间的D信号 .
3. 波形图:
在波形图时,应注意以下两点:
(1)触发器的触发翻转发生在CP的上升沿。
(2)判断触发器次态的依据是CP上升沿前一瞬间输入端D的状态。
主D触发器波形图
4. 典型集成电路:
74HC/HCT74 中D触发器的逻辑图:
逻辑图
74HC/HCT74的功能表:
具有直接置1、直接置0,正边沿触发的D功能触发器
功能表
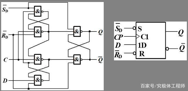
维持-阻塞触发器:
1. 电路结构:
由3个基本SR触发器组成

2.工作原理:
CP=0时:
CP:0 -->1时:
在CP脉冲的上升沿,触法器按此前的D信号刷新
工作原理
CP=1时:
D信号不影响 /S ,/R的状态,Q的状态不变
在CP脉冲的上升沿到来瞬间使触发器的状态变化
CP=1
3. 典型集成电路-----74LS74

传输延迟触发器:


触发器的动态特性
动态特性反映其触发器对输入信号和时钟信号间的时间要求,以及输出状态对时钟信号响应的延迟时间。
建立时间tSU :保证与D 相关的电路建立起稳定的状态,使触发器状态得到正确的转换。
保持时间tH :保证D状态可靠地传送到Q。
触发脉冲宽度tW :保证内部各门正确翻转。
传输延迟时间tPLH和tPHL :时钟脉冲CP上升沿至输出端新状态稳定建立起来的时间。
最高触发频率fcmax :触发器内部都要完成一系列动作,需 要一定的时间延迟,所以对于CP
最高工作频率有一个限制。
触发器的功能
触发器的逻辑功能:
S—R锁存器: 保持、置1、置0

D触发器(数据锁存): 置1、置0

JK触发器:保持、置1、置0、翻转

触发器: 保持、翻转

D触发器功能的转换
1、 D 触发器构成 J K 触发器
D触发器构成的JK触发器
2、D 触发器构成 T 触发器
D 触发器构成 T 触发器
下面看例题:


总结:
1.锁存器和触发器都是具有存储功能的逻辑电路,是构成时序电路的基本逻辑单元。每个锁存器或触发器都能存储1位二值信息。
2.锁存器是对脉冲电平敏感的电路,它们在一定电平作用下改变状态。
3.触发器是对时钟脉冲边沿敏感的电路,它们在时钟脉冲的上升沿或下降沿作用下改变状态。
4.触发器按逻辑功能分类有D触发器、JK触发器、T(T’)触发器和SR触发器。它们的功能可用特性表、特性方程、状态图和波形图来描述。触发器的电路结构与逻辑功能没有必然联系
5.锁存器和触发器的异同点
共同点:
具有0 和1两个稳定状态,一旦状态被确定,就能自行保持。一个锁存器或触发器能存储一位二进制码。
不同点:
锁存器---对脉冲电平敏感的存储电路,在特定输入脉冲电平作用下改变状态。
触发器---对脉冲边沿敏感的存储电路,在时钟脉冲的上升沿或下降沿的变化瞬间改变状态。
最后
以上就是能干背包最近收集整理的关于各种触发器的特性方程_总结触发器工作原理和特性的全部内容,更多相关各种触发器内容请搜索靠谱客的其他文章。
发表评论 取消回复