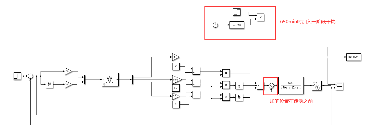
在650分钟时加入一阶跃干扰








最后
以上就是笨笨眼睛最近收集整理的关于使用matlab仿真,在650分钟时加入一阶跃干扰的全部内容,更多相关使用matlab仿真内容请搜索靠谱客的其他文章。
本图文内容来源于网友提供,作为学习参考使用,或来自网络收集整理,版权属于原作者所有。
在650分钟时加入一阶跃干扰








以上就是笨笨眼睛最近收集整理的关于使用matlab仿真,在650分钟时加入一阶跃干扰的全部内容,更多相关使用matlab仿真内容请搜索靠谱客的其他文章。
发表评论 取消回复