我是靠谱客的博主 烂漫未来,这篇文章主要介绍simulink与modelsim联合仿真buck闭环设计 主电路用simulink搭建,控制电路完全有verilog语言实现,现在分享给大家,希望可以做个参考。
simulink与modelsim联合仿真buck闭环设计
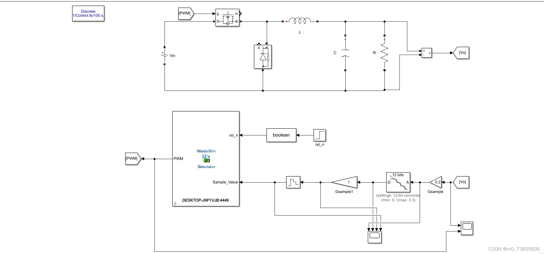
主电路用simulink搭建,控制电路完全有verilog语言实现(包括DPWM,PI补偿器)
适用于验证基于fpga的电力电子变换器控制,由于控制回路完全由verilog语言编写,因此仿真验证通过,可直接下载进fpga板子,极大缩短了开发数字电源的研发周期。
buck变换器指标如下:
(额定输入电压) Vin->20,
(最大输入电压) Vin_max->25,
(最小输入电压) Vin_min->15,
(输出电压)Vo>10,
(开关频率)fs->50*10^3,
(输出功率)Po->100,
(最小占空比)Dmin->0.1,
(额定占空比)D ->0.5,
(最大占空比) Dmax->0.6,
(额定输出电流) Io-> 10
包括:buck主电路以及控制回路设计文档,仿真文件。
以及simulink与modelsim的联合仿真调试说明文档。

ID:78999651044433674玩电的和尚
最后
以上就是烂漫未来最近收集整理的关于simulink与modelsim联合仿真buck闭环设计 主电路用simulink搭建,控制电路完全有verilog语言实现的全部内容,更多相关simulink与modelsim联合仿真buck闭环设计内容请搜索靠谱客的其他文章。
本图文内容来源于网友提供,作为学习参考使用,或来自网络收集整理,版权属于原作者所有。
发表评论 取消回复