时序电路设计2
- 1.状态机图
- 2.无效状态处理
1.状态机图
●为什么要做状态机图:当输入/输出变量太多时,状态跳变弧线上或圈内的组合数太多,列举困难。
状态图:

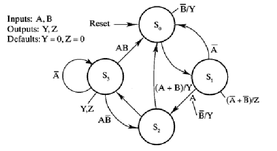
状态机图:

该状态机图表示的是Mealy和Moore混合型状态机,跳变弧线上为简化的跳变条件;S3状态上标注的——Y,Z表示该状态的非0输出为Y和Z;S1至S2的跳变弧线上的A——B’/Y表示在A=1时发生跳变,且在B=0时有一非0输出Y。
●条件:
1).输入条件:由输入变量组成的布尔表达式;
2).转换条件:导致状态发生转换的输入条件;
3).输出条件:引起输出行为发生的输入条件。
●条件约束:
1).转换条件约束:从一个给定状态出发的所有不同跳变上的条件,满足

2).输出条件约束:同一输出不同取值的条件,满足

2.无效状态处理
●状态编码:
1).可能的状态分配方案很多;
2).分配方案的好坏与所使用的触发器有关;
3).必须考虑未使用的状态。
●处理未用状态:
1).最小冒险法:一旦进入后可以很快脱离。
2).最小成本法:可简化激励函数,降低成本。
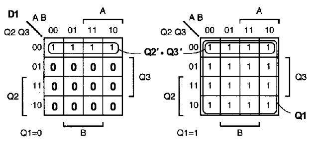
例:对于下图的状态图以及状态分布:


●根据表达式表示的状态表写方程:将当前状态编码的三位看成输入(Q1Q2Q3),下一状态编码的三位为输出(D1D2D3)。

Z = Q1Q2Q3’(A’ + AB’ + AB) + Q1Q2Q3(A + A’B’ + A’B) = Q1Q2
D1 = Q1’Q2’Q3’(A’ + A) + Q1Q2’Q3’(A’ + A) + Q1Q2’Q3(A’ + A) + Q1Q2Q3’(A’ + AB’ + AB) + Q1Q2Q3(A + A’B’ + A’B) = Q1 + Q2’Q3’
D2、D3略。
●最小冒险法处理未用状态:使未用状态的下一状态都为000状态。



●最小成本法:假设未用状态永远不会出现,在卡诺图中将未用状态的下一状态的每一位设置为无关项,便于卡诺图的化简,使得成本最小。



最后
以上就是傲娇吐司最近收集整理的关于第24讲 时序电路设计21.状态机图2.无效状态处理的全部内容,更多相关第24讲内容请搜索靠谱客的其他文章。
发表评论 取消回复