前言:结合之前的数字&模拟电路知识,了解时序逻辑电路概述,计数器,寄存器
目录
一、什么是时序逻辑电路?
二、时序电路的模型
三、时序逻辑电路的分类
1.同步时序逻辑电路和异步时序逻辑电路
2、计数器
(1)计数器:
(2)计数器的分类
(3)计数器举例
(4)异步二进制加法计数器的构成规律
(5)异步二进制减法计数器的构成规律
3、状态机:
四、寄存器和移位寄存器
1、什么是寄存器?
2、寄存器的构成
3、寄存器的分类
4、并行寄存器74HC574
5、右移寄存器
6、左移寄存器
7、多功能寄存器(保持、右移、左移、并行置数)
一、什么是时序逻辑电路?
组合电路:
电路的输出只与当前的输入有关,而与以前的输入无关。
结构:由门电路构成。
时序电路:
电路在某一给定时刻的输出,不仅取决于该时刻电路的输入,还取决于前一时刻电路的状态。
结构:组合电路+存储电路(触发器)。
二、时序电路的模型

输出方程:

驱动方程:

状态方程:

例:时序逻辑电路举例——串行加法器
上方电路是一个加法器,下方电路是D触发器,串联在一起组成了一个一位全加器。
10110101+00111011=11110000
三、时序逻辑电路的分类
1.同步时序逻辑电路和异步时序逻辑电路
同步时序电路:所有触发器由同一时钟脉冲源控制
异步时序电路:没有统一的时钟脉冲
例如:SPI、UART、IIC,下图属于同步时序电路

2、计数器
(1)计数器:
没有输入变量X,它仅仅在时钟控制下自动地改变状态,一般直接以触发器的状态作为输出。
例:T反触发器

(2)计数器的分类
按计数脉冲引入方式,分为异步和同步计数器
按进位制,分为二进制、十进制和N进制计数器
按逻辑功能,分为加法、减法和可逆计数器
(3)计数器举例

上图案例便是T反触发器,一个脉冲实现一个反转。
分析:
CP低电平,下降沿触发,通过D触发器反转,Q0变为高电平
Q0下降沿触发,通过D触发线,又导致Q1变为高电平
Q1下降沿触发,需要等待Q0下降沿触发,带动Q1下降沿触发,带动Q2低电平变为高电平
从而实现了计数、分配、定时的功能。
(4)异步二进制加法计数器的构成规律
- 用T'触发器构成;
- 若触发器要求用上升沿触发,则应用前级Q作为下级的CP,若触发器要求用下降沿触发,则应用前级的Q反作为下级的CP。

(5)异步二进制减法计数器的构成规律
- 用T’触发器构成;
- 若触发器要求用上升沿触发,则应用前级Q作为下级的CP,若触发器要求用下降沿触发,则应用前级的Q反作为下级的CP。
思考:如何用触发器构成3位二进制(8进制)加法计数器。


思考:如何用触发器构成3位二进制(8进制)减法计数器。

3、状态机:
除了时钟信号之外,还有输入信号X,它通过对输入信号X的响应实现状态转移。分摩尔型(Moore)状态机和米里型(Mealy)状态机两类。
摩尔型状态机:输出只和现态有关,与输入无关。如下图:

米里型状态机:输出不仅和现态有关,还和输入有关。

四、寄存器和移位寄存器
1、什么是寄存器?
寄存器用于寄存一组二值代码,广泛地用于数字系统和数字计算机中。
2、寄存器的构成
寄存器一般用D触发器构成。(透明触发器)
3、寄存器的分类
寄存器主要分并行寄存器和移位寄存器两种。
4、并行寄存器74HC574

只有CP脉冲的上升沿到来后,数据才能存入寄存器。实现了并行寄存器
思考:74HC574与并行锁存器74HC573有什么区别?

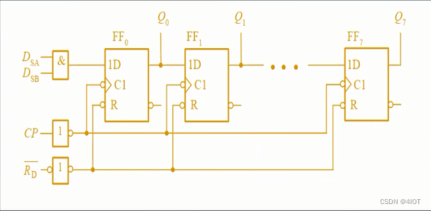
5、右移寄存器

寄存器工作波形

8位移位寄存器74HC164

R复位信号
6、左移寄存器

从左往右
7、多功能寄存器(保持、右移、左移、并行置数)

最后
以上就是真实戒指最近收集整理的关于数字电路和模拟电路-9时序逻辑电路、计数器和寄存器一、什么是时序逻辑电路?二、时序电路的模型三、时序逻辑电路的分类 四、寄存器和移位寄存器的全部内容,更多相关数字电路和模拟电路-9时序逻辑电路、计数器和寄存器一、什么是时序逻辑电路?二、时序电路内容请搜索靠谱客的其他文章。
发表评论 取消回复