数字电路-时序逻辑电路
- Mealy machine and Moore machine
- Latches and Filp-Flops(锁存器与触发器)
- S-R Latch
- D Latch
- D Flip-Flop
- Edge-Triggered J-K Flip-Flop (边沿J-K触发器)
- T Flip-Flop
- Analysis and Design(时钟同步状态机分析和设计)
- Analysis
- Design
- State Minimization(状态化简)
Mealy machine and Moore machine
- Mealy (米里机):A sequential circuit whose outputs depends on both states and inputs.(输出取决于输入和当前状态)
- Moore (摩尔机): A sequential circuit whose outputs depends on the states alone.(输出只取决于当前状态)
Latches and Filp-Flops(锁存器与触发器)
- Latch(锁存器) can change its outputs at any time when its enable is asserted.
- Flip-Flop(触发器) samples its inputs and changes its outputs at each tick of the clock.
S-R Latch
由或非门构成的S-R latch
-
结构

-
Function table (功能表)

当S=0,R=0 ,如果Q=QN’,则保持不变。
当S=0,R=0, 如果Q=QN,则振荡。 -
Logic symbol(逻辑符号)

-
Timing Diagram

-
逻辑功能表
| S | R | Q | Q* | 功能 |
|---|---|---|---|---|
| 0 | 0 | 0 1 | 0 1 | 保持 |
| 0 | 1 | 0 1 | 0 0 | 置0 |
| 1 | 0 | 0 1 | 1 1 | 置1 |
| 1 | 1 | 0 1 | d d | 不定 |
S:使Q输出为1
R:使Q输出为0
特征方程:Q*=S+R’·Q
- Timing parameters(时间参数)/ minimun-pulse-width(最小脉冲宽度)

如果加在输入端S和R上的信号脉宽小于最小脉宽tpw(min),那么锁存器就可能进入亚稳态,并且停留在这一状态上的时间将是随机的。要确保锁存器脱离亚稳态,只有在S和R端上加一个满足或超过最小脉宽要求的脉冲才行。
- 具有使能端的S-R Latch
- 结构

- Function table

- logic symbol

- Timing Diagram

当C=1时的行为特性与S-R锁存器相同;而当C=0时电路处于保持状态。
当S和R都为1时,如果C从1变到0,则电路的下一个状态是不可预测的,并且输出可能进入亚稳态。
- 结构
D Latch
- 结构

- Function table

特征方程:Q*= D - logic symbol

- Timing Diagram

- Timing parameters

如果D输入信号在建立时间tsetup和保持时间thold窗内的任何时刻发生变化的话,锁存器的输出就是不可预测的,并且可能进入亚稳态。
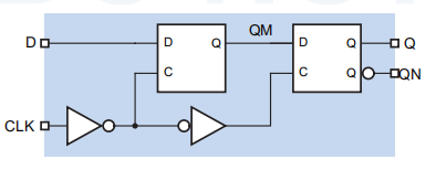
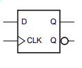
D Flip-Flop
一对D锁存器可以构成一个正边沿触发式D触发器(上升沿触发式D触发器)
-
电路

-
Function table

CLK:Dynamic-input indicator(动态输入指示符)CLK is low ,QM = D ,output Q remains.
CLK is high , QM remains ,output Q = QMThe input can not change the output directly.
特征方程:Q* = D

-
logic symbol

-
正边沿触发式D触发器功能特性

-
D FF with PR and CLR
asynchronous inputs (异步输入端)
PR(预置(preset))
CLR(清零(clear))- logic symbol

- logic symbol
-
Timing diagram

-
Edge-Triggered D FF with Enable

特征方程:Q* = EN·D+EN’·Q
Edge-Triggered J-K Flip-Flop (边沿J-K触发器)
- 电路

- logic symbol

- State transition truth table
| J | K | Q | Q* | 状态 |
|---|---|---|---|---|
| 0 | 0 | 0 1 | 0 1 | keep |
| 0 | 1 | 0 1 | 0 0 | reset |
| 1 | 0 | 0 1 | 1 1 | set |
| 1 | 1 | 0 1 | 1 0 | jump |
Characteristic equation (特征方程):Q* = J·Q’ + K’·Q
- Timing Diagram

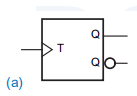
T Flip-Flop
在每一个时钟脉冲的有效边沿都会改变状态。
- logic symbol

- Timing diagram

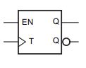
特征方程:Q * = T Q ’ +T ’ Q - T FF with EN
- logic symbol

- Timing diagram

特征方程:Q* = EN·Q’+EN’·Q
- logic symbol
Analysis and Design(时钟同步状态机分析和设计)
Analysis
3-2-1 method
- (1)write the excitation equation from the logic diagram;
(2)write the transition equation;
(3) write the output equation. - (1)create transition/output table;
(2)create state/output table. - Draw state diagram/Timing diagram.
详细步骤:
- 确定触发器控制输入的激励方程。
- 将激励方程带入触发器的特征方程得到转移方程。
- 用转移方程构造转移表。
- 确定输出方程。
- 在转移表中对每一种状态组合(对于Moore型机)或者状态/输入组合(对于Mealy型机)添加输出值,就构造成了转移/输出表。
- 对状态命名并用状态名代替转移/输出表中的状态变量取值组合,就得到了状态/输出表。
在使用321方法之前,判断该电路是米里机还是摩尔机。
具体问题具体分析。
Design
这是对于Analysis的逆过程,进行123method即可。
State Minimization(状态化简)
- 如果S1和S2是等价或是等价对 用(S1,S2)表示
- 输入序列可以是任意长度和组合。
- Transferability: (S1, S2) ∧ (S2, S3) → (S1, S2, S3)
- 如果(S1,S2) 和 (S2,S3) 那么{ S1,S2,S3} 是一个等价类。
- 找到最大等价类ECS
Minimization Steps
- Draw the State Implication Table (状态隐含表) 画行列都比状态数少1的三角形网.
- Compare sequentially to find equivalent state pairs, and thus find the maximum ECs using the transferability.
- Determine the final states.
内容参考:《数字设计原理与实践》第四版
最后
以上就是火星上小猫咪最近收集整理的关于数字电路-时序逻辑电路(笔记(二))的全部内容,更多相关数字电路-时序逻辑电路(笔记(二))内容请搜索靠谱客的其他文章。
发表评论 取消回复