四倍频
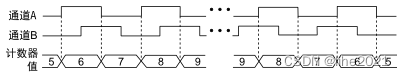
用编码器时,用AB相的模式才可以设置脉冲倍频,A,B两相相差90度相(1/4T),这样,在0度相位角,90度,180度,270度相位角,这四个位置有上升沿和下降沿,这样,实际上在1/4T方波周期就可以有方向变化的判断,这样1/4的T周期就是最小测量步距,通过电路对于这些上升沿与下降沿的判断,可以4倍于PPR读取位移的变化,这就是方波的四倍频。这种判断,也可以用逻辑来做,0代表低,1代表高,A/B两相在一个周期内变化是0 0,0 1,1 1,1 0 。这种判断不仅可以4倍频,还可以判断移动方向。
1倍频的计数方式:一个脉冲是由一个高电平加1个低电平组成, A相比B相超前1/4个脉冲, 就是所谓的90度, 这样检测到1个完整A相+1个完整B相的脉冲来记录1个脉冲信号的时候,这样算1倍频的计数方式。
4倍频计数方式:检测到1/4个脉冲的时候计入1个脉冲信号的时候,这样算4倍频的计数方式。
AB相的计数器抗干扰比单相计数器抗干扰更好. 4倍频的好处就是可以得到更精确地位置控制.抗干扰部分只要是AB相都会比较好。

正交编码器
引用来源:https://blog.csdn.net/xiaopikadi/article/details/100539955
参考:https://www.dgzj.com/zidonghua/95775.html
正交编码器通过两个脉冲信号进行位置测量。该信号可称为信号A(通道A)和信号B(通道B)。信号A和信号B的偏移量为90°,用于确定编码器移动的方向。
例如,在角度正交编码器中,如信号A位于信号B之前,则编码器按顺时针方向旋转。反之,编码器按逆时针方向旋转。
M系列、C系列和NI-TIO设备上的计数器支持对X1、X2、X4(单倍频、二倍频、四倍频)三种类型的正交编码器进行解码:
对于X1解码信号A在信号B之前,计数器在信号A的上升沿增加计数;如信号B在信号A之前,计数器在信号A的下降沿减少计数。

对于X2解码,动作与X1解码相同,只是计数器在信号A的上升沿和下降沿增加和减少计数。

对于X4解码,计数器在信号A和信号B的上升沿和下降沿增加和减少计数。X4解码对位置更加敏感,如编码器处于振动环境,更容易导致测量错误。

最后
以上就是高大帅哥最近收集整理的关于编码器四倍频的全部内容,更多相关编码器四倍频内容请搜索靠谱客的其他文章。
发表评论 取消回复