路灯电路设计
![]() 设计一款路灯电路,要求灯白天完全不亮,晚上发光。到后半夜为了节约用电,灯熄灭一半。 |
1、设计方案与论证
1.1设计方案
通过控制电路来实现对计数器以及谐振电路的控制,用谐振电路来控制逻辑门电路与计数器之间的相互控制,来达到对数码管时间地显示以及路灯的逻辑控制。用逻辑门反馈计数器达到计数器清零的实现功能。
1.2 设计思路
用20秒倒计时模拟一天24小时,当时间为10秒时假设已经到达实际傍晚时间,此时路灯全部点亮。当时间到达3秒时,假设已经到达实际深夜时间,此时路灯一半熄灭,一半点亮。由555定时器构成多谐振荡器产生时间为1秒的时间脉冲,由两片74LS192和两个四位数码管来显示这20秒,由74LS192来记数这20下。
2、硬件设计
2.1 74LS192计数器
74LS192是同步、可预置十进制可逆计数器,其模块电路如图所示,功能如表所示。
十进制可逆集成计数器74LS192具有以下特点:
该器件为双时钟工作方式,〖CP〗_+是加计数时钟输入,〖CP〗__是减计数时钟输入,均为上升沿触发,采用8421BCD码计数。
74ls192功能表


74LS192计数器
其引脚为功能为
Cr为异步清零端,高电平有效。
LD为异步预置控制端,低电平有效,当Cr=0,LD=0时预置输入端D、C、B、A的数据送至输出端,即QdQcQbQa=0。
进位输出和借位输出是分开的。
Qc是进位输出,加法计数时,进入1001状态后有负脉冲输出。
Qb为借位输出,减法计数时,进入0000状态后有负脉冲输出。
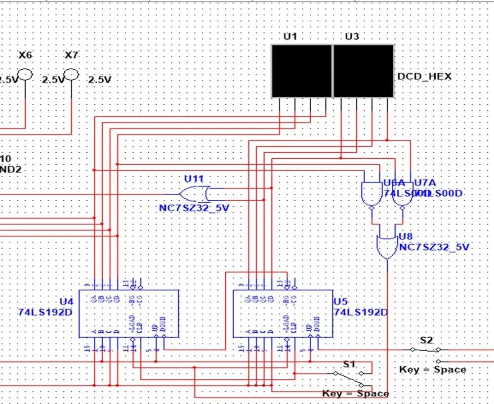
2.2 20进制计数器的设计
本实验中采用20秒倒计时来模拟一天24小时。本实验采用74LS192芯片作为计数器,74LS192 是同步的加减计数器,其具有清除和置数的功能。本实验选择两片74LS192作为分别作为20的十位和个位。本实验中将作为十位的计数器输入端置为0010 而将个位的输入端置为0000。将两片74LS192的置数端引出来与开关 相连,开关控制置数端与高电平还是.低电平,从而实现当20倒计时到00时,通过手动操作开关而可以重新开始倒计时,计数器的电路连接如图所示。

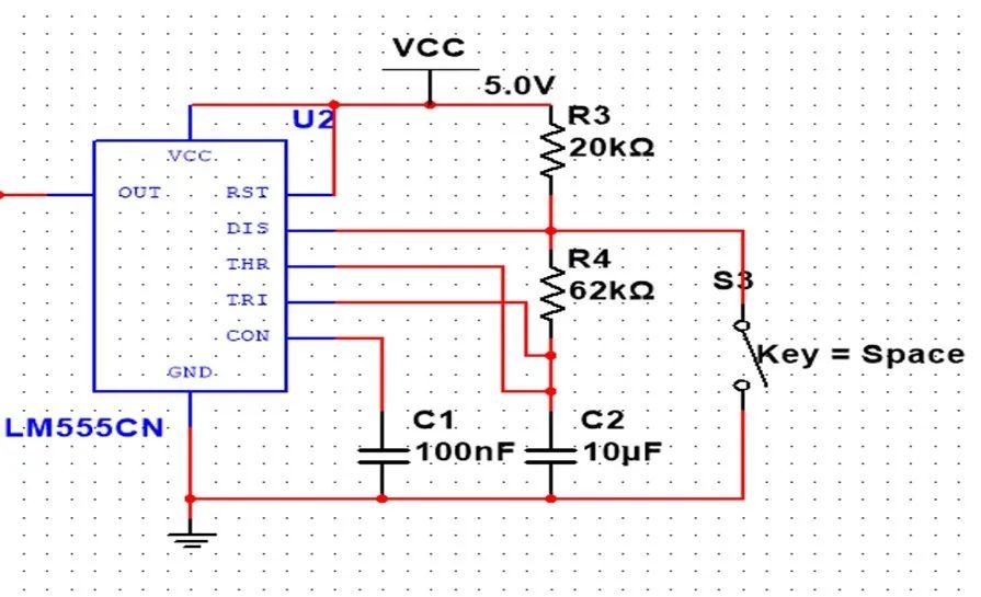
2.3 T=1秒的时间脉冲的设计。
本实验由555定时器组成的多谐振荡器来产生周期为1s的时间脉冲,从而为20秒倒计时提供了脉冲输入。

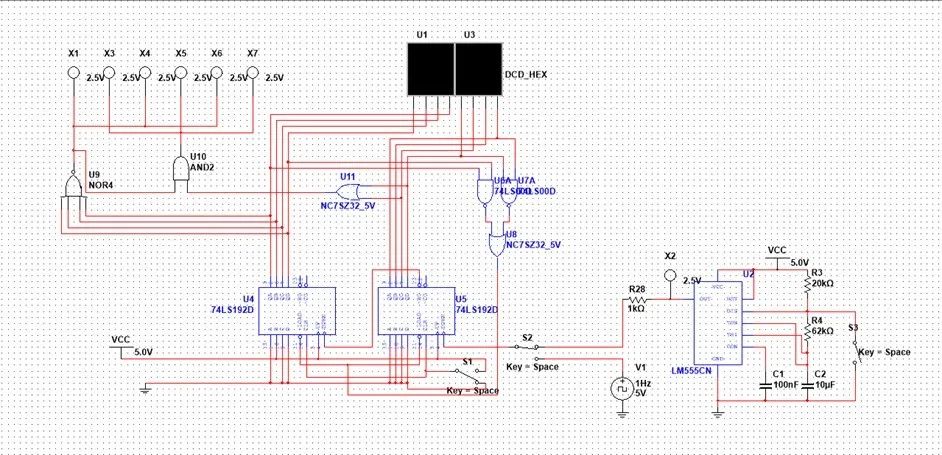
3.总电路图

编辑:@郝培荣
责编:@张嘉翮
审核:@葛向阳

最后
以上就是勤劳帽子最近收集整理的关于同步电路出现异步清零可以吗_路灯电路设计的全部内容,更多相关同步电路出现异步清零可以吗_路灯电路设计内容请搜索靠谱客的其他文章。
发表评论 取消回复