amesim与prescan联调环境变量配置,编译器配置:
https://blog.csdn.net/qq_31239495/article/details/98868090
一、amesim中配置simulink接口
在工具栏打开 interface:

打开create interface block: 左侧是amesim的输出,simulink的输出端,右侧是amesim的输入,simulink的输入端

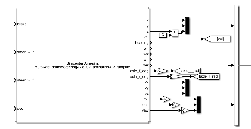
配置相关接口后,进入amesim中的simulation功能,点击仿真运行,然后打开工具栏,点开 file-> write file for simulation
将整个amesim工程放到prescan工程目录下,即该工程目录不仅包括prescan的工程文件,还包括amesim的工程文件
二、在prescan中打开工程,打开matlab
打开prescan中的项目,打开要替换的prescan中原车的模型,将原车删除

打开prescan原有模型,看原来接入如下的模块:

进入原车模型模块,找到端口1

再进入该模块,端口1输入在底盘中:

再次进入,端口1为一个子模块:

再次进入,发现该子模块有多个输入输出量,而不是6个:

点击mux,共有9个量:

点击进入

得到如下

再次点击进入

得到

跳回上层,存在一个积分模块:

所以最终得到的输出信息:
[3 3 3] -> [x y z vx vy vz roll pitch yaw] 其中 roll 与 pitch 为接地为0,所以这个模拟的是2D的动力学模型,不仿真roll 与 pitch,如果想仿真prescan中3D的动力学模型,则需要如法炮制,寻找相对关系
最终得到:

最后
以上就是重要芹菜最近收集整理的关于Prescan(十三):amesim+prescan+simulink联调的全部内容,更多相关Prescan(十三)内容请搜索靠谱客的其他文章。
发表评论 取消回复