文章目录
- 调幅式测量电路
- 调幅原理
- 包络检波电路
- 二极管&晶体管包络检波
- 精密检波电路
- 相敏检波电路
- 相乘式相敏检波电路
- 特性
调幅式测量电路
ref 《测控电路 第五版》
- 调制: 用调制信号控制载波信号, 让后者的(幅值, 频率, 相位, 脉冲宽度等)按前者的值变化
- 调幅, 调频, 调相, 调脉宽
- 载波信号频率远高于调制信号频率
- 解调: 从已调制信号提取反应测量值的测量信号
调幅原理
-
线性调幅信号 u s = ( U m 0 + m x ) cos ω c t u_s=(U_{m0}+mx)cosomega_c t us=(Um0+mx)cosωct
- ω c omega_c ωc: 载波信号角频率
- U m 0 U_{m0} Um0: 调幅信号中载波信号幅值
- m m m: 调制度
- x x x: 调制信号, 假设为 x = X m cos Ω t x=X_mcosOmega t x=XmcosΩt
-

-
u
s
=
U
m
0
cos
ω
c
t
+
m
X
m
cos
Ω
t
cos
ω
c
t
=
U
m
0
cos
ω
c
t
+
m
X
m
2
cos
(
ω
c
+
Ω
)
t
+
m
X
m
2
cos
(
ω
c
−
Ω
)
t
begin{matrix} u_s & = & U_{m0}cosomega_ct+mX_mcosOmega t~cosomega_c t \ & = & U_{m0}cosomega_ct +frac{mX_m}{2}cos(omega_c+Omega)t+frac{mX_m}{2}cos(omega_c-Omega)tend{matrix}
us==Um0cosωct+mXmcosΩt cosωctUm0cosωct+2mXmcos(ωc+Ω)t+2mXmcos(ωc−Ω)t
- 角频率为
ω
c
omega_c
ωc的载波信号
U
m
0
cos
ω
c
t
U_{m0}cosomega_c t
Um0cosωct
- 不含被测量x信息
- 角频率为
ω
c
±
Ω
omega_cpm Omega
ωc±Ω的上下边频信号
- 含被测量x信息, 功率最多占总功率 1 3 frac{1}{3} 31
- 角频率为
ω
c
omega_c
ωc的载波信号
U
m
0
cos
ω
c
t
U_{m0}cosomega_c t
Um0cosωct
- 双边带调制: 为提高利用率只保留两个边频信号
-
u
s
=
U
m
0
cos
ω
c
t
+
m
X
m
cos
Ω
t
cos
ω
c
t
=
U
m
0
cos
ω
c
t
+
m
X
m
2
cos
(
ω
c
+
Ω
)
t
+
m
X
m
2
cos
(
ω
c
−
Ω
)
t
begin{matrix} u_s & = & U_{m0}cosomega_ct+mX_mcosOmega t~cosomega_c t \ & = & U_{m0}cosomega_ct +frac{mX_m}{2}cos(omega_c+Omega)t+frac{mX_m}{2}cos(omega_c-Omega)tend{matrix}
us==Um0cosωct+mXmcosΩt cosωctUm0cosωct+2mXmcos(ωc+Ω)t+2mXmcos(ωc−Ω)t
-
传感器调制
-
交流供电实现调制

- 无应力: R 1 = R 2 = R 3 = R 4 = R R_1=R_2=R_3=R_4=R R1=R2=R3=R4=R
- 有应力: U o = U 4 ( Δ R 1 R − Δ R 2 R + Δ R 3 R − Δ R 4 R ) U_o=frac{U}{4}(frac{Delta R_1}{R}-frac{Delta R_2}{R}+frac{Delta R_3}{R}-frac{Delta R_4}{R}) Uo=4U(RΔR1−RΔR2+RΔR3−RΔR4)
-
机械/光学方法调制
-

- 工件表面微观不平度使反射光产生漫反射, 由镜面反射方向, 由镜面反射方向与其他方向接收到的光能量比可测定被测工件1表面粗糙度
-
-
-
电路调制
- 乘法器调制: 测量信号 u x = U x m cos Ω t u_x=U_{xm}cosOmega t ux=UxmcosΩt X 载波信号 u c = U c m cos Ω t u_c=U_{cm}cosOmega t uc=UcmcosΩt 得双边带调幅
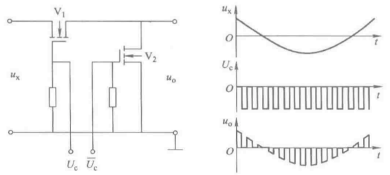
- 开关电路调制: 栅极+高频载波方波信号
-

-
归一化方波正弦波信号 K ( ω c t ) = 1 2 + 2 π sin ω c t + 2 3 π sin 3 ω c t + . . . K(omega_c t)=frac{1}{2}+frac{2}{pi}sinomega_c t+frac{2}{3pi}sin3omega_c t+... K(ωct)=21+π2sinωct+3π2sin3ωct+...
-
带通滤去低频信号 1 2 u x frac{1}{2}u_x 21ux与高频信号 2 u x 3 π sin 3 ω c t frac{2 u_x}{3pi }sin 3omega_c t 3π2uxsin3ωct及更高次谐波得调制信号 2 π u x sin ω c t frac{2}{pi}u_xsinomega_c t π2uxsinωct
-
- 信号相加式调制: 调制信号与载波信号相加减后控制开关器件
包络检波电路
- 检波: 将调幅波的边带信号不失真地从载频附近搬移到零频附近, 从已调信号中检出调制信号
- 包络检波: 原理简单, 电路简单
- 解调主要过程为调幅信号半波/全波整流, 无法从检波器输出鉴别调制信号的相位
- 不区分不同载波频率的信号的能力, 不能区别信号与噪声
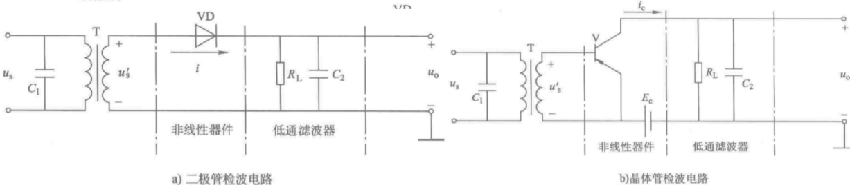
二极管&晶体管包络检波
原理:
-

-
截去下半部, 低通滤波滤除高频信号
-

-
1 ω < < R L C 2 < < 1 Ω frac{1}{omega}<<R_LC_2<<frac{1}{Omega} ω1<<RLC2<<Ω1 滤除载波信号, 保留调制信号
-
-
有一定死区电压, 非线性, 带来误差
精密检波电路
- 半波精密检波电路
-

-
只在 u s u_s us为负的半周期检波器 N 1 N_1 N1有 u A u_A uA输出
-
- 全波精密检波电路
-

-
R
1
=
R
2
,
R
3
′
=
2
R
3
R_1=R_2, R_3'=2R_3
R1=R2,R3′=2R3
- u o = − R 4 R 3 ( u A + u s 2 ) u_o=-frac{R_4}{R_3}(u_A+frac{u_s}{2}) uo=−R3R4(uA+2us)
-
R
1
=
R
2
,
R
3
′
=
2
R
3
R_1=R_2, R_3'=2R_3
R1=R2,R3′=2R3
-
- 高输入阻抗全波精密检波电路
-

- R 1 = R 2 = R 3 = R 4 / 2 R_1=R_2=R_3=R_4/2 R1=R2=R3=R4/2
- u s > 0 u_s>0 us>0 N 2 N_2 N2的同相输入端与反相输入端输入同信号, u o = u s u_o=u_s uo=us
- u s < 0 u_s<0 us<0 N 1 N_1 N1输出 u A = 2 u s u_A=2u_s uA=2us, N 2 N_2 N2输出 u o = − u s u_o=-u_s uo=−us
- u o = ∣ u s ∣ u_o=|u_s| uo=∣us∣全波检波
-
相敏检波电路
- 相敏检波电路
特点
- 具有鉴别调制信号相位和选频能力的检波电路
- 输入
- 需要解调的调幅信号
- 参考信号: 鉴别输入信号的相位与频率1
- 与调幅信号同频
比较
-
解调对调幅信号做半波/全波整流, 无法鉴别调制信号相位
-
包络检波电路无法区分不同载波频率信号
-
功能上
- 相敏检波电路可鉴别调制信号相位, 判别被测变化的方向
- 有选频能力, 提高测控系统抗干扰能力
-
电路结构上
- 需输入参考信号, 频率同调幅信号
-
调幅
- 输入调制信号 u x = U x m cos Ω t u_x=U_{xm}cosOmega t ux=UxmcosΩt X 载波信号 cos ω c t cosomega_c t cosωct = 双边带调幅信号 u s = U x m cos Ω t cos ω c t u_s=U_{xm}cosOmega tcos omega_c t us=UxmcosΩtcosωct
- 再乘载波信号 cos ω c t cosomega_c t cosωct 得 u s u_s us X cos ω c t cosomega_ct cosωct = u o = 1 2 U x m cos Ω t + 1 4 U x m [ cos ( 2 ω c − Ω ) t + cos ( 2 ω c + Ω ) t ] u_o=frac{1}{2}U_{xm}cosOmega t+frac{1}{4}U_{xm}[cos(2omega_c-Omega)t+cos(2omega_c+Omega)t] uo=21UxmcosΩt+41Uxm[cos(2ωc−Ω)t+cos(2ωc+Ω)t]
- 低通滤波器滤除高频信号后得调制信号 U x m cos Ω t U_{xm}cosOmega t UxmcosΩt
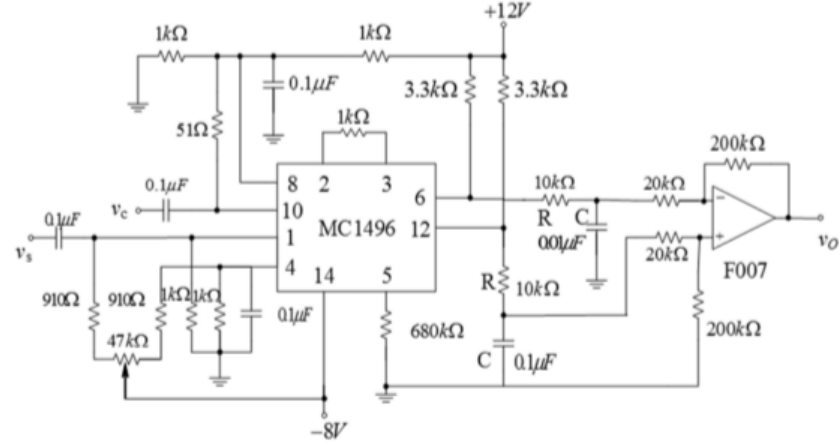
相乘式相敏检波电路

-
乘法器构成的相敏检波电路
-

-
与调幅电路区别
- 输入输出的信号不同, 导致不同耦合回路
- 多了一级滤波电路
-
-
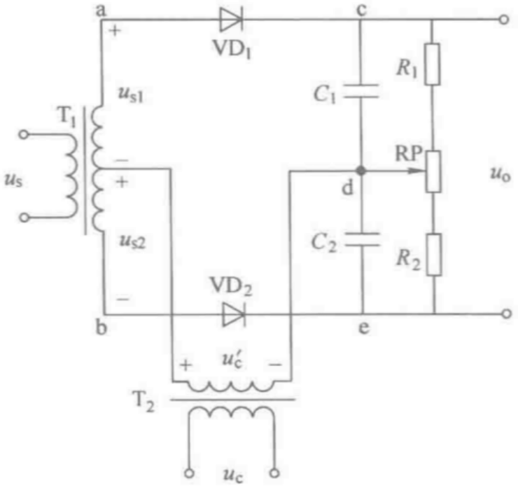
开关式相敏检波电路
-
相加式相敏检波电路
-

- 输入信号 u s u_s us与参考信号 u c u_c uc以相加减方式加到同一开关器件, u c > > u s u_c>>u_s uc>>us
- 滤波后输出低频信号
- u o = k 0 ( u s 1 + u s 2 ) u_o=k_0(u_{s1}+u_{s2}) uo=k0(us1+us2)
-
-
精密整流型全波相敏检波电路
-
脉冲钳位式相敏检波电路
- 无输入信号与载波信号相乘, 不能用于信号调制, 抑制干扰得性能不如其他相敏检波电路
特性
- 选频
-
对不同频率的输入信号有不同传递特性
- 抑制偶次谐波: 以参考信号为基波, 所有偶次谐波在载波信号一个周期内平均输出0
- 抑制高次谐波: 对n=1,3,5各奇次谐波, 输出信号的幅值衰减为基波 1 n frac{1}{n} n1
-
提高系统抗干扰能力, 抑制偶次谐波,高次谐波
-

- n = 1 n=1 n=1: V c V_c Vc有相同极性, 输出正
- n = 2 n=2 n=2: V c V_c Vc正半周期内, v s v_s vs变化一个周期, 平均输出0
- n = 3 n=3 n=3: V c V_c Vc正半周期内, v s v_s vs变化1.5个周期, 仍有 1 / 3 1/3 1/3正信号输出
-
- 鉴相
-
判别被测量变化方向, 由输出信号大小确定相位差值
-
输入信号 u s u_s us与参考信号 u c u_c uc同频, 有一定相位差, 输出 u o = U s m cos φ 2 u_o=frac{U_{sm}cosvarphi}{2} uo=2Usmcosφ 随相位差 φ varphi φ变化
-

- 同极性输出+, 反极性输出-
-
最后
以上就是美好舞蹈最近收集整理的关于【测控电路】相敏检波电路 调幅原理,包络检波电路,相敏检波电路调幅式测量电路包络检波电路相敏检波电路的全部内容,更多相关【测控电路】相敏检波电路内容请搜索靠谱客的其他文章。

发表评论 取消回复