我是靠谱客的博主 失眠小霸王,这篇文章主要介绍simulink中的state place模块的使用,现在分享给大家,希望可以做个参考。

我们知道,state place模块输入的为u,输出的y,并且我们需要在模块参数中设置ABCD以及初始状态x的值(初始状态x的值一般为0):

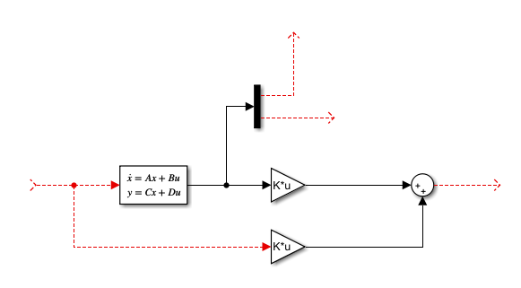
在这里插入图片描述但我们经常使用状态空间不太在意y输出为多少,我们往往需要的是x状态的值,包括我们做飞控时我们所需要的飞机状态信息都在x中,所以我们希望state place输出x,方法就是把c设为单位矩阵,d设为0,这样的y=cx+du=x,这样我们就达到目的了,然后在接一个demux模块分出各个状态量即可。如果我们又想在后面获取y的值,我们可以手动在state place后接一个增益矩阵C:
在这里插入图片描述

最后

以上就是失眠小霸王最近收集整理的关于simulink中的state place模块的使用的全部内容,更多相关simulink中的state内容请搜索靠谱客的其他文章。

本图文内容来源于网友提供,作为学习参考使用,或来自网络收集整理,版权属于原作者所有。
点赞(236)

评论列表共有 0 条评论

立即
投稿
返回
顶部