

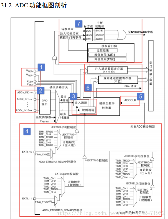
1. ①电压输入范围
ADC 输入范围为:VREF- ≤ VIN ≤ VREF+。由 VREF-、VREF+ 、VDDA 、VSSA、这四个外部
引脚决定。
我们在设计原理图的时候一般把 VSSA 和 VREF-接地,把 VREF+和 VDDA 接 3V3,得到
ADC 的输入电压范围为:0~3.3V。
如果我们想让输入的电压范围变宽,去到可以测试负电压或者更高的正电压,我们可
以在外部加一个电压调理电路,把需要转换的电压抬升或者降压到 0~3.3V,这样 ADC 就
可以测量了。
2. ②输入通道
我们确定好 ADC 输入电压之后,那么电压怎么输入到 ADC?这里我们引入通道的概念,
STM32 的 ADC 多达 18 个通道,其中外部的 16 个通道就是框图中的 ADCx_IN0 、
ADCx_IN1...ADCx_IN5。这 16 个通道对应着不同的 IO 口,具体是哪一个 IO 口可以从手
册查询到。其中 ADC1/2/3 还有内部通道:ADC1 的通道 16 连接到了芯片内部的温度传感
器,Vrefint 连接到了通道 17。ADC2 的模拟通道 16 和 17 连接到了内部的 VSS。
ADC3 的模拟通道 9、14、15、16 和 17 连接到了内部的 VSS。

外部的 16 个通道在转换的时候又分为规则通道和注入通道,其中规则通道最多有 16
路,注入通道最多有 4 路。那这两个通道有什么区别?在什么时候使用?
规则通道
规则通道:顾名思意,规则通道就是很规矩的意思,我们平时一般使用的就是这个通
道,或者应该说我们用到的都是这个通道,没有什么特别要注意的可讲。
注入通道
注入,可以理解为插入,插队的意思,是一种不安分的通道。它是一种在规则通道转
换的时候强行插入要转换的一种。如果在规则通道转换过程中,有注入通道插队,那么就
要先转换完注入通道,等注入通道转换完成后,再回到规则通道的转换流程。这点跟中断
程序很像,都是不安分的主。所以,注入通道只有在规则通道存在时才会出现。
3. ③转换顺序
规则序列
规则序列寄存器有 3 个,分别为 SQR3、SQR2、SQR1。SQR3 控制着规则序列中的第
一个到第六个转换,对应的位为:SQ1[4:0]~SQ6[4:0],第一次转换的是位 4:0 SQ1[4:0],如
果通道 16 想第一次转换,那么在 SQ1[4:0]写 16 即可。SQR2 控制着规则序列中的第 7 到第
12 个转换,对应的位为:SQ7[4:0]~SQ12[4:0],如果通道 1 想第 8 个转换,则 SQ8[4:0]写 1
即可。SQR1 控制着规则序列中的第 13 到第 16 个转换,对应位为:SQ13[4:0]~SQ16[4:0],
如果通道 6 想第 10 个转换,则 SQ10[4:0]写 6 即可。具体使用多少个通道,由 SQR1 的位
L[3:0]决定,最多 16 个通道。

注入序列
注入序列寄存器 JSQR 只有一个,最多支持 4 个通道,具体多少个由 JSQR 的 JL[2:0]
决定。如果 JL 的 值小于 4 的话,则 JSQR 跟 SQR 决定转换顺序的设置不一样,第一次转
换的不是 JSQR1[4:0],而是 JCQRx[4:0] ,x = (4-JL),跟 SQR 刚好相反。如果 JL=00(1
个转换),那么转换的顺序是从 JSQR4[4:0]开始,而不是从 JSQR1[4:0]开始,这个要注意,
编程的时候不要搞错。当 JL 等于 4 时,跟 SQR 一样。

4. ④触发源
通道选好了,转换的顺序也设置好了,那接下来就该开始转换了。ADC 转换可以由
ADC 控制寄存器 2: ADC_CR2 的 ADON 这个位来控制,写 1 的时候开始转换,写 0 的时候
停止转换,这个是最简单也是最好理解的开启 ADC 转换的控制方式,理解起来没啥技术含
量。
除了这种庶民式的控制方法,ADC 还支持触发转换,这个触发包括内部定时器触发和
外部 IO 触发。触发源有很多,具体选择哪一种触发源,由 ADC 控制寄存器 2:ADC_CR2 的
EXTSEL[2:0] 和 JEXTSEL[2:0] 位 来控制 。 EXTSEL[2:0] 用于 选择 规则 通道 的触发源,
JEXTSEL[2:0]用于选择注入通道的触发源。选定好触发源之后,触发源是否要激活,则由
ADC 控制寄存器 2:ADC_CR2 的 EXTTRIG 和 JEXTTRIG 这两位来激活。其中 ADC3 的规则
转换和注入转换的触发源与 ADC1/2 的有所不同,在框图上已经表示出来。
5. ⑤转换时间
ADC 时钟
ADC 输入时钟 ADC_CLK 由 PCLK2 经过分频产生,最大是 14M,分频因子由 RCC 时
钟配置寄存器 RCC_CFGR 的位 15:14 ADCPRE[1:0]设置,可以是 2/4/6/8 分频,注意这里
没有 1 分频。一般我们设置 PCLK2=HCLK=72M。
采样时间
ADC 使用若干个 ADC_CLK 周期对输入的电压进行采样,采样的周期数可通过 ADC
采样时间寄存器 ADC_SMPR1 和 ADC_SMPR2 中的 SMP[2:0]位设置,ADC_SMPR2 控制
的是通道 0~9,ADC_SMPR1 控制的是通道 10~17。每个通道可以分别用不同的时间采样。
其中采样周期最小是 1.5 个,即如果我们要达到最快的采样,那么应该设置采样周期为 1.5
个周期,这里说的周期就是 1/ADC_CLK。
ADC 的转换时间跟 ADC 的输入时钟和采样时间有关,公式为:Tconv = 采样时间 +
12.5 个周期。当 ADCLK = 14MHZ (最高),采样时间设置为 1.5 周期(最快),那么总
的转换时间(最短)Tconv = 1.5 周期 + 12.5 周期 = 14 周期 = 1us。
一般我们设置 PCLK2=72M,经过 ADC 预分频器能分频到最大的时钟只能是 12M,采
样周期设置为 1.5 个周期,算出最短的转换时间为 1.17us,这个才是最常用的。
6. ⑥数据寄存器
一切准备就绪后,ADC 转换后的数据根据转换组的不同,规则组的数据放在 ADC_DR
寄存器,注入组的数据放在 JDRx。
规则数据寄存器
ADC 规则组数据寄存器 ADC_DR 只有一个,是一个 32 位的寄存器,低 16 位在单 ADC
时使用,高 16 位是在 ADC1 中双模式下保存 ADC2 转换的规则数据,双模式就是 ADC1 和
ADC2 同时使用。在单模式下,ADC1/2/3 都不使用高 16 位。因为 ADC 的精度是 12 位,
无论 ADC_DR 的高 16 或者低 16 位都放不满,只能左对齐或者右对齐,具体是以哪一种方
式存放,由 ADC_CR2 的 11 位 ALIGN 设置。
规则通道可以有 16 个这么多,可规则数据寄存器只有一个,如果使用多通道转换,那
转换的数据就全部都挤在了 DR 里面,前一个时间点转换的通道数据,就会被下一个时间
点的另外一个通道转换的数据覆盖掉,所以当通道转换完成后就应该把数据取走,或者开
启 DMA 模式,把数据传输到内存里面,不然就会造成数据的覆盖。最常用的做法就是开
启 DMA 传输。
注入数据寄存器
ADC 注入组最多有 4 个通道,刚好注入数据寄存器也有 4 个,每个通道对应着自己的
寄存器,不会跟规则寄存器那样产生数据覆盖的问题。ADC_JDRx 是 32 位的,低 16 位有
效,高 16 位保留,数据同样分为左对齐和右对齐,具体是以哪一种方式存放,由
ADC_CR2 的 11 位 ALIGN 设置。
7. ⑦中断
转换结束中断
数据转换结束后,可以产生中断,中断分为三种:规则通道转换结束中断,注入转换
通道转换结束中断,模拟看门狗中断。其中转换结束中断很好理解,跟我们平时接触的中
断一样,有相应的中断标志位和中断使能位,我们还可以根据中断类型写相应配套的中断
服务程序。
模拟看门狗中断
当被 ADC 转换的模拟电压低于低阈值或者高于高阈值时,就会产生中断,前提是我
们开启了模拟看门狗中断,其中低阈值和高阈值由 ADC_LTR 和 ADC_HTR 设置。例如我
们设置高阈值是 2.5V,那么模拟电压超过 2.5V 的时候,就会产生模拟看门狗中断,反之
低阈值也一样。
DMA 请求
规则和注入通道转换结束后,除了产生中断外,还可以产生 DMA 请求,把转换好的
数据直接存储在内存里面。要注意的是只有 ADC1 和 ADC3 可以产生 DMA 请求。有关
DMA 请求需要配合《STM32F10X-中文参考手册》DMA 控制器这一章节来学习。一般我
们在使用 ADC 的时候都会开启 DMA 传输。
8. ⑧电压转换
模拟电压经过 ADC 转换后,是一个 12 位的数字值,如果通过串口以 16 进制打印出来
的话,可读性比较差,那么有时候我们就需要把数字电压转换成模拟电压,也可以跟实际
的模拟电压(用万用表测)对比,看看转换是否准确。
我们一般在设计原理图的时候会把 ADC 的输入电压范围设定在:0~3.3v,因为 ADC
是 12 位的,那么 12 位满量程对应的就是 3.3V,12 位满量程对应的数字值是:2^12。数值
0 对应的就是 0V。如果转换后的数值为 X ,X 对应的模拟电压为 Y,那么会有这么一个等
式成立: 2^12 / 3.3 = X / Y,=> Y = (3.3 * X ) / 2^12。




9.独立模式单通道采集程序
#include "stm32f10x.h"
#include "adc.h"
static void ADC_NVIC_Configuration(void)
{
NVIC_InitTypeDef NVIC_InitStructure;
/* 嵌套向量中断控制器组选择 */
NVIC_PriorityGroupConfig(NVIC_PriorityGroup_2);//程序只能指定一次分组,抢占优先级2位,响应优先级2位
/* 配置 ADC 为中断源 */
NVIC_InitStructure.NVIC_IRQChannel = ADC1_2_IRQn;
/* 抢断优先级为 2 数字越小,越优先*/
NVIC_InitStructure.NVIC_IRQChannelPreemptionPriority = 2;
/* 响应先级为 1 数字越小,越优先*/
NVIC_InitStructure.NVIC_IRQChannelSubPriority = 1;
/* 使能中断 */
NVIC_InitStructure.NVIC_IRQChannelCmd = ENABLE;
/* 初始化配置 NVIC */
NVIC_Init(&NVIC_InitStructure);
}
void adc1_init(void)
{
RCC_APB2PeriphClockCmd(RCC_APB2Periph_GPIOA, ENABLE);//
RCC_APB2PeriphClockCmd(RCC_APB2Periph_ADC1, ENABLE);//
GPIO_InitTypeDef GPIO_Struct;
ADC_InitTypeDef ADC_Struct;
GPIO_Struct.GPIO_Pin = GPIO_Pin_0;
GPIO_Struct.GPIO_Mode = GPIO_Mode_AIN; //模拟输入
GPIO_Init(GPIOA, &GPIO_Struct);
ADC_Struct.ADC_Mode = ADC_Mode_Independent;//独立模式
ADC_Struct.ADC_ScanConvMode = DISABLE;//不扫描,多通道才扫描
ADC_Struct.ADC_ContinuousConvMode = ENABLE; //连续转换
ADC_Struct.ADC_ExternalTrigConv = ADC_ExternalTrigConv_None;//软件开启转换
ADC_Struct.ADC_DataAlign = ADC_DataAlign_Right;//转换结果右对齐
ADC_Struct.ADC_NbrOfChannel = 1;//1个通道
ADC_Init(ADC1, &ADC_Struct);
RCC_ADCCLKConfig(RCC_PCLK2_Div8);//ADC clock = PCLK2/8
ADC_RegularChannelConfig(ADC1, ADC_Channel_0, 1, ADC_SampleTime_55Cycles5);
ADC_NVIC_Configuration();//ADC中断优先级配置
ADC_ITConfig(ADC1, ADC_IT_EOC, ENABLE);//ADC转换结束中断
ADC_Cmd(ADC1, ENABLE);
// ADC开始校准
ADC_StartCalibration(ADC1);
//等待校准完成
while(ADC_GetCalibrationStatus(ADC1));
ADC_SoftwareStartConvCmd(ADC1, ENABLE);
}
最后
以上就是失眠小霸王最近收集整理的关于STM32F1系列ADC电压采集的全部内容,更多相关STM32F1系列ADC电压采集内容请搜索靠谱客的其他文章。
发表评论 取消回复