RM2020超级电容
- 超级电容简单背景
- 电容比赛要求
- 电容基本要求
- 底盘超功率限制
- 电容设计
- 电容设计要求
- 电容设计思路
- 电容充电模块设计
- 电容放电电路设计
- 总结
超级电容具有广阔的应用和市场前景,本文用于记录学习设计2020RM超级电容。

超级电容简单背景
1、 掉电保护数据(手表、GPS)。当设备掉电后超级电容内的电量可以作为备用电源维持器件的时钟运行,从而使数据能够保留或不被丢失,下次上电不用重新加载可以快速读取上次数据。(国网单相表也要求使用超级电容进行 RTC 维持,要求电池可更换,RTC 保持的时间在 48 小时以上。)
2、 作为需电量小的器件的电源,快速充放电的特点
3、提供高的瞬间电流,瞬间功率特性好可以瞬间放出大电流,瞬间提供大功率供电
电容比赛要求
电容基本要求

底盘超功率限制
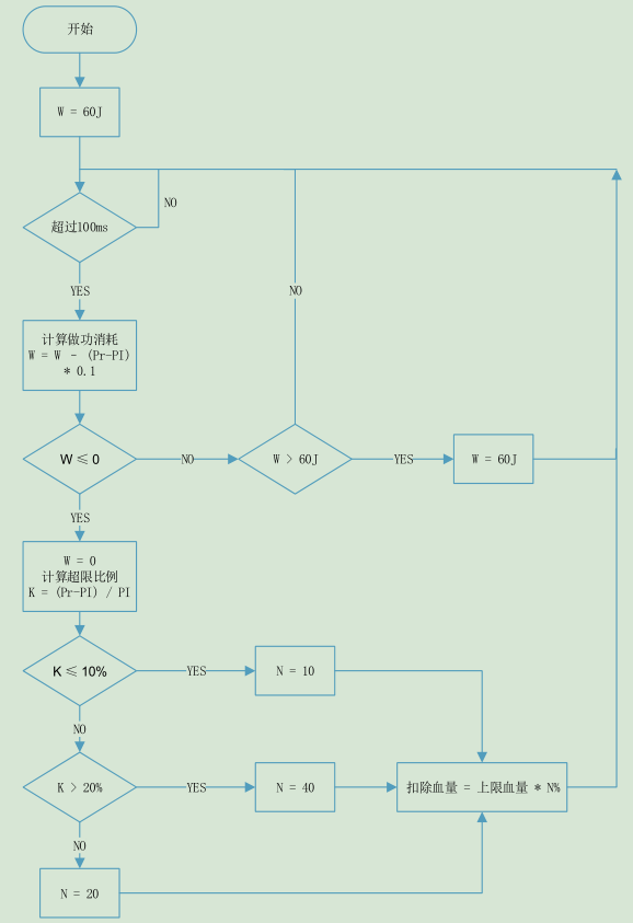
机器人的底盘功率会被裁判系统持续监控,超出功率限制后,裁判系统会触发惩罚机制。不同类型的机器人判罚情况不同。考虑到机器人在运动过程中很难做到瞬时输出功率的控制,因此官方在裁判系统服务器上限定了一个缓冲能量 W。步兵机器人或英雄机器人的 W 值有以下两种情况:
1、 步兵机器人或英雄机器人未飞跃公路飞坡时,其 W 值等于 60J。
2、 步兵机器人或英雄机器人飞跃公路飞坡后,其 W 值从当前值增加至 250J。后续若消耗至 60J 以下,W 值最高可恢复至 60J
裁判系统做底盘功率检测的频率是 10Hz。
超限比例:K = (Pr-Pl) / Pl * 100%,其中 Pr 为瞬时底盘输出功率,Pl 为上限功率。
| K | N% |
|---|---|
| K ≤ 10% | 10% |
| 10% < K ≤ 20% | 20% |
| K > 20% | K > 20% |

电容设计
电容设计要求
电容设计的要求:
(1)充电:恒流给超级电容充电并且做出保护模块防止电容破坏
(2)放电:放电时让超级电容提供大部分的功率,而不是由电池来提供
(3)MOS保护:MOS管作为控制电路,防止 MOS 管被击穿;防止功率过大的产热影响MOS管特性
(4)电机电流:电机减速或突然停止会产生强大的反电动势,怎样吸收倒灌的电流或者将其安全消耗掉
(5)精简化:由于空间有限,将各种模块整合设计
电容设计思路
电容过压保护模块、恒压恒流模块、电源切换模块。
电容充电模块设计
电容组采用电容串联的方式
1、首先对电容模块进行过压保护,利用BW6101模块对并联的每个电容进行保护
典型电路如下

2、对电容进行充电电路

通过控制A1、A2来控制电容充电放电,功率不易控制所以用恒压与恒流模块来给电容充电。恒功率充电太过刻板,因此有个新想法:通过PWM波控制A1电压,改变电压占空比从而控制电流的占空比(由于裁判系统10HZ检测一次即100ms),100ms时间较为充裕在100ms内可以控制恒流模块电流的占空比来达到改变平均电流的效果,从而间接实现了可控的功率充电,更灵活地分配给电容和电机的功率。
(想法还需实验验证)
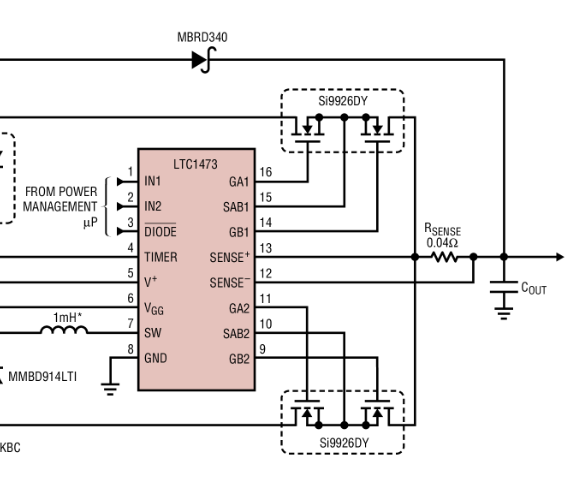
电容放电电路设计
通过电压比较器信号实现电池和电容较高电压者来供电,快速实现切换电路。
在放电的过程中要考虑到电机线圈会有反向电动势,此时会有电流倒灌的现象,因此要妥善处理这部分电流。
这里借鉴港科的思路:
用两路背对背MOS管来实现控制

用LTC1473芯片和Si9926DY芯片来实现电容和电池的开关来对底盘供电。
MOS管的寄生二极管能互相抵销,解决电流倒灌问题。
总结
初次设计超级电容,方案还有多不成熟地方。欢迎交流学习,希望能够迭代出更好的方案。
最后
以上就是平淡银耳汤最近收集整理的关于超级电容第一版超级电容简单背景电容比赛要求电容设计总结的全部内容,更多相关超级电容第一版超级电容简单背景电容比赛要求电容设计总结内容请搜索靠谱客的其他文章。
发表评论 取消回复