所谓超级电容,简单地说就是容量达到法拉级的电容;所谓超级电容模组,就是包含好几个超级电容的模块;在单板应用中,常用于异常掉电备份。
那么,对于超级电容模组来说,他要比单个超级电容具备更多的能量,那么是不是简单的将超级电容串联或者并联起来就构成了一个模组呢?可以这么说,但是这样得到的模组可靠性非常的低,由于超级电容参数很难做到完全一致,容易出现电压不均衡现象,进而使部分超级电容出现过压的情况,严重影响超级电容输出特性和寿命,甚至引发故障。
超级电容的电压值对超级电容能量的影响要比容值对超级电容能量的影响更大。由于超级电容当前的局限性,其额定电压比较低,一般只有1~4V左右,通过对超级电容进行串联,可以提高整个模组的额定电压,虽然容值是减小了,但是整体能量还是增加的。
换一种理解方式,2个同型号的超级电容储存的能量怎么也比1个同型号的超级电容存储的能量更大呀。
而且串联可以提高电压值,这在单板应用中是很重要的,对于很多电源芯片其实都有输入电压范围要求,像是常见的供电电压有12V、5V,而超级电容由于单体电压太低,直接用于备份供电显然是无法达到应用需求的。
电压均衡
由以上分析可知,在超级电容应用过程中,电压均衡技术是必要的,现有电压均衡技术主要分为被动均衡和主动均衡两大类。
被动均衡
被动均衡是使用电阻和半导体开关或二极管来平衡电压,通过消耗高电压的超级电容单体的多余能量,起到过压保护的作用。常见的有并联电阻均压、开关电阻均压、稳压管均压等。
这里主要说下最简单的并联电阻均压(动态特性不是非常好):

Req为均衡电阻,直接与超级电容单体并联,模组在充电的过程中,单体也在通过Req进行放电电压高的单体放电快,从而起到均衡保护的作用。这里依据充电方式的不同(恒压充电和恒流充电,实际应用可以综合使用),选取Req的标准也存在差别。
- 恒压充电
假定充电电压为U,由于超级电容模组稳态下电压基本是按照EPR(C充满后近似断路,ESR很小)来分布的,增加Req后,实际上可以理解为用Req来替代EPR,因此Req必须要选择阻值相等的电阻,并且要比EPR更小,这样并联才能起到主导作用(一般0.01~0.1EPR)。超级电容稳态时的电压为ReqU/(nReq)。 - 恒流充电
假定充电电流为I,每一个超级电容单体与Req组成单独的回路,当电容单体电压上升的时候,流经电容单体的电流下降,流经Req的电流增加,当电容充满时,电容电流为0,电容单体电压为ReqI,即当所有串联电容的单体电压都打到ReqI时,均衡完成。因此均衡电阻取值为Req=U(额定)/I。
主动均衡
主动型均衡是通过将电压较高单体或整个模组的能量转移到其他单体上,直到所有单体电压达到均衡,一般损耗都比较低,但是设计会比较复杂。常见的有DC/DC变换器均衡、“飞渡”均衡、专用超级电容管理芯片等。
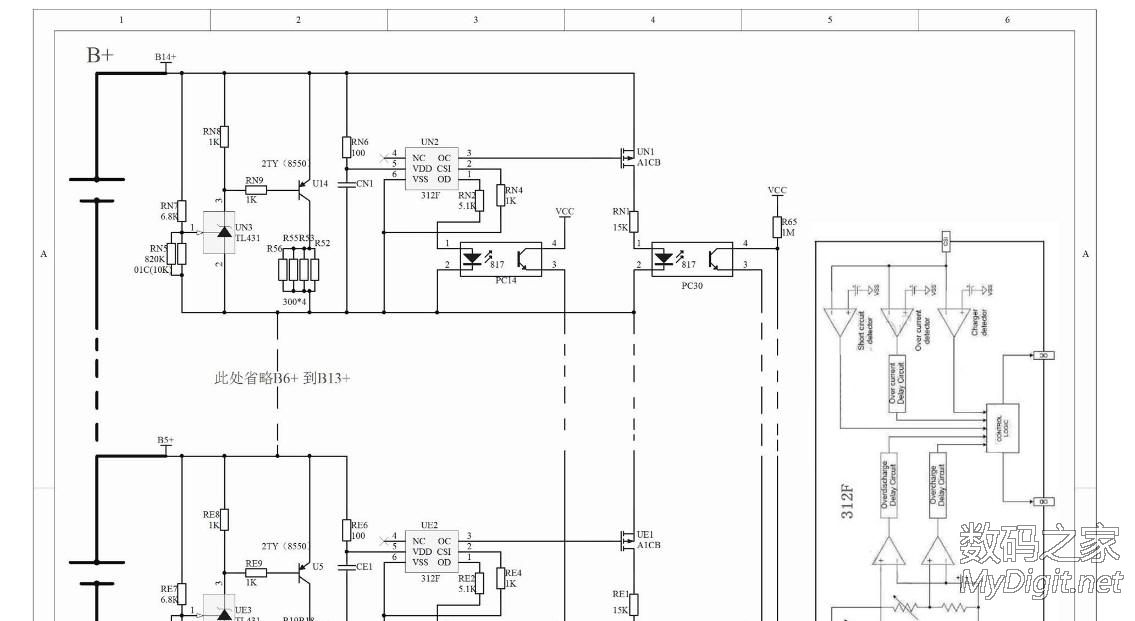
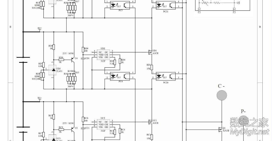
参考电路






最后
以上就是粗暴大雁最近收集整理的关于超级电容的电压均衡板的全部内容,更多相关超级电容内容请搜索靠谱客的其他文章。
发表评论 取消回复